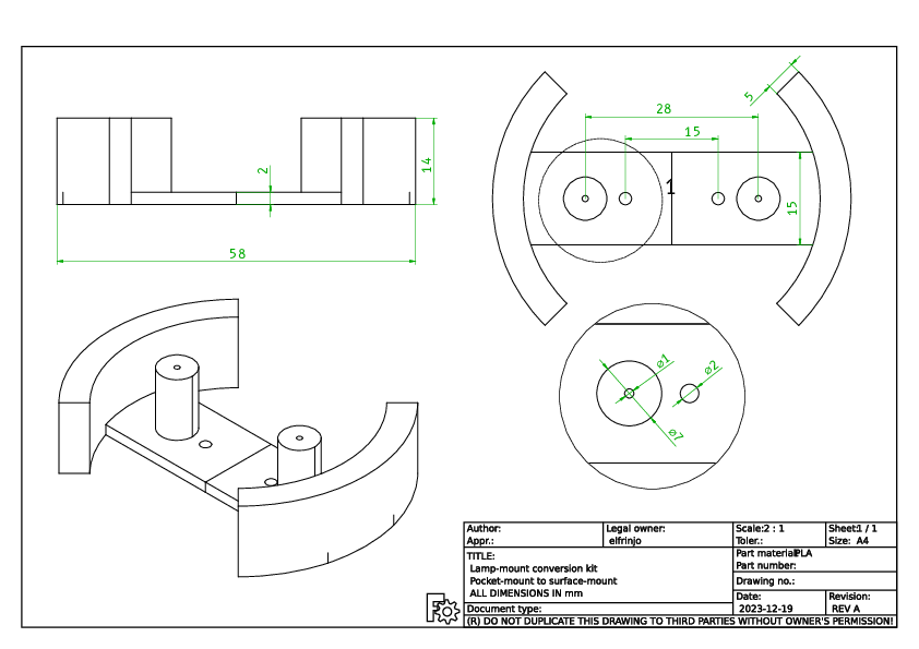
Bộ kit gắn đèn LED âm tủ / Hốc tủ thành gắn nổi

Giải pháp cho đèn LED âm tủ cũ: Biến hốc tủ bếp thành nơi gắn đèn LED kiểu mới. Bộ kit này tạo bề mặt để bạn dễ dàng lắp đặt đèn LED gắn nổi, thay thế cho đèn halogen nóng bỏng ngày xưa. File FreeCAD cho phép tùy chỉnh kích thước.

👁️
74
Lượt Xem
❤️
0
Lượt Thích
📥
8
Lượt Tải
Cập Nhật Dec 14, 2025
Chi tiết
Tải xuống
Bình Luận
Khoe bản in
Remix

Mô tả

Hồi xưa á ™, người ta hay gắn mấy cái đèn halogen vô cái hốc tủ bếp để chiếu sáng mặt bàn làm việc. (Mà thực ra nó hơi dở vì mấy cái đèn đó nóng lắm). Mấy cái đèn led hiện đại bây giờ hoặc là không vừa mấy cái hốc cũ (không đủ sâu) hoặc là không gắn nổi lên mặt trên (nó cứ tuột vô hốc cũ thôi)

Cái món này sẽ tạo ra một cái bề mặt để bạn gắn cái đèn led kiểu gắn nổi lên.

LƯU Ý:

  • Phải là đèn led nha, chứ đèn halogen mà gắn vô là nó chảy nhựa như chơi.
  • File 3mf đi kèm thì vừa với nhu cầu của tui (sâu 14mm, đường kính 58mm). Bạn có thể chỉnh lại kích thước trong cái bảng tính của file FreeCAD nha.

Giấy phép

Tác phẩm này được cấp phép theo

Creative Commons — Attribution — Share Alike

CC-BY-SA

Yêu cầu ghi công
Remix & phái sinh Được phép
Sử dụng thương mại Được phép

File mô hình

TẤT CẢ FILE MÔ HÌNH (3 Tập tin)
Đang tải files, vui lòng chờ...
Vui lòng đăng nhập để bình luận.

Chưa có bình luận nào. Hãy là người đầu tiên!

Vui lòng đăng nhập để khoe bản in của bạn.

Chưa có bản in nào được khoe. Hãy là người đầu tiên!

Remix (0)