QSMotor 205 - Động cơ BLDC 500-4000W Vành 10" CAD

Chia sẻ file CAD động cơ Hub QSMotor 205, công suất từ 500W đến 4000W, vành 10 inch. Động cơ này rất hợp để độ xe mini moto, e-bike, e-scooter. Tốc độ lên đến 100km/h, mô-men xoắn 180 N.m.

👁️
1.2K
Lượt Xem
❤️
6
Lượt Thích
📥
209
Lượt Tải
Cập Nhật Dec 14, 2025
Chi tiết
Tải xuống
Bình Luận
Khoe bản in
Remix

Mô tả

Nội dung được dịch bằng AI

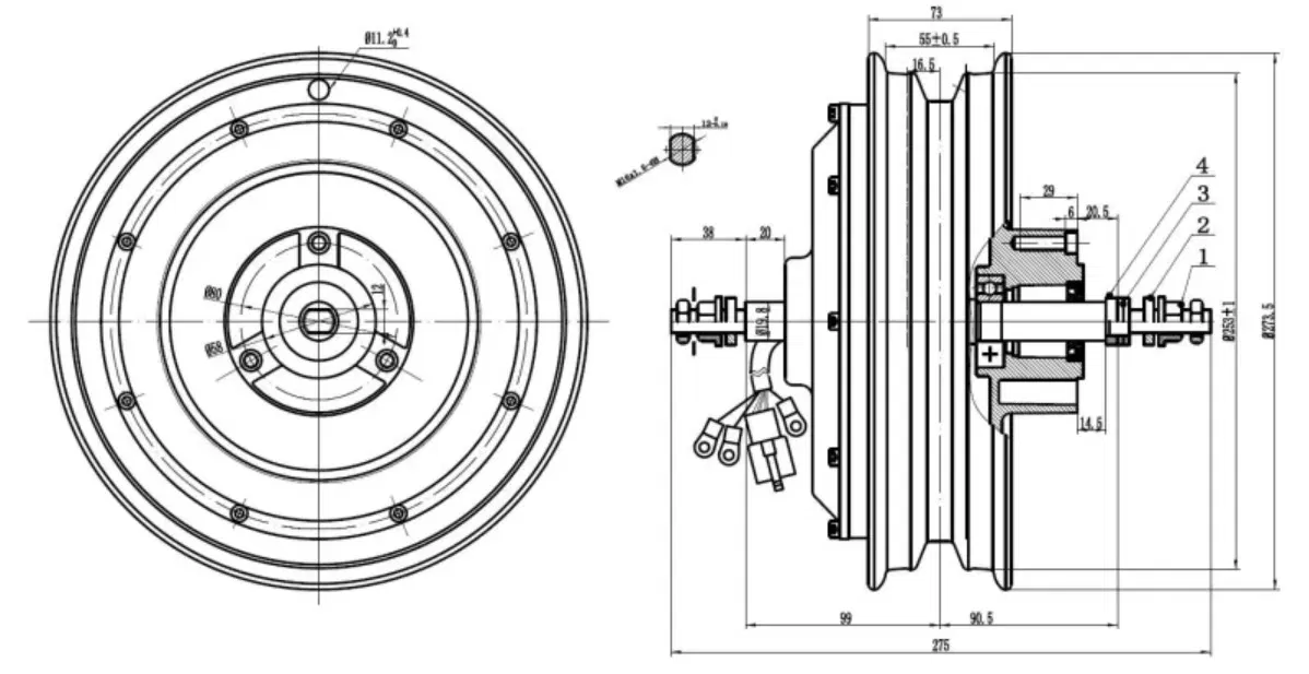
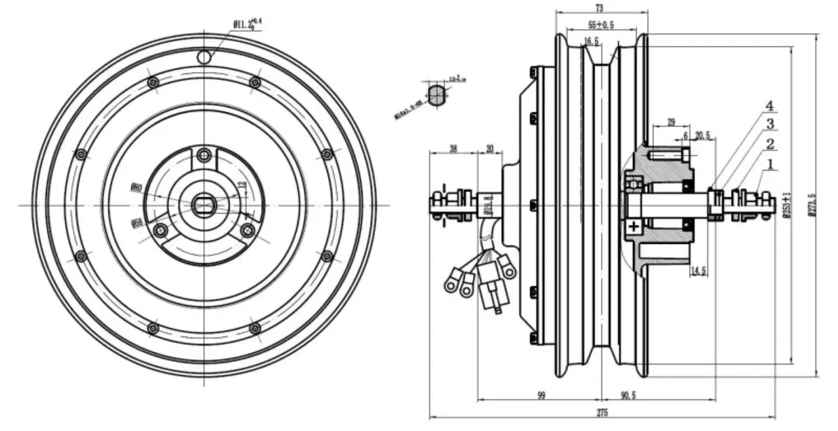
File CAD cho động cơ sau:

https://www.qsmotor.com/product/10inch-3000w-hub-motor/

Động cơ Hub 10 inch 3000W

  1. Loại động cơ: Động cơ Hub không chổi than DC
  2. Phiên bản: V2, V3
  3. Công suất định mức: 3000W (tối đa 6000W).
  4. Dải điện áp: 48V, 60V, 72V, 84V hoặc 96V.
  5. Chiều cao nam châm: 50mm (205)
  6. Kích thước bánh xe: 10×2.15 inch
  7. Lốp đề xuất: 3.0-10 hoặc 3.5-10
  8. Tốc độ: 30 – 100 km/h
  9. Mô-men xoắn: 30 – 180 N.m
  10. Trục: loại trục hai bên
  11. Cảm biến Hall: 2 bộ (1 bộ dùng, 1 bộ dự phòng)
  12. Phanh: phanh đĩa (180mm) hoặc phanh tang trống.

Giấy phép

Tác phẩm này được cấp phép theo

Creative Commons — Attribution

CC-BY

Yêu cầu ghi công
Remix & phái sinh Được phép
Sử dụng thương mại Được phép

File mô hình

TẤT CẢ FILE MÔ HÌNH (3 Tập tin)
Đang tải files, vui lòng chờ...
Vui lòng đăng nhập để bình luận.

Chưa có bình luận nào. Hãy là người đầu tiên!

Vui lòng đăng nhập để khoe bản in của bạn.

Chưa có bản in nào được khoe. Hãy là người đầu tiên!

Remix (0)