Vỏ điều khiển từ xa in 3D cho Arduino NANO và nRF24L01+

Vỏ điều khiển từ xa được in 3D cho mô -đun radio Arduino Nano và NRF24L01+

👁️
1.1K
Lượt Xem
❤️
41
Lượt Thích
📥
161
Lượt Tải
Cập Nhật Nov 18, 2025
Chi tiết
Tải xuống
Bình Luận
Khoe bản in
Remix

Mô tả

!!! Ảnh chụp mô tả phiên bản v1 của mô hình này đã được chỉnh sửa. Các tệp có sẵn ở đây là cho phiên bản v2 mà mặc dù có một số cải tiến vẫn có thể gặp phải các vấn đề khác cần phải chỉnh sửa thêm (phiên bản v2 chưa được in) !!!

Cài đặt in 3D (không quan trọng lắm miễn là các kích thước được bảo tồn):

  • Máy in: Anycubic Vyper
  • Đầu phun: 0.4mm
  • Vật liệu: PLA
  • Nhiệt độ đầu phun: 200C
  • Nhiệt độ bàn in: 60C
  • Đổ đầy: hình tam giác 30%
  • Hỗ trợ: tiêu chuẩn, chạm vào bề mặt xây dựng

Danh sách các bộ phận in 3D:

  • vỏ trên
  • vỏ dưới
  • vỏ tay cầm trên L
  • vỏ tay cầm dưới L
  • nắp pin L
  • vỏ tay cầm trên R
  • vỏ tay cầm dưới R
  • nắp pin R
  • khoảng cách nút
  • 2x khoảng cách LED
  • 6x khoảng cách nút phụ

Các bộ phận khác:

  • Điện tử
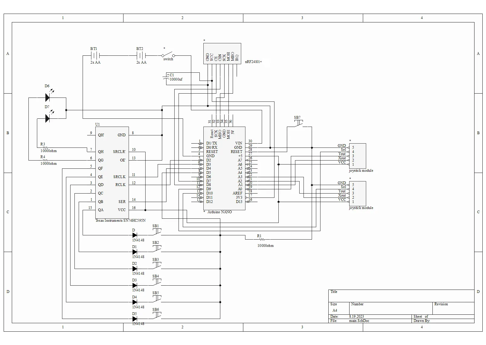
    • Arduino NANO (phiên bản USB mini)
    • nRF24L01+
    • 2x mô-đun Joystick
    • 7x công tắc vi mô TACT 12x12x10mm
    • 2x diode LED (tốt nhất là màu xanh lá cây và đỏ)
    • 74hc595 Shift Register
    • 3x điện trở 10kohm
    • 6x diode xung 1N4148
    • 2x pin 2xAA 3v
    • 4x pin AA 1.5v
    • tụ điện 10000uf
    • công tắc ON/OFF 3 chân
    • bảng mạch pcb 50x70mm
    • bảng mạch pcb 70x90mm (để cắt thành những cái nhỏ hơn - bản vẽ trong thư viện)
    • dây
  • Xây dựng
    • 2x vít M3x30mm
    • 8x đai ốc M3
    • 4x vít M4x40
    • 4x đai ốc M4
    • 4x đệm M4
    • 20x vít M2x20

Bạn cũng sẽ cần:

  • keo (tốt nhất là CA)
  • tua vít
  • giấy nhám
  • khoan
  • máy mài nhỏ (để cắt PCB)
  • bàn là hàn
  • thiếc

Các bộ phận cần một chút mài nhẵn và điều chỉnh sau khi in.

Để lắp ráp dễ dàng hơn, hãy làm theo hướng dẫn đính kèm (không bao gồm các bước liên quan đến PCB)

Các tệp .ino cho bộ phát và một chương trình mẫu cho bộ thu được bao gồm trong các tệp.

Dữ liệu nhận được từ xa là mảng số nguyên 12 chữ số. Mỗi số tương ứng với một nút (hoặc trục joystick) cụ thể. Một nút ở phần giữa sẽ đặt lại arduino khi được nhấn. Đèn LED trên cùng sáng khi có vấn đề kết nối với mô-đun radio. Đèn LED dưới sáng lên khi dữ liệu đã được gửi và nhận thành công bởi bộ thu.

Giấy phép

Tác phẩm này được cấp phép theo

Creative Commons — Attribution — Share Alike

CC-BY-SA

Yêu cầu ghi công
Remix & phái sinh Được phép
Sử dụng thương mại Được phép

File mô hình

TẤT CẢ FILE MÔ HÌNH (14 Tập tin)
Đang tải files, vui lòng chờ...
Vui lòng đăng nhập để bình luận.

Chưa có bình luận nào. Hãy là người đầu tiên!

Vui lòng đăng nhập để khoe bản in của bạn.

Chưa có bản in nào được khoe. Hãy là người đầu tiên!

Remix (0)