Tay Nắm Nắp Nồi

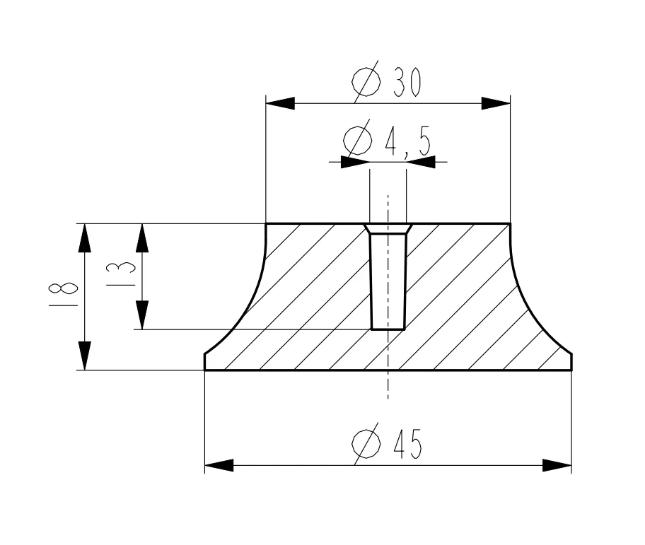
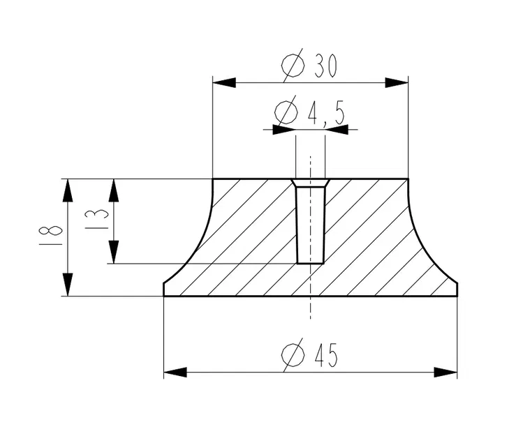
Cứu vãn cái nắp nồi bị hư của bạn với tay nắm mới này. Dễ dàng lắp ráp và bền bỉ, đảm bảo nắp nồi của bạn hoạt động tốt trở lại. Gợi ý vật liệu in ABS, ASA, lớp in 0.2mm và độ dày ruột 15-20%.

👁️
262
Lượt Xem
❤️
2
Lượt Thích
📥
56
Lượt Tải
Cập Nhật Dec 20, 2025
Chi tiết
Tải xuống
Bình Luận
Khoe bản in
Remix

Mô tả

Cho cái nắp nồi hư của bạn một đời sống mới.

Hướng dẫn lắp ráp:

  • Hơ nóng con ốc trước khi vặn vào để dễ lắp hơn và bảo vệ lâu dài khỏi bị bung ốc.

Gợi ý cài đặt in:

  • ABS, ASA
  • Lớp in 0.2mm
  • Độ dày ruột 15-20%

Giấy phép

Tác phẩm này được cấp phép theo

Creative Commons — Attribution — Noncommercial — Share Alike

CC-BY-NC-SA

Yêu cầu ghi công
Remix & phái sinh Được phép
Sử dụng thương mại Không được phép

File mô hình

TẤT CẢ FILE MÔ HÌNH (1 Tập tin)
Đang tải files, vui lòng chờ...
Vui lòng đăng nhập để bình luận.

Chưa có bình luận nào. Hãy là người đầu tiên!

Vui lòng đăng nhập để khoe bản in của bạn.

Chưa có bản in nào được khoe. Hãy là người đầu tiên!

Remix (0)