Khung gắn cho cảm biến quang OPT

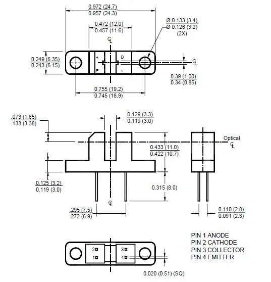
Đây là khung gắn dành riêng cho máy CR7 & CR8, chỉ tương thích với cảm biến quang (OPT sensor) loại như đường link bên dưới. Lưu ý là cảm biến này không nhận diện được sợi nhựa trong suốt.

👁️
88
Lượt Xem
❤️
0
Lượt Thích
📥
11
Lượt Tải
Cập Nhật Dec 20, 2025
Chi tiết
Tải xuống
Bình luận
Showcase
Remixes

Mô tả

Nội dung được dịch bằng AI

khung gắn cho CR7 & CR8

chỉ dùng cho cảm biến quang (OPT sensor) loại như vầy: http://goods.ruten.com.tw/item/show?21402276353768#auc

Lưu ý: Cảm biến quang (OPT sensor) không phát hiện được sợi nhựa trong suốt (transparent filament). Nếu bạn hay xài loại này thì nên chuyển sang dùng cảm biến cơ khí nhé.

Giấy phép

Tác phẩm này được cấp phép theo

Creative Commons — Attribution

CC-BY

Yêu cầu ghi công
Remix & Derivatives Được phép
Sử dụng thương mại Được phép

Model files

ALL MODEL FILES (1 files)
Loading files, please wait...
Vui lòng đăng nhập để bình luận.

Chưa có bình luận nào. Hãy là người đầu tiên!

Vui lòng đăng nhập để khoe bản in của bạn.

Chưa có bản in nào được khoe. Hãy là người đầu tiên!

Remixes (0)