Nắp Bịt Cho Thanh Nhôm EX-1030

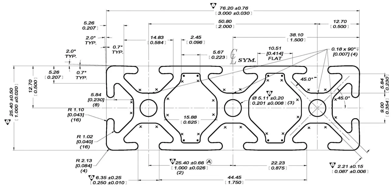
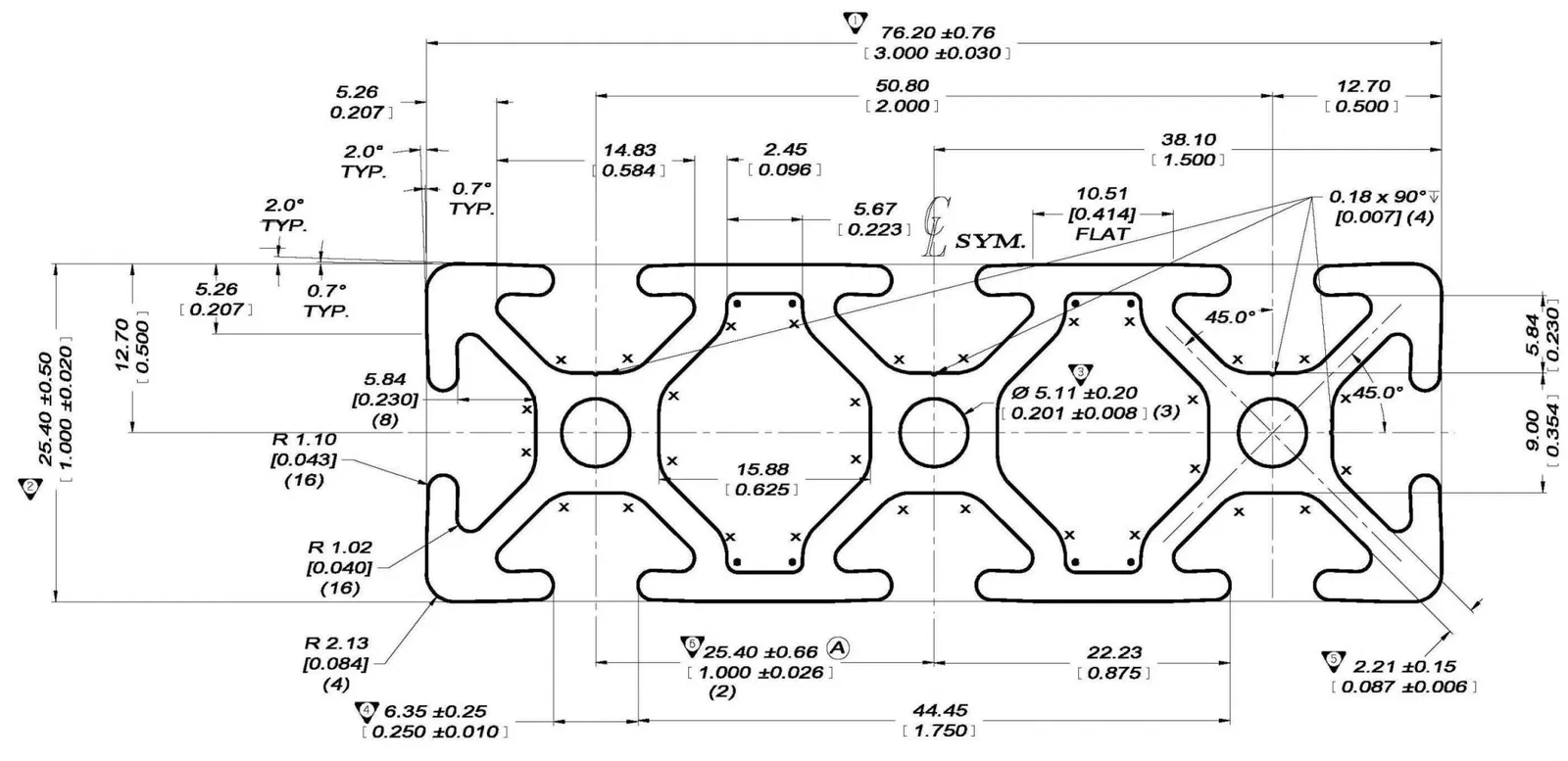
Tạo Nắp Bịt (End Cap) cho thanh nhôm định hình EX-1030, cũng tương thích với 80/20 #1030, T-SLOTS #650001 & McMaster #47065T511. Tui đã tạo cái này cho khung nhôm bàn cưa, ôm khít và không rớt. Có file Fusion 360 cho các kích thước khác.

👁️
262
Lượt Xem
❤️
14
Lượt Thích
📥
55
Lượt Tải
Cập Nhật Dec 20, 2025
Chi tiết
Tải xuống
Bình Luận
Khoe bản in
Remix

Mô tả

Nội dung được dịch bằng AI

Đây là mấy cái Nắp Bịt (End Cap) tui tự tạo để gắn cho cái khung nhôm tui dùng cho cái bàn cưa nha. Nó ôm khít lắm nên không có rớt ra đâu. Cái thanh nhôm này kích thước 1" x 3" và mọi người có thể tìm mua ở link này nha: https://www.tnutz.com/product/ex-1030/

Trong file Fusion 360 (.f3d) có sẵn các sketch cho thanh nhôm EX-1010, EX-1020 & EX-1030 luôn, nên mọi người có thể dễ dàng tạo Nắp Bịt cho mấy loại đó luôn nha.

Thông tin in ấn

Chất liệu: eSUN PLA+

Máy in: Prusa MK4 có Input Shaper, đầu phun .4mm

Độ dày lớp: 0.2 mm, Profile Cấu trúc

Các lớp: trên 5, dưới 5

Mối nối: phía sau

Chu vi: 3

Lòng trong: Lưới, 20%, loại nào cũng được

Support: Không có

Giấy phép

Tác phẩm này được cấp phép theo

Creative Commons — Attribution — Noncommercial

CC-BY-NC

Yêu cầu ghi công
Remix & phái sinh Được phép
Sử dụng thương mại Không được phép

File mô hình

TẤT CẢ FILE MÔ HÌNH (2 Tập tin)
Đang tải files, vui lòng chờ...
Vui lòng đăng nhập để bình luận.

Chưa có bình luận nào. Hãy là người đầu tiên!

Vui lòng đăng nhập để khoe bản in của bạn.

Chưa có bản in nào được khoe. Hãy là người đầu tiên!

Remix (0)