Tấm đệm cửa trước xe VW Bus

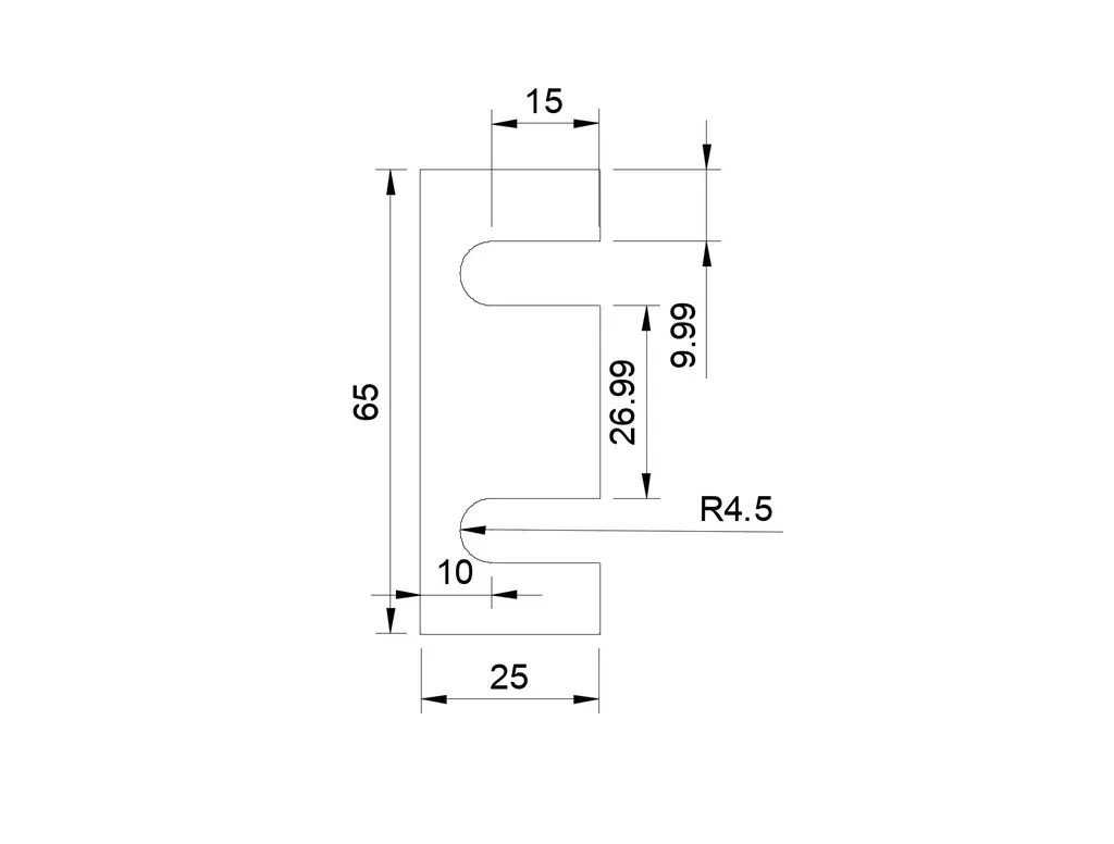
Khắc phục cửa trước bị xệ cho xe VW Bus. Anh em nên dùng mẫu này để cắt miếng đệm bằng lon nhôm cho chắc chắn nha.

👁️
227
Lượt Xem
❤️
2
Lượt Thích
📥
18
Lượt Tải
Cập Nhật Dec 20, 2025
Chi tiết
Tải xuống
Bình Luận
Khoe bản in
Remix

Mô tả

Nội dung được dịch bằng AI

Giúp khắc phục cửa trước bị xệ. Tốt nhất là dùng cái này làm khuôn mẫu rồi cắt miếng đệm thật từ lon nhôm nha.

Giấy phép

Tác phẩm này được cấp phép theo

Creative Commons — Attribution

CC-BY

Yêu cầu ghi công
Remix & phái sinh Được phép
Sử dụng thương mại Được phép

File mô hình

TẤT CẢ FILE MÔ HÌNH (1 Tập tin)
Đang tải files, vui lòng chờ...
Vui lòng đăng nhập để bình luận.

Chưa có bình luận nào. Hãy là người đầu tiên!

Vui lòng đăng nhập để khoe bản in của bạn.

Chưa có bản in nào được khoe. Hãy là người đầu tiên!

Remix (0)