Thin wall TARDIS with Lights and Sound

Rất nhiều không gian cho bác sĩ! Khi TARDIS được nâng lên, một con chip âm thanh và âm thanh sẽ kích hoạt và chơi bài hát chủ đề.

👁️
249
Lượt Xem
❤️
6
Lượt Thích
📥
42
Lượt Tải
Cập Nhật Nov 22, 2025
Chi tiết
Tải xuống
Bình Luận
Khoe bản in
Remix

Mô tả

Plenty of space for the Doctor! When the TARDIS is lifted a light and sound chip activates and plays the theme song.

PHASE ONE:

Designed and printed the model.

PHASE TWO:

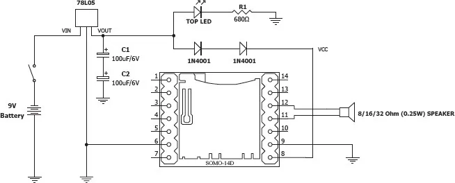
I already had a SOMO-14D for another project and discovered it would fit in the Tardis. After scavenging a few additional components the Tardis has a blinking top light and theme song. The sound chip has a micro SD slot, a 2GB chip provides plenty of space for the current Dr. Who theme (200K). Build time was about two hours and included the following:

1 - SOMO-14D Sound Module

2 - 4001 Diodes

1 - Sub-microswitch

1 - 680 ohm resistor

2 - 100uF 10v capacitors

1 - 78L05 regulator

1 - Blinking white LED

1 - Scavenged 1" diameter speaker

1 - 9v battery clip

So, my 50 cent TARDIS has turned into a $25 electronic geek toy, not counting the SD card. Oh well, finished it in time for the birthday girl.

PHASE THREE:

Printed the placard and signs for the top on a laser printer at 1200dpi. Attached them to the print with double sided tape. Uploaded a little video of it to YouTube. Enjoy!

Wiring diagram added 12-20-2013. Parts list updated 12-23-2013.

Instructions

Inspired by others, this is a fresh design that optimizes interior space. Will be adding electronics which will hopefully consist of flashing LED and sound chip activated when lifted.

Found plans for the full size TARDIS at TARDIS Builders, modeled it in Cinema 4D and scaled it down to fit my Thing-O-Matic. Interior is large enough for a 9v battery. Sliced and printed with Replicator 40, took just over 2 hours to print.

Category: 3D Printing

Giấy phép

Tác phẩm này được cấp phép theo

Creative Commons — Attribution

CC-BY

Yêu cầu ghi công
Remix & phái sinh Được phép
Sử dụng thương mại Được phép

File mô hình

TẤT CẢ FILE MÔ HÌNH (2 Tập tin)
Đang tải files, vui lòng chờ...
Vui lòng đăng nhập để bình luận.

Chưa có bình luận nào. Hãy là người đầu tiên!

Vui lòng đăng nhập để khoe bản in của bạn.

Chưa có bản in nào được khoe. Hãy là người đầu tiên!

Remix (0)