Hộp/Giá đỡ Endstop Lerge

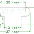
Hộp/Giá đỡ cho Endstop giá rẻ. Tui có mấy cái Endstop Lerge giá rẻ để gắn lên máy CNC chưa có sẵn, nên tui đã thiết kế 2 cái đế để đặt nó vào chỗ cần thiết.

👁️
139
Lượt Xem
❤️
2
Lượt Thích
📥
21
Lượt Tải
Cập Nhật Dec 20, 2025
Chi tiết
Tải xuống
Bình Luận
Khoe bản in
Remix

Mô tả

Tui có mấy cái Endstop Lerge giá rẻ để gắn lên máy CNC chưa có sẵn, nên tui đã thiết kế 2 cái đế để đặt nó vào chỗ cần thiết.

Giấy phép

Tác phẩm này được cấp phép theo

Creative Commons — Attribution — Noncommercial — Share Alike

CC-BY-NC-SA

Yêu cầu ghi công
Remix & phái sinh Được phép
Sử dụng thương mại Không được phép

File mô hình

TẤT CẢ FILE MÔ HÌNH (2 Tập tin)
Đang tải files, vui lòng chờ...
Vui lòng đăng nhập để bình luận.

Chưa có bình luận nào. Hãy là người đầu tiên!

Vui lòng đăng nhập để khoe bản in của bạn.

Chưa có bản in nào được khoe. Hãy là người đầu tiên!

Remix (0)