Quà Giáng Sinh 2023 - Làng Giáng Sinh cảm ứng chuyển động

2023 Quà tặng Giáng sinh cho tất cả - Làng Giáng sinh (cảm biến chuyển động), liên kết hướng dẫn điện tử bao gồm.

👁️
6.7K
Lượt Xem
❤️
248
Lượt Thích
📥
835
Lượt Tải
Cập Nhật Nov 22, 2025
Chi tiết
Tải xuống
Bình Luận
Khoe bản in
Remix

Mô tả

Nội dung được dịch bằng AI

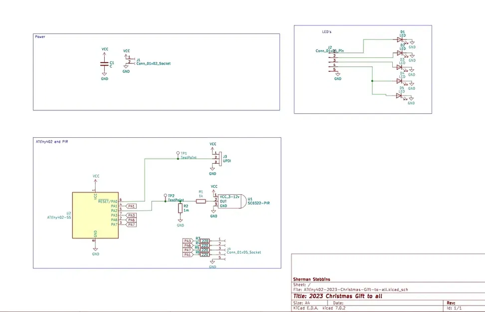
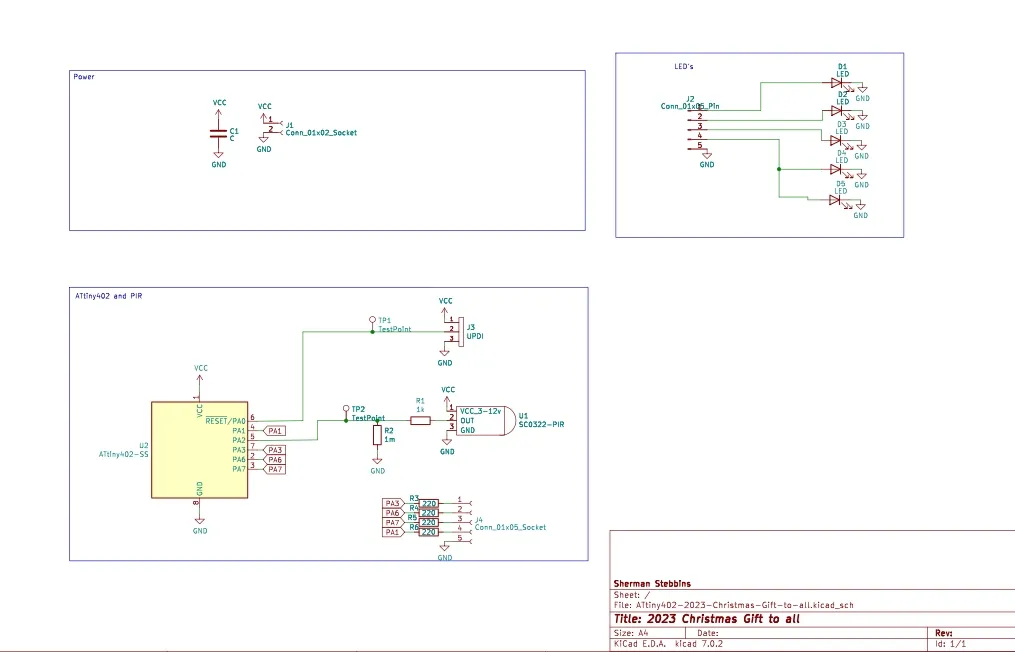
Cập nhật 11/1/2023: Tôi đã thêm một tệp STL trùng lặp mà không có lỗ PIR ở phía trước, vì vậy nếu bạn muốn không lắp đặt điện tử, hoặc hạn chế, bạn có thể sử dụng cái đó và không có lỗ ở phía trước. Làng Giáng Sinh Mini trong một lớp bảo vệ. Những thiết kế trước đây của tôi rất đẹp, nhưng dễ vỡ. Vì vậy, tôi đã thiết kế một "Món quà Giáng Sinh cho tất cả" mà các phần dễ vỡ được bảo vệ nhiều hơn. BẠN CÓ THỂ THÊM CÁC THIẾT BỊ ĐIỆN TỬ CỦA RIÊNG BẠN VÀ CÓ MỘT TRƯNG BÀY ĐẸP. Tôi cũng bao gồm các thiết bị điện tử mà tôi đã làm, ngay cả với một cảm biến chuyển động thụ động, vì vậy nó sẽ kéo dài lâu hơn với pin. Quy trình xây dựng được chi tiết hơn nhiều tại:

Chúc bạn vui vẻ,

Sherm

Giấy phép

Tác phẩm này được cấp phép theo

Creative Commons — Attribution — Noncommercial

CC-BY-NC

Yêu cầu ghi công
Remix & phái sinh Được phép
Sử dụng thương mại Không được phép

File mô hình

TẤT CẢ FILE MÔ HÌNH (2 Tập tin)
Đang tải files, vui lòng chờ...
Vui lòng đăng nhập để bình luận.

Chưa có bình luận nào. Hãy là người đầu tiên!

Vui lòng đăng nhập để khoe bản in của bạn.

Chưa có bản in nào được khoe. Hãy là người đầu tiên!

Remix (0)