Bạc đạn phuộc cho xe đạp địa hình Trung Quốc 24mm ID

Một con dấu ngã ba tôi thiết kế cho một người bạn không thể xác định vị trí phần dự phòng.

👁️
85
Lượt Xem
❤️
8
Lượt Thích
📥
10
Lượt Tải
Cập Nhật Nov 22, 2025
Chi tiết
Tải xuống
Bình Luận
Khoe bản in
Remix

Mô tả

Nội dung được dịch bằng AI

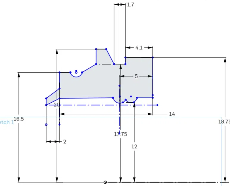
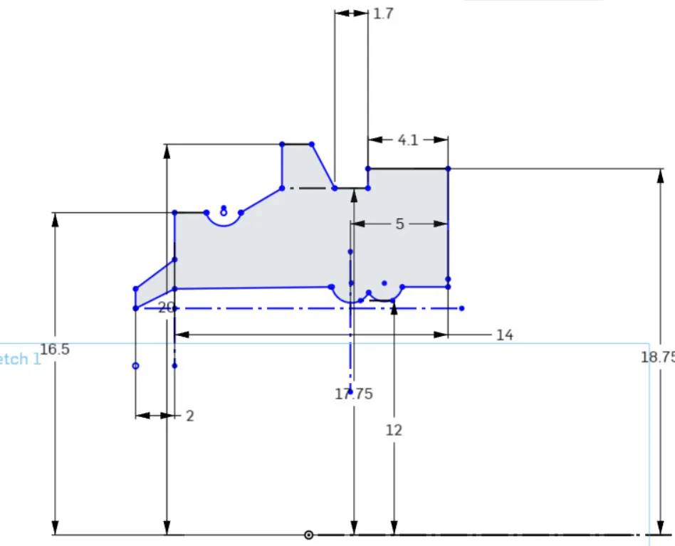
Tôi đã làm điều này bằng cách đo con dấu gốc mà một người bạn cung cấp vì anh ấy không thể tìm thấy bộ phận thay thế liên quan trên internet. In ở 100% TPU với mặt phẳng xuống không cần hỗ trợ. Tôi được đảm bảo rằng nó vừa vặn tốt. Tôi đã phải in với độ phân giải cao 0.12 mm chiều cao lớp và đã điều chỉnh phần nhô ra để tạo độ dốc nhằm tránh vật liệu hỗ trợ, điều này có thể khó gỡ bỏ. Tôi cũng đã gấp đôi vòng đệm bên trong để tăng cường tiếp xúc.

Giấy phép

Tác phẩm này được cấp phép theo

Creative Commons — Attribution

CC-BY

Yêu cầu ghi công
Remix & phái sinh Được phép
Sử dụng thương mại Được phép

File mô hình

TẤT CẢ FILE MÔ HÌNH (1 Tập tin)
Đang tải files, vui lòng chờ...
Vui lòng đăng nhập để bình luận.

Chưa có bình luận nào. Hãy là người đầu tiên!

Vui lòng đăng nhập để khoe bản in của bạn.

Chưa có bản in nào được khoe. Hãy là người đầu tiên!

Remix (0)