Bộ chuyển đổi sản xuất hàng loạt cho Arduino

Các bộ điều hợp Arduino cho giá của Hội đồng quản trị Arduino đã tăng lên gần đây, và vì tôi có rất nhiều chip atmega88

👁️
705
Lượt Xem
❤️
8
Lượt Thích
📥
19
Lượt Tải
Cập Nhật Nov 20, 2025
Chi tiết
Tải xuống
Bình Luận
Khoe bản in
Remix

Mô tả

Bộ chuyển đổi Arduino cho sản xuất hàng loạt

Giá của bảng Arduino đã tăng lên gần đây, và vì tôi có rất nhiều chip Atmega88 nằm xung quanh, đã đến lúc sản xuất hàng loạt những chiếc Arduino đơn giản của tôi. Với các bộ chuyển đổi, người ta có thể tải chương trình Arduino ISP và/hoặc chương trình người dùng vào một chip thô chỉ trong vài giây. Hàn chip TQFP lên PCB đã hoàn thiện, đặt nó vào bộ chuyển đổi. Các chân pogo tiếp xúc và bạn có thể bắt đầu.

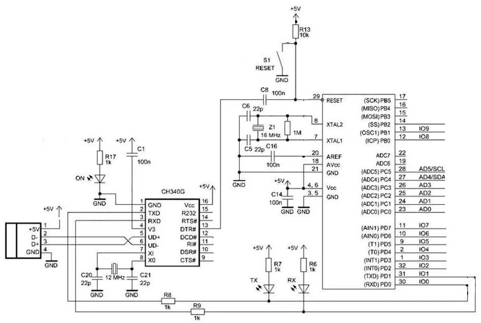
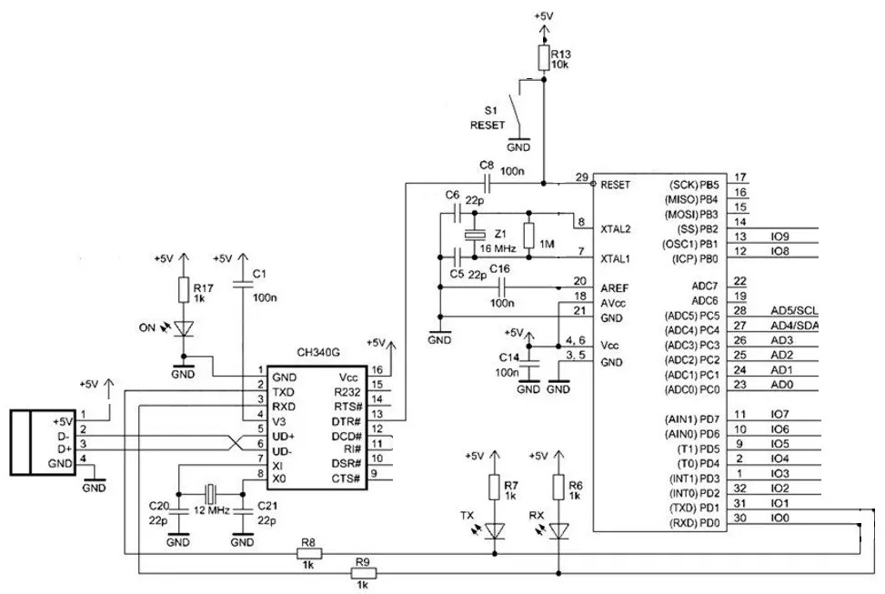
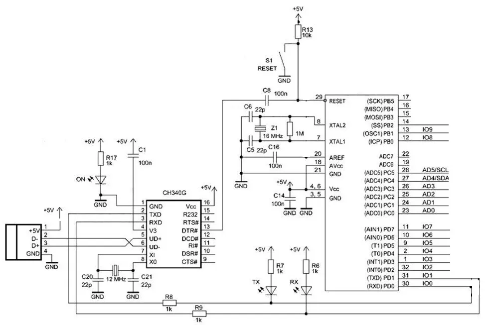
Bảng Arduino tối giản chỉ có hai linh kiện bổ sung, hoạt động trên đồng hồ nội bộ 8 MHz, dải cung cấp từ 2.7 đến 5V. Cung cấp nó với 3.3V để không cần thay đổi mức cho các thiết bị 3.3V. Atmega 8, 88, 168, 328 đều ổn.

Tuy nhiên, cần lưu ý rằng tần số của bộ dao động nội bộ có thể không đủ chính xác cho việc tải chương trình, vì vậy bộ dao động tinh thể bên ngoài được khuyến nghị mạnh mẽ.

Các linh kiện: chip Atmel TQFP32, PCB bộ chuyển đổi TQFP32, chân pogo đầu 1.3 mm, cáp phẳng có đầu nối, bộ chuyển đổi USB sang serial (phải có tín hiệu DTR), Arduino (UNO) hoạt động hoặc bảng USB_ISP. Nguồn: Aliexpress, Ebay, v.v. Phần mềm: Extreme Burner AVR.

In 3D các linh kiện. Lấy một bảng chuyển đổi TQFP và khoan các vị trí chân pogo lên 1mm (xem cách bố trí chân bên dưới). Cắt một mạch PCB perfboard có kích thước tương tự và khoan nó lên 1mm nữa. Đẩy ba chân pogo qua, kiểm tra chiều cao chân với mảnh 3D và hàn chúng vào bảng bộ chuyển đổi từ phía sau, tránh để bất kỳ hàn nào chạm vào cổ chân. Khi làm điều này, đẩy các chân vào PCB thứ hai sao cho chúng chỉ nhô ra và cũng hàn các điểm này. Độ chính xác là rất quan trọng. Hàn phần còn lại của các chân, còn có chỗ cho các tụ lọc và mạch RC reset giữa các PCB nữa. Cuối cùng, kéo và hàn cáp (phẳng) vào lắp ráp.

Hàn chip lên PCB TQFP, xem bên dưới cách thực hiện. Không cần các linh kiện khác tại thời điểm này.

Chương trình tải ISP: giữ chặt PCB trong bộ chuyển đổi AVR-ISP và chạy ví dụ Arduino ArduinoISP, hoặc Extreme Burner với tệp hex ISP và fuse đúng. Chọn đồng hồ nội 8Mhz, phần còn lại là mặc định. Cả hai chương trình đều báo cáo việc ghi thành công. Lập trình bo mạch đầu tiên của bạn với một Uno và lưu các tệp và dữ liệu fuse cho Extreme Burner từ đó.

Chương trình người dùng tải: khóa PCB trong bộ chuyển đổi (với một que diêm, xem hình), kết nối với bộ chuyển đổi USB-Serial.

Sắp xếp chân bộ chuyển đổi AVR-ISP: 3 GND, 4 +5V, 29 Reset, 15 MOSI, 16 MISO, 17 SCLK. 100nF SMD giữa 3-4.

Sắp xếp chân bộ chuyển đổi Arduino: 3 GND, 4 +5V, 29 hai phần kết nối: 10kOhm đến chân 4, 100nF đến DTR, 30 RXD, 31 TXD. 100nF SMD giữa 3-4.

RXD của bộ chuyển đổi kết nối với TXD của USB Serial và ngược lại. Nếu điều này không hoạt động, hoán đổi dây, kiểm tra các kết nối với DVM: Arduino 30- CH340 2, 31-3, DTR - 13.

Hệ thống Arduino tối giản: chip Atmega, 10k từ chip29 đến chip4, 100nF đến 29 (cắt đường PCB đến chân 29 và hàn 100nf qua chỗ cắt, tạo ra một điểm DTR tốt trên PCB của bộ chuyển đổi). Để có một hệ thống đầy đủ, xem sơ đồ Arduino. Nếu bạn thêm một tinh thể thạch anh, cần phải chạy lại AVR-ISP với cài đặt đồng hồ mới.

Hàn chip trên PCB bằng một mũi hàn bình thường: bôi flux lên PCB, định vị chip, lấy một lượng rất nhỏ hàn tươi bằng đầu mũi hàn. Định vị mũi hàn dọc theo đường giữa của chân góc chip. Chạm đầu hàn vào cuối chân của chip, làm nóng nó để thấy thiếc chảy vào. Hàn góc đối diện, kiểm tra vị trí một lần nữa và lặp lại điều này với tất cả các chân. Không bao giờ tiếp cận một chân từ bên, điều này sẽ làm ngắn kết nối nhiều chân cùng một lúc. Sử dụng bấc hàn với flux để loại bỏ kết nối ngắn.

Danh mục: Điện tử

Giấy phép

Tác phẩm này được cấp phép theo

Creative Commons — Attribution

CC-BY

Yêu cầu ghi công
Remix & phái sinh Được phép
Sử dụng thương mại Được phép

File mô hình

TẤT CẢ FILE MÔ HÌNH (8 Tập tin)
Đang tải files, vui lòng chờ...
Vui lòng đăng nhập để bình luận.

Chưa có bình luận nào. Hãy là người đầu tiên!

Vui lòng đăng nhập để khoe bản in của bạn.

Chưa có bản in nào được khoe. Hãy là người đầu tiên!

Remix (0)