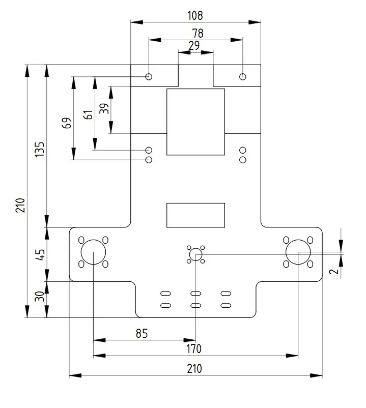
Bảng nâng cấp trục Z kép cho máy in Ender 5

Đây là một tấm để nâng cấp Ender 5 lên máy in trục Z kép

👁️
1.9K
Lượt Xem
❤️
20
Lượt Thích
📥
107
Lượt Tải
Cập Nhật Nov 19, 2025
Chi tiết
Tải xuống
Bình Luận
Khoe bản in
Remix

Mô tả

Hầu hết các bộ nâng cấp Ender 5 lên trục Z đôi đều được cung cấp với một tấm để xây dựng trục Z thứ hai bên trong khung Ender 5. Thật không may, điều này sẽ làm giảm kích thước in của bàn in của bạn vì đầu nóng có thể va chạm với trục vít. Đặc biệt nếu bạn đã thêm một bộ làm mát quạt đôi như Satsana, Hero Me, v.v.

Tấm này thay thế mô hình của bộ, do đó trục Z thứ hai được xây dựng bên ngoài khung Ender 5. Giống như tấm của bộ, nó sẽ kẹp tấm bàn Ender 5 để bạn không phải khoan lỗ hoặc thực hiện bất kỳ sửa đổi nào cho tấm bàn Ender 5.

Để kẹp tấm bàn Ender 5, bạn có thể sử dụng:

  • Hai tấm được cung cấp trong bộ (nhưng chúng hơi dày một chút).
  • Hai tấm 120 x 25 x 2 (OMIdeas hoặc bất kỳ loại nào khác). Như bạn có thể thấy trong các bức ảnh, tôi đã sử dụng 4 tấm OMIdeas. Hai tấm ở trên và hai tấm ở dưới tấm để tăng cường độ chắc chắn.

In ấn:

  • Vật liệu: PLA ; PTEG
  • Chiều cao lớp: 0.2mm
  • Độ lấp đầy: 80% - 100%

---

Tấm OMIdeas:

Bộ trục đôi Ender 5:

https://www.aliexpress.com/w/wholesale-ender-5-dual-z-upgrade-kit.html?catId=0&initiative_id=AS_20230603004857&SearchText=ender+5+dual+z+upgrade+kit&spm=a2g0o.home.1000002.0

Giấy phép

Tác phẩm này được cấp phép theo

Creative Commons — Attribution — Share Alike

CC-BY-SA

Yêu cầu ghi công
Remix & phái sinh Được phép
Sử dụng thương mại Được phép

File mô hình

TẤT CẢ FILE MÔ HÌNH (2 Tập tin)
Đang tải files, vui lòng chờ...
Vui lòng đăng nhập để bình luận.

Chưa có bình luận nào. Hãy là người đầu tiên!

Vui lòng đăng nhập để khoe bản in của bạn.

Chưa có bản in nào được khoe. Hãy là người đầu tiên!

Remix (0)