Bệ gắn nút nhấn 12x12mm (12x12mm push button mount)

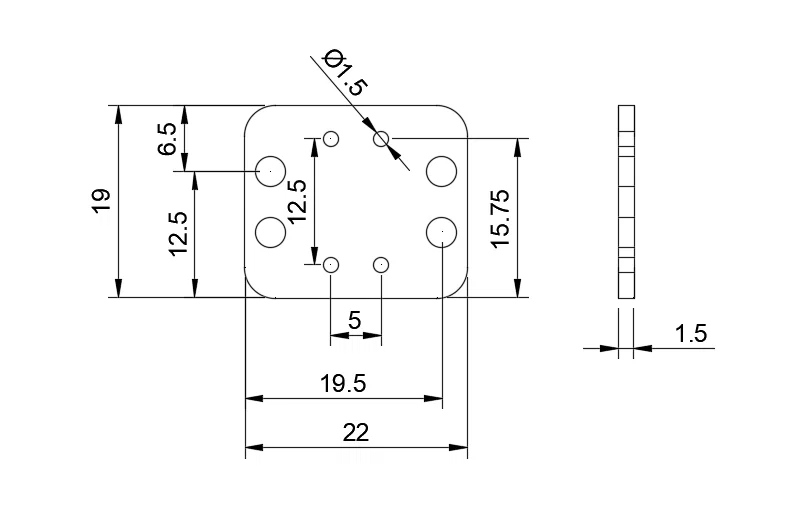
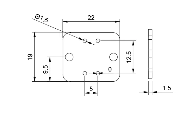
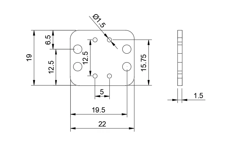
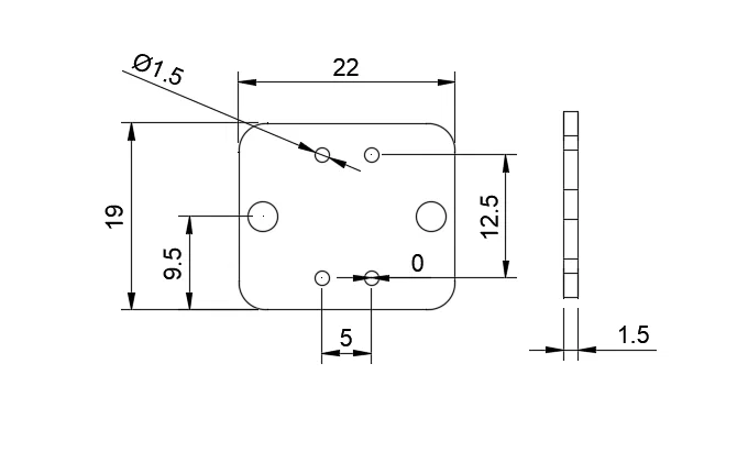
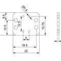
Bệ gắn đơn giản cho nút nhấn 12x12mm. Có 2 phiên bản 2 lỗ và 4 lỗ vít, hỗ trợ vít m1.6/m2/m3. In PLA ổn khi hàn dây, hoặc chọn ABS/PET nếu cần chịu nhiệt tốt hơn.

👁️
793
Lượt Xem
❤️
12
Lượt Thích
📥
126
Lượt Tải
Cập Nhật Apr 30, 2026
Chi tiết
Tải xuống
Bình Luận
Khoe bản in
Remix

Mô tả

Mình cần một cách đơn giản để gắn nút nhấn 12mm cho dự án gần đây (), nên mình làm mẫu này.

Có 2 phiên bản (loại 2 lỗ vít và 4 lỗ vít), mỗi loại có các cỡ cho vít m1.6, m2 và m3.

Mình in bằng PLA và không gặp vấn đề khi hàn dây vào nút, nhưng nếu muốn yên tâm hơn thì bạn có thể in bằng vật liệu chịu nhiệt tốt hơn như ABS hoặc PET.

Mình cũng có làm thêm mount cho nếu bạn cần loại đó hơn.

Giấy phép

Tác phẩm này được cấp phép theo

Creative Commons — Attribution — Noncommercial

CC-BY-NC

Yêu cầu ghi công
Remix & phái sinh Được phép
Sử dụng thương mại Không được phép

File mô hình

TẤT CẢ FILE MÔ HÌNH (18 Tập tin)
Đang tải files, vui lòng chờ...
Vui lòng đăng nhập để bình luận.

Chưa có bình luận nào. Hãy là người đầu tiên!

Vui lòng đăng nhập để khoe bản in của bạn.

Chưa có bản in nào được khoe. Hãy là người đầu tiên!

Remix (0)