Adapter pin Parkside - Einhell Battery Adapter

Adapter giúp gắn pin Einhell 18V lên dụng cụ Parkside, có chỗ tiếp xúc NTC và thiết kế tiếp điểm đơn giản. Khuyến nghị in đứng (vertical), dùng PETG/ABS, infill 15–20% và có supports.

👁️
6.4K
Lượt Xem
❤️
143
Lượt Thích
📥
948
Lượt Tải
Cập Nhật Apr 29, 2026
Chi tiết
Tải xuống
Bình Luận
Khoe bản in
Remix

Mô tả

+++Cập nhật 09.03.2024+++

Mình nhận được phản hồi là cái adapter này có vẻ không khớp với tất cả dụng cụ Parkside của mọi người. Nói thiệt là lúc thiết kế, mình không có pin Parkside “zin” để đo đối chiếu! Mình chỉ dùng cái cưa Parkside của mình để reverse engineering phần interface. Nên có vẻ như phần interface phía dụng cụ (tool side) có thể khác nhau chút xíu tùy mẫu. Dù vậy, mình đã chia sẻ file STEP cho Tom (@tomTTU) và bạn ấy đã chỉnh sửa một vài chỗ. Mọi người cứ thoải mái dùng bản adapter đã chỉnh sửa (einhell-parkside-adapter_v2.stl).

Model:

Model này là adapter để gắn pin Einhell với dụng cụ Parkside. Thiết kế ưu tiên kiểu tiếp điểm điện đơn giản. Có vẻ dụng cụ Parkside cần chân tiếp xúc NTC. Vì vậy trong thiết kế của mình có tích hợp luôn khoang/chỗ đặt tiếp điểm NTC. Mình khuyến nghị in adapter theo phương đứng (vertical) để bề mặt mịn hơn. Sau khi in xong, bạn cần cắt bỏ các cầu nối nhỏ xíu ở phía đáy (xem hình minh họa).

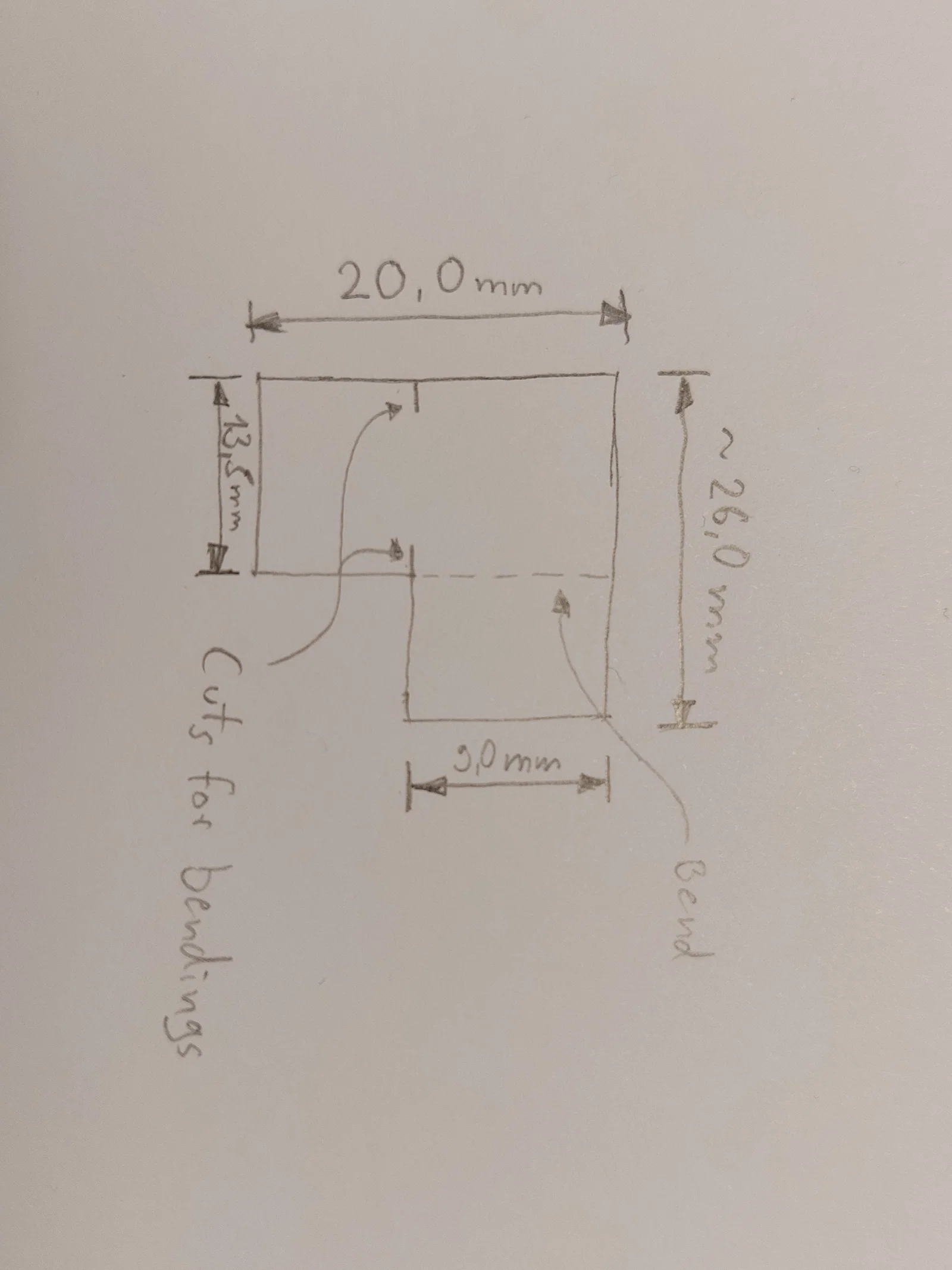
Contact Design:

Để làm phần tiếp điểm, bạn chỉ cần tấm kim loại (ưu tiên đồng) dày 0,6mm và nếu cần thì dùng mỏ hàn để phủ thêm thiếc nhằm tiếp xúc tốt hơn. Mình có làm một bản vẽ kích thước vật liệu cần chuẩn bị. Bạn xem thêm hình để dễ hình dung. Việc chấm/ phủ một lớp thiếc bằng mỏ hàn lên các tiếp điểm có thể sẽ giúp ích.

Recommended printer settings:
Supports: yes

Material: PETG, ABS

Infill: 15-20%

Giấy phép

Tác phẩm này được cấp phép theo

Creative Commons — Attribution — Noncommercial — Share Alike

CC-BY-NC-SA

Yêu cầu ghi công
Remix & phái sinh Được phép
Sử dụng thương mại Không được phép

File mô hình

TẤT CẢ FILE MÔ HÌNH (2 Tập tin)
Đang tải files, vui lòng chờ...
Vui lòng đăng nhập để bình luận.

Chưa có bình luận nào. Hãy là người đầu tiên!

Vui lòng đăng nhập để khoe bản in của bạn.

Chưa có bản in nào được khoe. Hãy là người đầu tiên!

Remix (0)