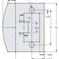
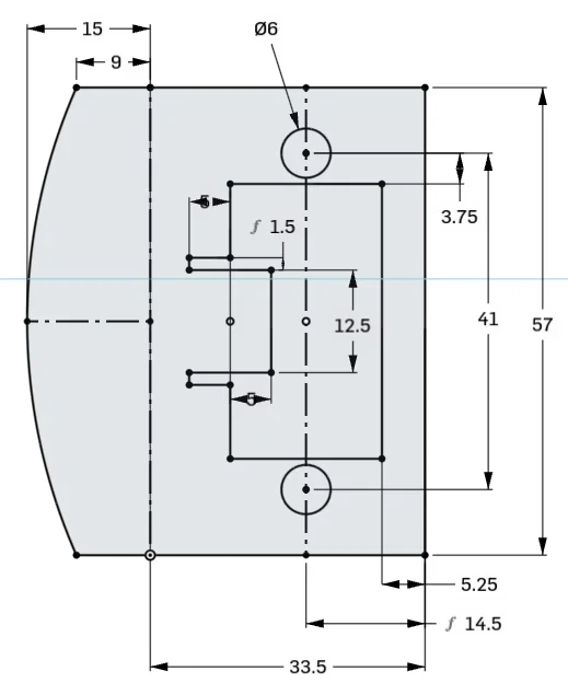
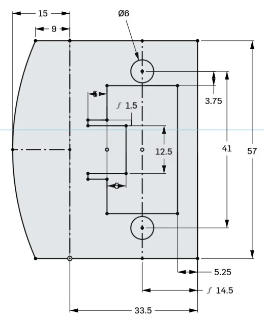
Miếng strike plate cửa trong nhà (Interior Door Strike Plate)

Mẫu Interior Door Strike Plate in 3D dạng heatset để thay/điều chỉnh miếng strike plate do cửa lệch theo thời gian. Có file DXF để laser cut, gợi ý file CutTongue để bẻ góc lỗ latch dễ hơn. In PETG hoặc vật liệu bán cứng.

👁️
628
Lượt Xem
❤️
8
Lượt Thích
📥
125
Lượt Tải
Cập Nhật Apr 26, 2026
Chi tiết
Tải xuống
Bình Luận
Khoe bản in
Remix

Mô tả

Mình cần chỉnh lại miếng strike plate (ốp chốt cửa) do nhà bị lún/settling theo thời gian. Thay vì phải giũa bớt mấy miếng kim loại đã lắp sẵn, mình quyết định làm một mẫu có thể bẻ/bo theo đúng vị trí cửa bằng heat gun.

Có kèm file DXF để bạn có thể laser cut chi tiết này từ các vật liệu phù hợp.

Mình chưa test, nhưng file CutTongue (về lý thuyết) có thể giúp bẻ góc gắt ở phần lỗ latch bên trong dễ hơn.

Mình in bằng PETG, nhưng nhìn chung vật liệu bán cứng (semi rigid) nào cũng ổn.

Giấy phép

Tác phẩm này được cấp phép theo

Creative Commons — Attribution — Noncommercial

CC-BY-NC

Yêu cầu ghi công
Remix & phái sinh Được phép
Sử dụng thương mại Không được phép

File mô hình

TẤT CẢ FILE MÔ HÌNH (2 Tập tin)
Đang tải files, vui lòng chờ...
Vui lòng đăng nhập để bình luận.

Chưa có bình luận nào. Hãy là người đầu tiên!

Vui lòng đăng nhập để khoe bản in của bạn.

Chưa có bản in nào được khoe. Hãy là người đầu tiên!

Remix (0)