Bộ phụ kiện in 3D mở rộng cho khung nhôm định hình 2020

Bạn đang sở hữu một chiếc máy in 3D hoặc máy CNC mini sử dụng hệ khung nhôm định hình 2020? Bộ phụ kiện 3D tiện ích này chính là giải pháp hoàn hảo giúp bạn mở rộng tính năng cho khung máy mà không cần phải khoan lỗ phức tạp. Được thiết kế chuyên biệt cho khe 2020 (Nut 5), các chi tiết này cho phép bạn dễ dàng gá lắp thêm linh kiện, giá đỡ hoặc quản lý dây cáp một cách gọn gàng và khoa học. Sản phẩm bao gồm nhiều mẫu phụ kiện khác nhau, được in với độ chính xác cao để đảm bảo sự cứng cáp, bền bỉ khi vận hành. Đây là lựa chọn không thể thiếu cho các dự án DIY, giúp bạn tối ưu hóa cấu trúc máy, tăng độ thẩm mỹ và nâng cao hiệu suất làm việc cho các thiết bị tự lắp ráp của mình.

👁️
621
Lượt Xem
❤️
30
Lượt Thích
📥
146
Lượt Tải
Cập Nhật Apr 23, 2026
Chi tiết
Tải xuống
Bình Luận
Khoe bản in
Remix

Mô tả

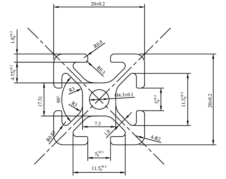
Các phụ kiện mở rộng cho khung nhôm định hình 2020

Nếu bạn là một người yêu thích chế tạo máy in 3D, máy CNC mini hoặc các thiết bị tự làm (DIY), chắc hẳn bạn đã quá quen thuộc với hệ thống khung nhôm định hình 2020. Bộ phụ kiện này được thiết kế chuyên biệt để bạn gắn kết, tùy chỉnh và mở rộng tính năng cho các thanh nhôm 2020 của mình một cách dễ dàng và thẩm mỹ nhất. Các chi tiết in 3D này giúp bạn lắp đặt thêm giá đỡ, điểm cố định hoặc các thành phần bổ trợ mà không cần phải khoan lỗ trực tiếp lên khung nhôm, giúp bảo vệ cấu trúc vật liệu bền bỉ hơn.

Việc sử dụng các phụ kiện được thiết kế tối ưu cho khe 2020 (Nut 5) mang lại sự linh hoạt cực lớn khi cần thay đổi thiết kế máy. Bạn chỉ cần trượt các phụ kiện này vào khe nhôm, cố định tại vị trí mong muốn và gắn các thành phần cần thiết lên. Điều này cực kỳ hữu ích khi bạn muốn nâng cấp cấu trúc, thêm cảm biến hoặc tạo các điểm gá lắp cho dây cáp, phụ kiện trang trí hoặc linh kiện kỹ thuật chuyên dụng khác mà vẫn đảm bảo độ chắc chắn cao.

  • Tương thích hoàn hảo với hệ thống nhôm định hình 2020 tiêu chuẩn (khe Nut 5).
  • Giúp tiết kiệm thời gian lắp ráp, không cần khoan cắt gây hư hại thanh nhôm.
  • Độ chính xác cao, ôm sát theo biên dạng nhôm giúp mối nối cứng cáp và không bị rung lắc.
  • Lời khuyên khi in: Nên dùng nhựa PETG hoặc ABS để đảm bảo khả năng chịu lực và nhiệt độ tốt hơn nếu máy in hoạt động liên tục.
  • Thông số in gợi ý: Độ dày lớp in (layer height) từ 0.2mm, infill từ 40% để tăng độ cứng.
  • Lưu ý: Luôn kiểm tra dung sai của máy in 3D cá nhân để điều chỉnh kích thước nếu cần thiết, đảm bảo độ bám chặt tối ưu vào khe nhôm.

Bộ phụ kiện này là trợ thủ đắc lực giúp bạn tùy biến không gian làm việc và cấu trúc máy móc một cách chuyên nghiệp. Bằng cách tận dụng các mẫu in này, bạn sẽ làm chủ hoàn toàn việc sắp xếp các thành phần trên khung nhôm, biến những ý tưởng lắp ráp phức tạp thành hiện thực chỉ trong vài bước đơn giản.

Giấy phép

Tác phẩm này được cấp phép theo

Creative Commons — Attribution — Noncommercial — Share Alike

CC-BY-NC-SA

Yêu cầu ghi công
Remix & phái sinh Được phép
Sử dụng thương mại Không được phép

File mô hình

TẤT CẢ FILE MÔ HÌNH (4 Tập tin)
Đang tải files, vui lòng chờ...
Vui lòng đăng nhập để bình luận.

Chưa có bình luận nào. Hãy là người đầu tiên!

Vui lòng đăng nhập để khoe bản in của bạn.

Chưa có bản in nào được khoe. Hãy là người đầu tiên!

Remix (0)