Bộ chuyển đổi QUICKO cho pin Parkside 20V thành trạm hàn

Bộ điều hợp cho phép bạn chuyển đổi pin Parkside thành trạm hàn với Quicko T12-942 nhỏ gọn nhỏ gọn

👁️
2.2K
Lượt Xem
❤️
19
Lượt Thích
📥
169
Lượt Tải
Cập Nhật Nov 19, 2025
Chi tiết
Tải xuống
Bình Luận
Khoe bản in
Remix

Mô tả

Tôi đã chuẩn bị một dự án trạm hàn đơn giản sử dụng pin PARKSIDE 20V và mũi hàn QUICKO T12-942 hoạt động bằng 24V. Kết quả là một mũi hàn di động tiện lợi.

Giá đỡ mũi hàn có thể thay thế bao phủ toàn bộ đầu mũi hàn, cho phép vận hành an toàn, ví dụ, trong ô tô. Tôi đã sử dụng một ổ cắm 13-mm cũ cho việc này, và nó hoạt động hoàn hảo.

Dự án được phát triển cho mục đích của Parkside, và tôi không dự định sử dụng bất kỳ pin nào khác, vì vậy bộ chuyển đổi là một khối, nhưng nó có thể được sửa đổi nếu cần.

Nguyên liệu
  • 2x đầu nối đực đồng 6.3 mm
  • Dây cáp 2x0.75+ 15-20 cm
  • Đầu nối DC 5.5x2.1
  • Keo nóng
  • (tùy chọn) ½" Ổ cắm sâu 13mm
  • (tùy chọn) 4x chèn ren M3x3mm & M3x6mm SHCS
In ấn

Bạn có thể cần thay đổi hướng của đối tượng để in

Tôi đã sử dụng PLA để in, chiều cao lớp 0.2mm, số lượng tường 3, độ đặc 20%, và hỗ trợ nơi cần thiết. Bạn cũng có thể sử dụng cài đặt mặc định của máy in của bạn.

Rõ ràng là tốt hơn khi in bằng PETG

Lắp ráp

Chuẩn bị dây cáp bằng cách bấm đầu nối ở một đầu và hàn phích DC ở đầu kia. Kéo đầu dây cáp vào và đặt các đầu nối vào các lỗ tương ứng của chúng. Đảm bảo cực tính đúng. Kiểm tra độ vừa vặn với pin và thử cấp điện cho mũi hàn. Nếu mọi thứ ổn, hãy đổ keo nóng vào khoang và để nguội. Nhấn vỏ QUICKO vào bộ chuyển đổi, và nó sẽ giữ chặt mà không cần sử dụng keo hoặc vít.

Kết nối nó với pin, và bạn đã xong.

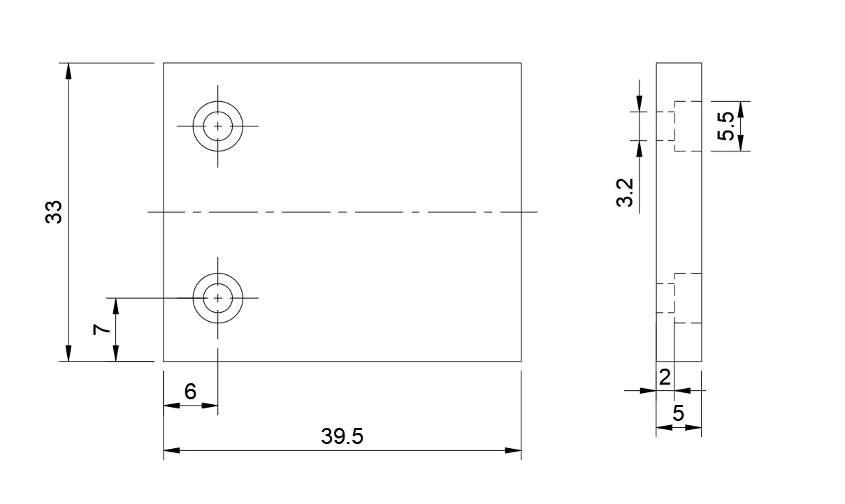
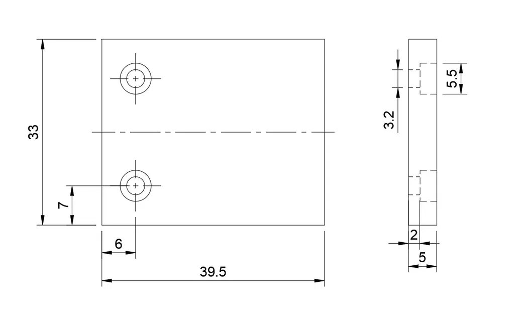
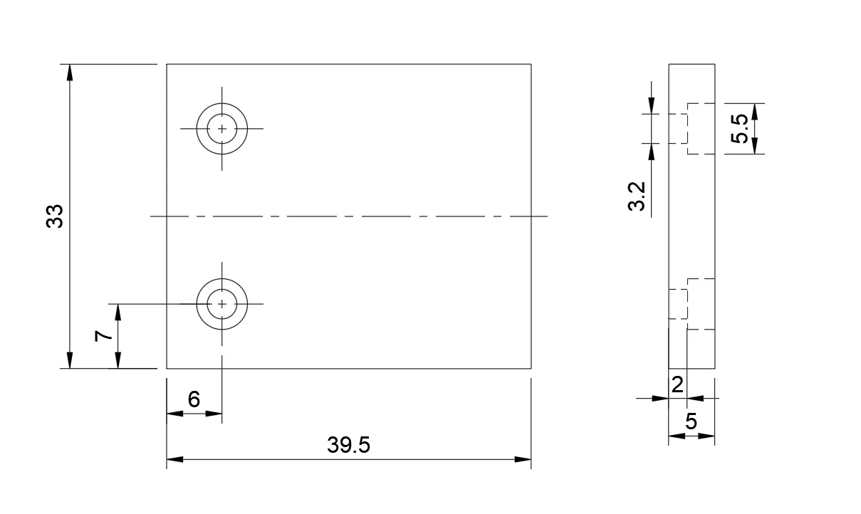
Phiên bản cập nhật với hai tường và một bức ảnh với kích thước để tạo phụ kiện của riêng bạn.

Giấy phép

Tác phẩm này được cấp phép theo

Creative Commons — Attribution

CC-BY

Yêu cầu ghi công
Remix & phái sinh Được phép
Sử dụng thương mại Được phép

File mô hình

TẤT CẢ FILE MÔ HÌNH (4 Tập tin)
Đang tải files, vui lòng chờ...
Vui lòng đăng nhập để bình luận.

Chưa có bình luận nào. Hãy là người đầu tiên!

Vui lòng đăng nhập để khoe bản in của bạn.

Chưa có bản in nào được khoe. Hãy là người đầu tiên!

Remix (0)