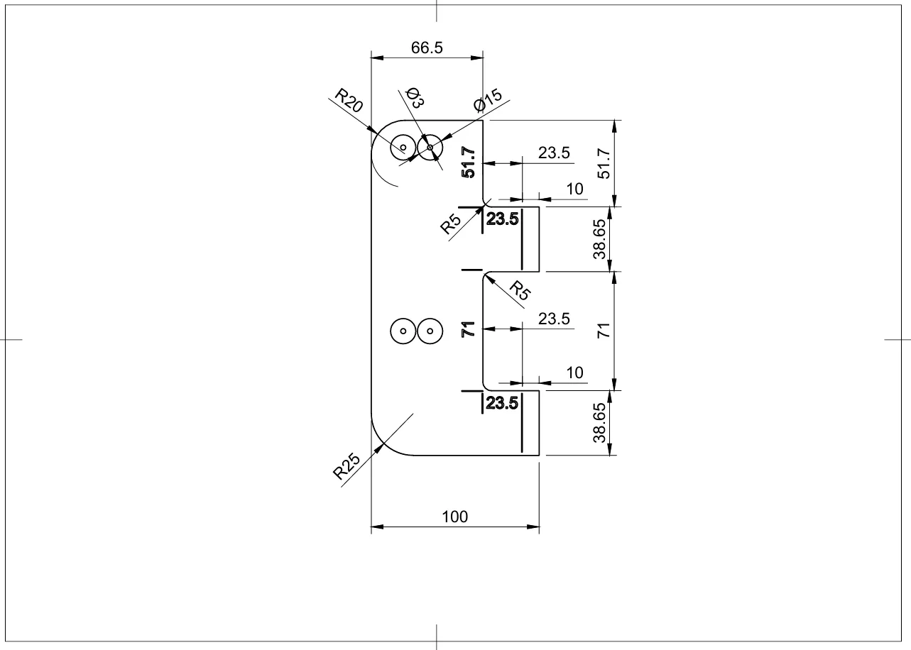
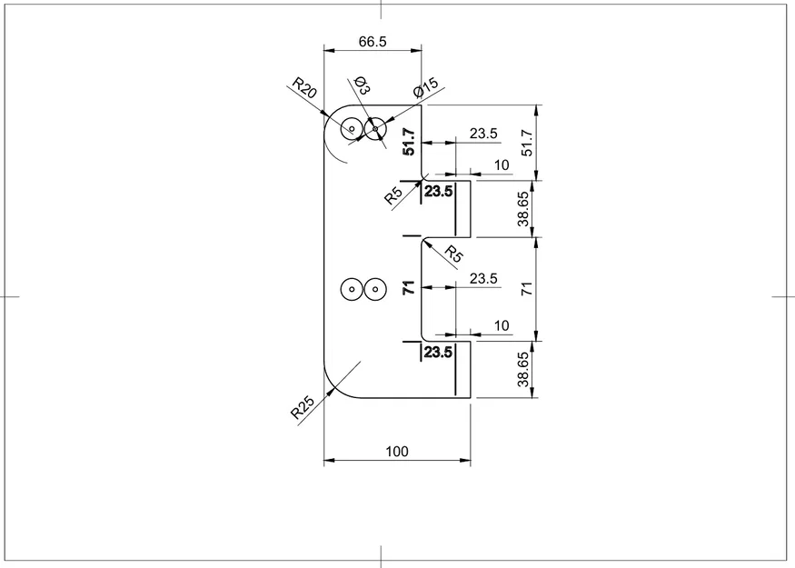
Dưỡng Soi Cạnh Gola Profile (Edge Trimming Gola Gauge Template Tool)

Dưỡng soi cạnh chuyên dụng cho hệ Gola, hỗ trợ làm tủ và ngăn kéo không tay nắm. Thiết kế gọn nhẹ, dễ sử dụng, là trợ thủ đắc lực cho các bác thợ mộc trong xưởng chế tác.

👁️
827
Lượt Xem
❤️
18
Lượt Thích
📥
139
Lượt Tải
Cập Nhật Apr 16, 2026
Chi tiết
Tải xuống
Bình Luận
Khoe bản in
Remix

Mô tả

Đây là mẫu dưỡng dùng để soi cạnh (edge trimming template) cho các cấu hình Gola, giúp bạn làm ngăn kéo hoặc tủ không tay nắm để tạo vẻ ngoài tinh tế, hiện đại. Dụng cụ này được thiết kế theo yêu cầu với kích thước hiện tại, mình sẽ cập nhật thêm các kích thước khác trong tương lai hoặc theo nhu cầu của mọi người. Tóm lại, đây là một món đồ cực kỳ hữu ích cho bất kỳ bác thợ mộc nào. Nó rất gọn nhẹ, dễ sử dụng và không chiếm diện tích trên bàn làm việc của bạn.

Hy vọng mọi người thích các mô hình của mình, chúc các bác làm việc vui vẻ và in ấn thành công!

Giấy phép

Tác phẩm này được cấp phép theo

Standard Digital File License

Standard Digital File

Yêu cầu ghi công
Remix & phái sinh Không được phép
Sử dụng thương mại Không được phép

File mô hình

TẤT CẢ FILE MÔ HÌNH (2 Tập tin)
Đang tải files, vui lòng chờ...
Vui lòng đăng nhập để bình luận.

Chưa có bình luận nào. Hãy là người đầu tiên!

Vui lòng đăng nhập để khoe bản in của bạn.

Chưa có bản in nào được khoe. Hãy là người đầu tiên!

Remix (0)