Giá đỡ đơn giản cho bộ kit LED trái tim tự lắp ráp

Đây là mẫu giá đỡ cho bộ kit LED trái tim nhấp nháy, món quà lý tưởng để học hàn linh kiện điện tử. Thiết kế thông minh, dễ lắp ráp, hỗ trợ gắn ốc vít M3 chắc chắn. Rất thích hợp làm món quà ý nghĩa hoặc dự án trang trí sáng tạo cho bàn làm việc.

👁️
23
Lượt Xem
❤️
1
Lượt Thích
📥
1
Lượt Tải
Cập Nhật Apr 12, 2026
Chi tiết
Tải xuống
Bình Luận
Khoe bản in
Remix

Mô tả

Đây là giá đỡ đơn giản cho bộ kit LED trái tim nhấp nháy giá rẻ và phổ biến. Một ý tưởng quà tặng cực hay nếu bạn muốn hướng dẫn ai đó các kiến thức cơ bản về điện tử và kỹ năng hàn linh kiện, để họ có thể giữ lại thành phẩm. Đây cũng là một gợi ý hẹn hò rất thú vị đó nhé ;)

Có một lỗ vuông để luồn dây nguồn. Mình gợi ý dùng cáp USB loại rẻ tiền thông thường để kết nối với củ sạc cũ hoặc cổng USB của máy tính/laptop.

Phần cứng cần chuẩn bị: 1 đai ốc M3, 1 ốc vít M3x12mm đầu bằng (countersunk head).

Hướng dẫn in:

  • Độ phân giải lớp in: 0.2-0.3mm, infill 10-15%, độ dày tường 1.2mm (3 lớp cho đầu in 0.4, 2 lớp cho đầu in 0.6).
  • Không cần support. Hãy in phần chân đế nằm nghiêng sang một bên, các phần còn lại đặt mặt phẳng lớn nhất xuống bàn in. Phần khuếch tán ánh sáng (diffuser) chỉ có một lớp 0.3mm, bạn nên dùng nhựa in xuyên thấu (translucent filament). Mình khuyên dùng các kiểu infill lạ mắt như 'archimedian chords' hoặc 'octagram spiral' sẽ rất đẹp. Kết hợp nhựa phản quang (fluorescent) với đèn LED UV cũng rất tuyệt. Có 2 phiên bản: một loại có lỗ chờ cho biến trở và công tắc, một loại không có.

! Hãy đảm bảo lớp đầu tiên được in kín, không bị hở, hãy tinh chỉnh độ chồng lấp (overlap) hoặc flow% để có kết quả tốt nhất.

Một số chi tiết được thiết kế dạng lắp ghép (press-fit). Dung sai mỗi máy in sẽ khác nhau, nhưng mình đã thử nghiệm thành công trên đầu in 0.6mm với thông số: PCB-holder (0.3mm - lắp vừa khít, có thể tháo ra); Stand-base (0.12mm - cần dùng một chút lực để lắp, rất chắc chắn không cần keo); Diffuser-holder (0.15mm - khá chặt nhưng vẫn có thể tháo rời); Đai ốc M3 (0.25mm - dùng vít để ép vào). Nếu lắp không vừa, bạn có thể chỉnh scale tỉ lệ một chút.

Lắp ráp: Hàn PCB và cắt chân linh kiện, lắp giá đỡ vào đế, ép đai ốc M3 vào giá, gắn phần giữ vào giá bằng ốc vít, dùng băng dính điện dán đè lên đầu ốc để tránh chập mạch, sau đó gắn tấm khuếch tán vào. Xong rồi, tận hưởng thôi!

Lưu ý: Bạn có thể cần làm mờ đèn LED để không bị chói mắt trong đêm vì nó khá sáng. Hãy thay điện trở 22R bằng loại 33, 47 hoặc 68 Ohm. LED loại tản quang (diffused) sẽ cho ánh sáng đẹp hơn. Trong ảnh mình sử dụng LED 3mm trong suốt thông thường.

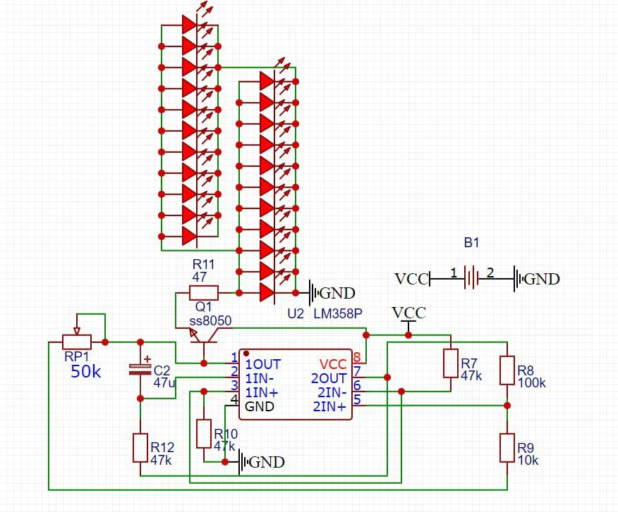
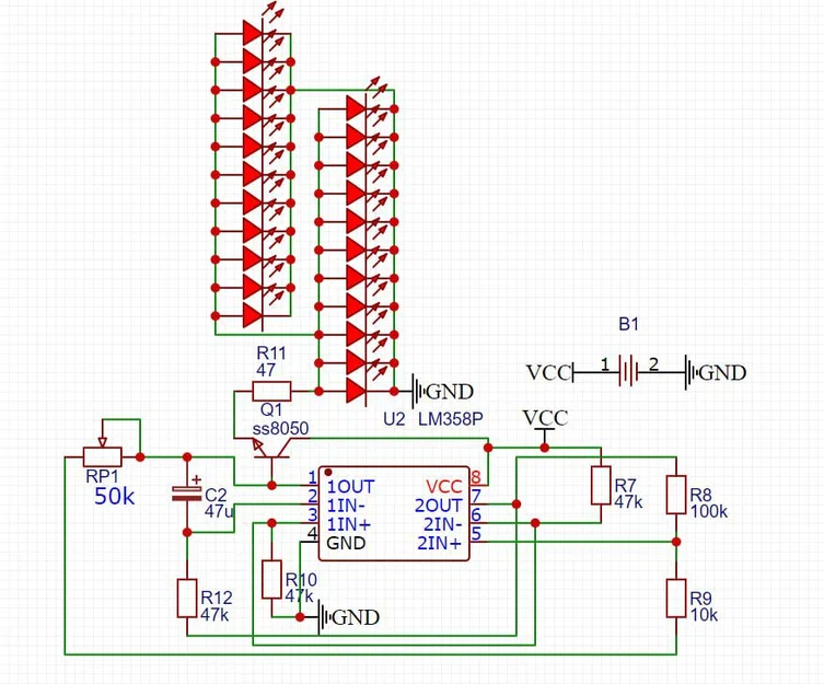
Sơ đồ mạch PCB (đã vẽ lại trên EasyEDA) cũng được đính kèm phòng khi bạn muốn tùy biến hình dáng khác.

Giấy phép

Tác phẩm này được cấp phép theo

Creative Commons — Attribution — Share Alike

CC-BY-SA

Yêu cầu ghi công
Remix & phái sinh Được phép
Sử dụng thương mại Được phép

File mô hình

TẤT CẢ FILE MÔ HÌNH (5 Tập tin)
Đang tải files, vui lòng chờ...
Vui lòng đăng nhập để bình luận.

Chưa có bình luận nào. Hãy là người đầu tiên!

Vui lòng đăng nhập để khoe bản in của bạn.

Chưa có bản in nào được khoe. Hãy là người đầu tiên!

Remix (0)