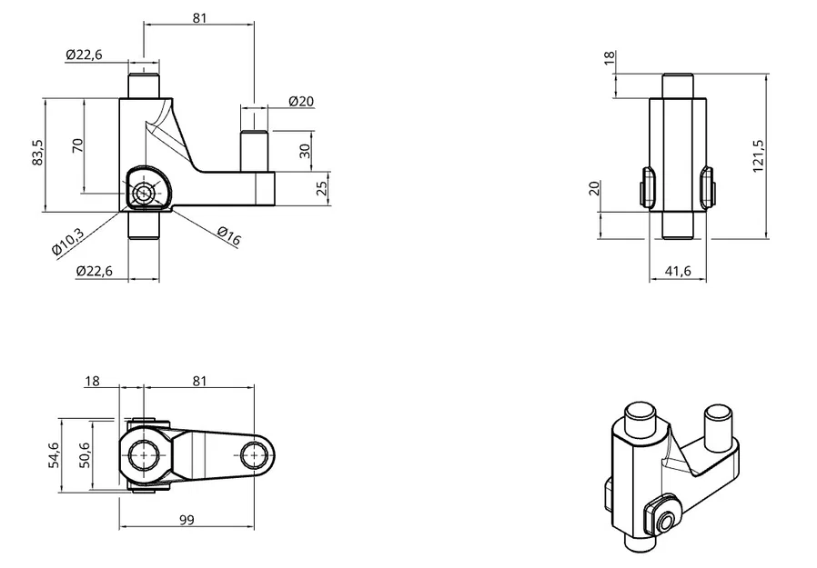
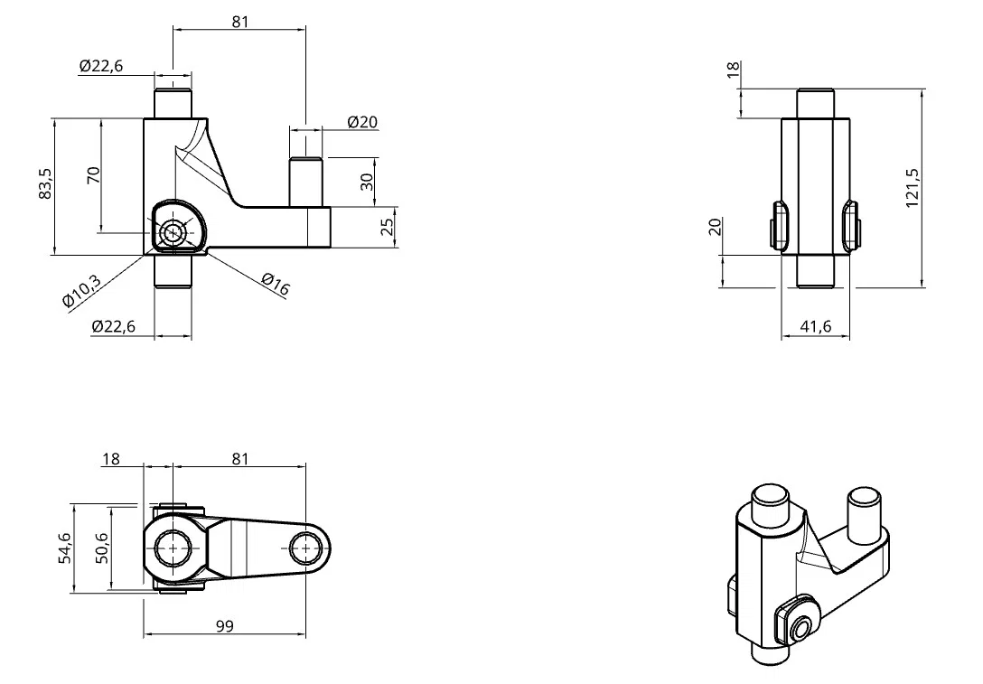
Khớp trục xoay trái/phải cho xe chòi chân BIG Bobby Car

Linh kiện thay thế cho xe chòi chân BIG Bobby Car, dùng được cho cả bên trái và bên phải. Sản phẩm được thiết kế tối ưu, giúp bạn dễ dàng sửa chữa xe cho bé tại nhà bằng công nghệ in 3D.

👁️
11
Lượt Xem
❤️
1
Lượt Thích
📥
1
Lượt Tải
Cập Nhật Apr 09, 2026
Chi tiết
Tải xuống
Bình Luận
Khoe bản in
Remix

Mô tả

Mô tả

Thiết lập in được khuyến nghị

  • Chất liệu: PETG

  • Đầu in (Nozzle): 0.4

  • Độ dày lớp in (Layers): 0.2-0.3

  • Độ đặc (Infill): từ 25-35%

  • Vách tường (Perimeters): 4-5

  • Lớp đáy/đỉnh (Bottom/Top Layers): 6

  • Hỗ trợ (SUPPORTS) → CÓ, chọn chế độ Tree

Đặt linh kiện lên bàn in như hình minh họa.

Bạn thấy thiết kế này hay chứ?

Nhớ nhấn “like” nhé …. ❤ ….. Đừng quên nhấn theo dõi mình nha …. ✅ ….. Mình rất trân trọng mỗi sản phẩm bạn in ra và mong nhận được phản hồi tốt từ các bạn!

Giấy phép

Tác phẩm này được cấp phép theo

Creative Commons — Attribution

CC-BY

Yêu cầu ghi công
Remix & phái sinh Được phép
Sử dụng thương mại Được phép

File mô hình

TẤT CẢ FILE MÔ HÌNH (2 Tập tin)
Đang tải files, vui lòng chờ...
Vui lòng đăng nhập để bình luận.

Chưa có bình luận nào. Hãy là người đầu tiên!

Vui lòng đăng nhập để khoe bản in của bạn.

Chưa có bản in nào được khoe. Hãy là người đầu tiên!

Remix (0)