Đầu chuyển ống mềm sang ống 40mm

Đầu chuyển đổi kết nối ống mềm (25.8mm) vào ống nhựa PVC 40mm tiêu chuẩn. Giải pháp giúp ngăn mùi hôi từ hệ thống thoát nước máy rửa bát hoặc các thiết bị gia dụng khác một cách hiệu quả và kín kẽ.

👁️
22
Lượt Xem
❤️
0
Lượt Thích
📥
3
Lượt Tải
Cập Nhật Apr 05, 2026
Chi tiết
Tải xuống
Bình Luận
Khoe bản in
Remix

Mô tả

KHÔNG CẦN DÙNG SUPPORTS. XOAY MÔ HÌNH 180° 🔄

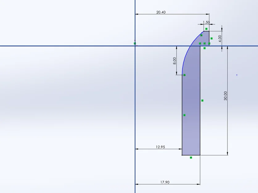
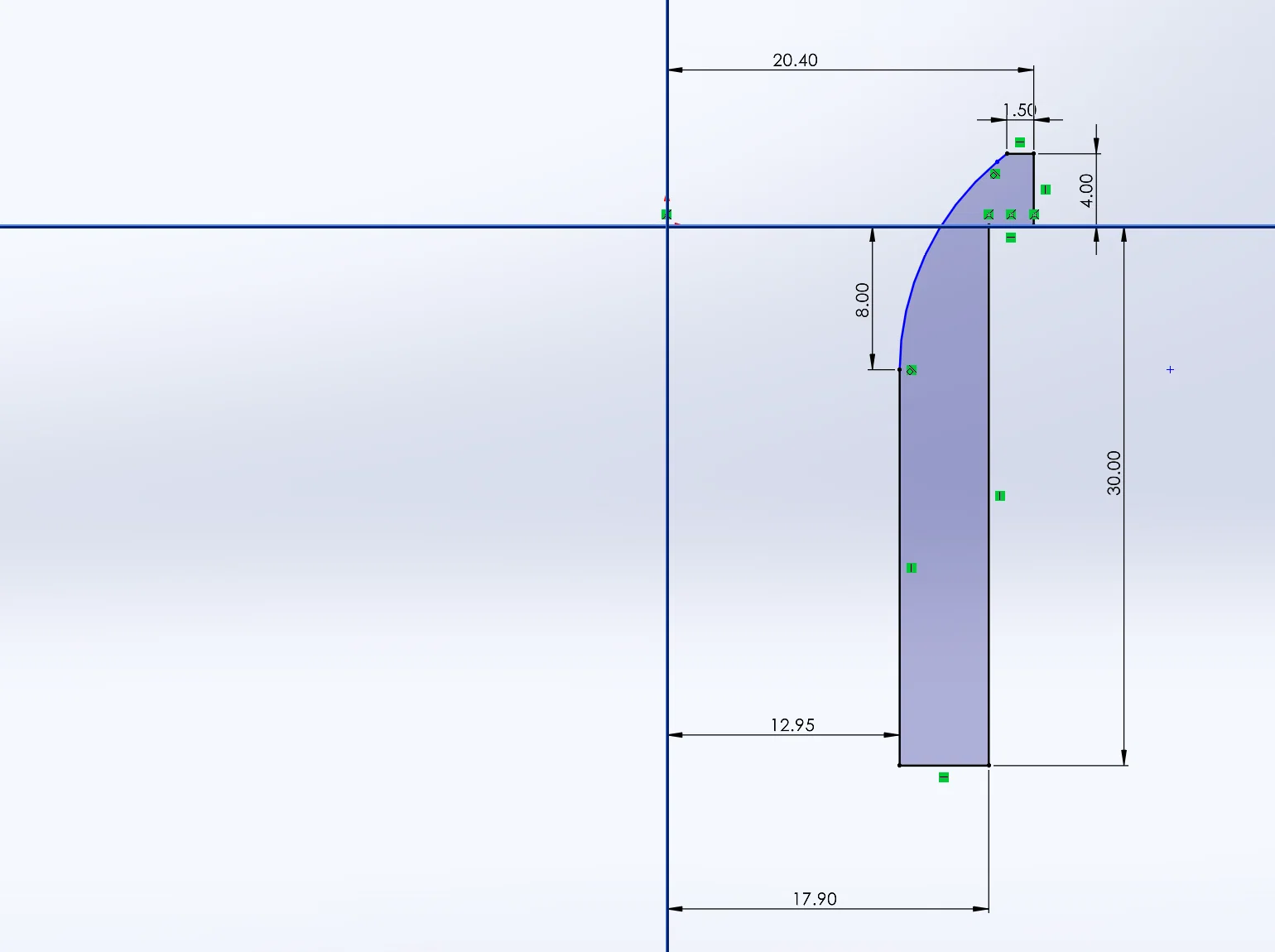
Đầu nối này giúp tạo kết nối chắc chắn từ ống mềm (đường kính khoảng 25,8mm) vào ống PVC 40mm tiêu chuẩn trong hệ thống nước. Mình thiết kế cái này để ngăn mùi hôi thoát ra từ ống thoát nước trong bếp. Trong trường hợp của mình, nó dùng cho nước thải máy rửa bát, nhưng bạn cũng có thể áp dụng cho nhiều thiết bị khác.

Mô hình này có 5 gờ để khớp vào các rãnh của ống mềm. Bạn hãy kiểm tra ống của mình, các rãnh phải cách nhau 3mm. Có 3 kích thước gờ khác nhau, nếu gờ quá lớn sẽ khiến ống mềm khó lọt vào trong. Rất quan trọng là bạn nên cắt (cut) thử từng phần mô hình trên phần mềm slicer để test trước với ống của mình.

Mô hình này là mã nguồn mở, hình học, số đo và file CAD đều được cung cấp để bạn có thể tùy ý sửa đổi cho phù hợp với nhu cầu sử dụng. Không được phép sử dụng cho mục đích thương mại.

Giấy phép

Tác phẩm này được cấp phép theo

GNU General Public License v2.0

GPL 2.0

Yêu cầu ghi công
Remix & phái sinh Được phép
Sử dụng thương mại Được phép

File mô hình

TẤT CẢ FILE MÔ HÌNH (4 Tập tin)
Đang tải files, vui lòng chờ...
Vui lòng đăng nhập để bình luận.

Chưa có bình luận nào. Hãy là người đầu tiên!

Vui lòng đăng nhập để khoe bản in của bạn.

Chưa có bản in nào được khoe. Hãy là người đầu tiên!

Remix (0)