Mô hình cần cẩu Colby cho tháp phóng Apollo LUT
Mô hình cần cẩu Colby gắn trên đỉnh tháp Apollo Umbilical Tower. Thiết kế hỗ trợ tự động hóa bằng động cơ bước và Arduino, đi kèm tài liệu hướng dẫn lắp ráp chi tiết cho người chơi mô hình chuyên nghiệp.
Mô tả
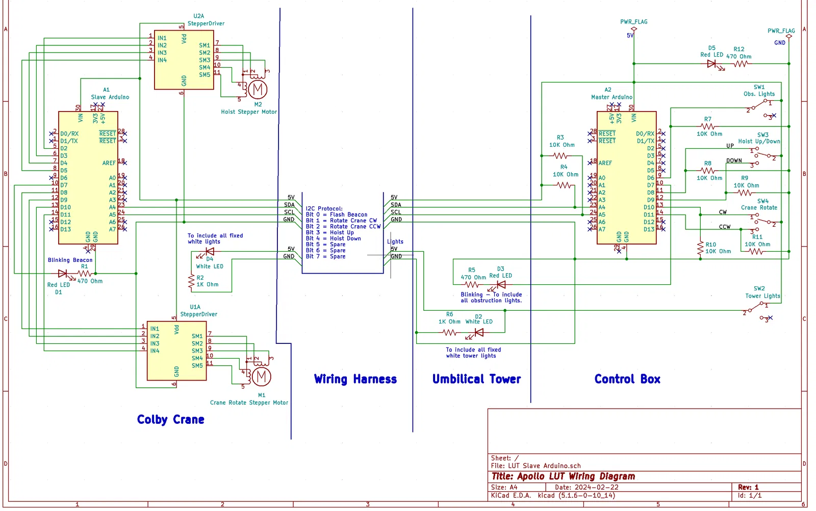
Mô hình này là cần cẩu Colby gắn trên đỉnh tháp phóng Apollo Umbilical Tower (LUT). Đây là một phần của bộ mô hình tháp Apollo Umbilical Tower lớn hơn. Mô hình này được thiết kế để có thể tự động hóa bằng hai động cơ bước (stepper motors) và hai bo mạch Arduino Nano Every. Nếu không muốn tự động hóa cần cẩu, anh em có thể bỏ qua phần động cơ, nhưng mình khuyên là nên cân nhắc thêm đèn, vì phần này sẽ cần vòng trượt (slip ring). Để đèn hiệu nhấp nháy cùng với các đèn cảnh báo vật cản khác, anh em sẽ cần bổ sung thêm hai bo mạch Arduino.
Cập nhật:
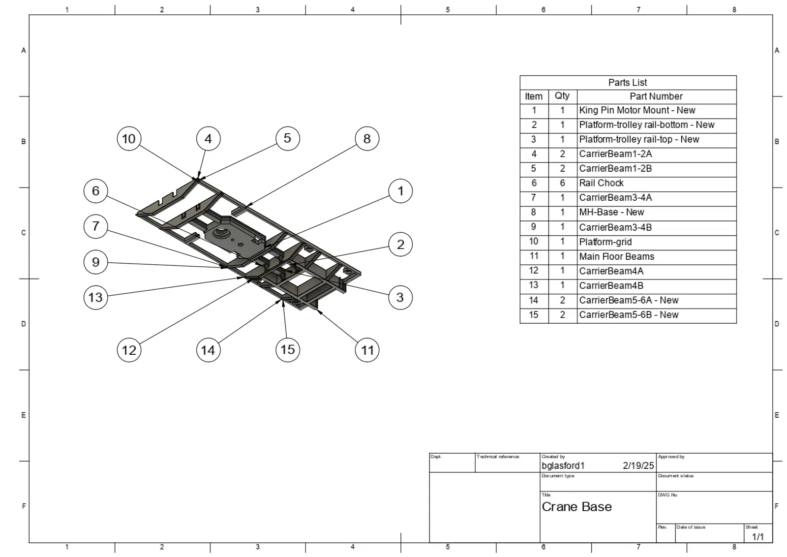
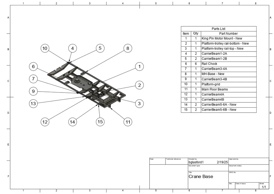
19/02/2025: Thêm tệp STL cho phần Đế cần cẩu (Crane Base) hiển thị vị trí các bộ phận và bản vẽ tên các chi tiết. Thêm phần Tổng quan về Đế cần cẩu và Vỏ bọc máy móc. Đã sửa đổi MainFloorBeams, tách CarrierBeam3-4A&B và sửa lại SmallFloorBeams.
Giấy phép
Tìm hiểu thêm về giấy phép này tại http://creativecommons.org/licenses/by-nc/4.0/
File mô hình
Beacon Base.stl
Beacon Lower Fresnel.stl
Beacon Collar.stl
Beacon Upper Fresnel.stl
Beacon Cap.stl
Catwalk Platform.stl
Catwalk Support Beam.stl
Catwalk Railings.stl
Catwalk Ladder.stl
Catwalk Ladder Cage.stl
Crane Boom 10T Top.stl
Crane Boom 10T Right.stl
Crane Boom 10T Left.stl
Crane Boom 10T Section 6.stl
Crane Boom 10T Section 7.stl
Crane Boom 10T Section 8.stl
Crane Boom 10T Section 8-9 Top.stl
Crane Boom 10T Section 9 Outer.stl
Crane Boom 10T Section 9 Inner.stl
Crane Boom 10T Section 9 Center.stl
Crane Boom Cross Beam.stl
Crane Boom 10T Bottom Right.stl
Crane Boom 10T Bottom Left.stl
Crane Boom 10T Trolley Rail Top.stl
Crane Boom 10T Trolley Rail Bottom.stl
Equalizer Pulley Holder.stl
Equalizer Pulley.stl
Boom Tip Pulley Holder.stl
Boom Tip Pulley.stl
Crane Boom 25T Top.stl
Crane Boom 25T Right.stl
Crane Boom 25T Left.stl
Crane Boom 25T Section 1.stl
Crane Boom 25T Section 1-2 Top.stl
Crane Boom 25T Section 3.stl
Crane Boom 25T Section 2-3 Middle.stl
Crane Boom 25T Section 4.stl
Crane Boom 25T Section 5.stl
Crane Boom 25T Bottom Right.stl
Crane Boom 25T Bottom Left.stl
Crane Boom 25T Trolley Rail Top.stl
Crane Boom 25T Trolley Rail Bottom.stl
CarrierBeam1-2A.stl
CarrierBeam1-2B.stl
CarrierBeam3A.stl
CarrierBeam3B.stl
CarrierBeam4A.stl
CarrierBeam4B.stl
CarrierBeam5-6A.stl
CarrierBeam5-6B.stl
Main Floor Beams.stl
Small Floor Beams.stl
King Pin Motor Mount.stl
King Pin Stepper Gear.stl
King Pin Stepper Hold Down.stl
King Pin Gear.stl
King Pin Receiver Bottom.stl
Trolley Racking Line Redirector.stl
Trolley Racking Pulley Mount.stl
Hoist Drum and Stepper Mount.stl
Hoist Stepper Gear.stl
Hoist Drum.stl
Mast Base.stl
Mast Hinges.stl
Mast Side Type A.stl
Mast Side Type B.stl
Mast Side Type C.stl
Mast Top Plate.stl
Mast Stop Block.stl
Mast Support.stl
Instruments.stl
MH Base.stl
MH Top Platform Grating.stl
MH Floor Deck.stl
MH Top Partial Front.stl
MH Top Partial Rear.stl
MH Top Whole.stl
MH EndA.stl
MH Door.stl
MH EndB.stl
MH Window Cover.stl
MH Hatch.stl
WeightsA.stl
WeightsB.stl
MH Top Platform Sides.stl
MH Platform Ladder.stl
MH Top Fence Front.stl
MH Top Fence Rear.stl
MH Wire Clamp.stl
Colby Sign Letters.stl
Colby Sign Background.stl
Platform Light.stl
Light Cap.stl
Floodlight.stl
Light Bracket.stl
Control Box Top.stl
Control Box Bottom.stl
Arduino Mount.stl
Stepper Board Mount.stl
Sign 25 Ton.stl
Sign 25 Ton No Holes.stl
Sign Frame 25 TON.stl
Sign 10 Ton.stl
Sign 10 Ton No Holes.stl
Sign Frame 10 TON.stl
Sign Bracket.stl
Air Terminal Machinery House.stl
Air Terminal Section 3.stl
Air Terminal Section 5.stl
Air Terminal Section 7.stl
Air Terminal Section 9.stl
Platform Railing Inner Right Side.stl
Platform Railing Inner Left Side.stl
Platform Railing Inner End.stl
Platform Railing Outer Right Side.stl
Platform Railing Outer Left Side.stl
Platform Railing End Right.stl
Platform Trolley Rail Top.stl
Platform Trolley Rail Bottom.stl
Lower Stair.stl
Lower Stair Riser.stl
Lower Stair Railing.stl
Upper Platform Landing.stl
Upper Platform Landing Grating.stl
Upper Platform Stair.stl
Upper Platform Stair Riser.stl
Upper Platform Stair Railing.stl
Trolley Base.stl
Trolley Wheel axles.stl
Trolley Pulley Axle.stl
Trolley Pulley.stl
Trolley Pulley Covers.stl
Grounding Collector Ring.stl
Turntable Railing.stl
Walkway 10T Floor I-Beams.stl
Walkway 10T Floor End I-Beams.stl
Walkway 10T Floor Grating.stl
Walkway 10T Floor End Grating.stl
Walkway 10T Railing Inner.stl
Walkway 10T Railing Outer.stl
Walkway 10T Railing End.stl
Walkway 10T Railing End Side.stl
Walkway 25T Floor I-Beams.stl
Walkway 25T Floor Grating.stl
Walkway 25T Railing Inner.stl
Walkway 25T Railing Outer.stl
TT-main roller base.stl
TT-main supports.stl
TT-main support plates.stl
CarrierBeam3B.stl
TT-pin-1.35.stl
TT-pin-1.5.stl
TT-pin-1.4.stl
Platform-grid.stl
Platform-deck.stl
Rail chocks(8).stl
MH-endA hinges.stl
Trolley-block half.stl
Trolley-block-hook flange.stl
Trolley-block-pulley axle.stl
Trolley-block-hookB.stl
Trolley-block-hookA.stl
Crane Base Overview.stl
Crane Base and Machinery Housing Overview.stl
I2CMaster.ino
I2CSlave.ino
I2CControlBoxTester.ino
Wiring Diagram.pdf
Chưa có bản in nào được khoe. Hãy là người đầu tiên!
Remix (0)
Có thể bạn quan tâm
Đang tìm các mô hình liên quan...
Chưa có bình luận nào. Hãy là người đầu tiên!