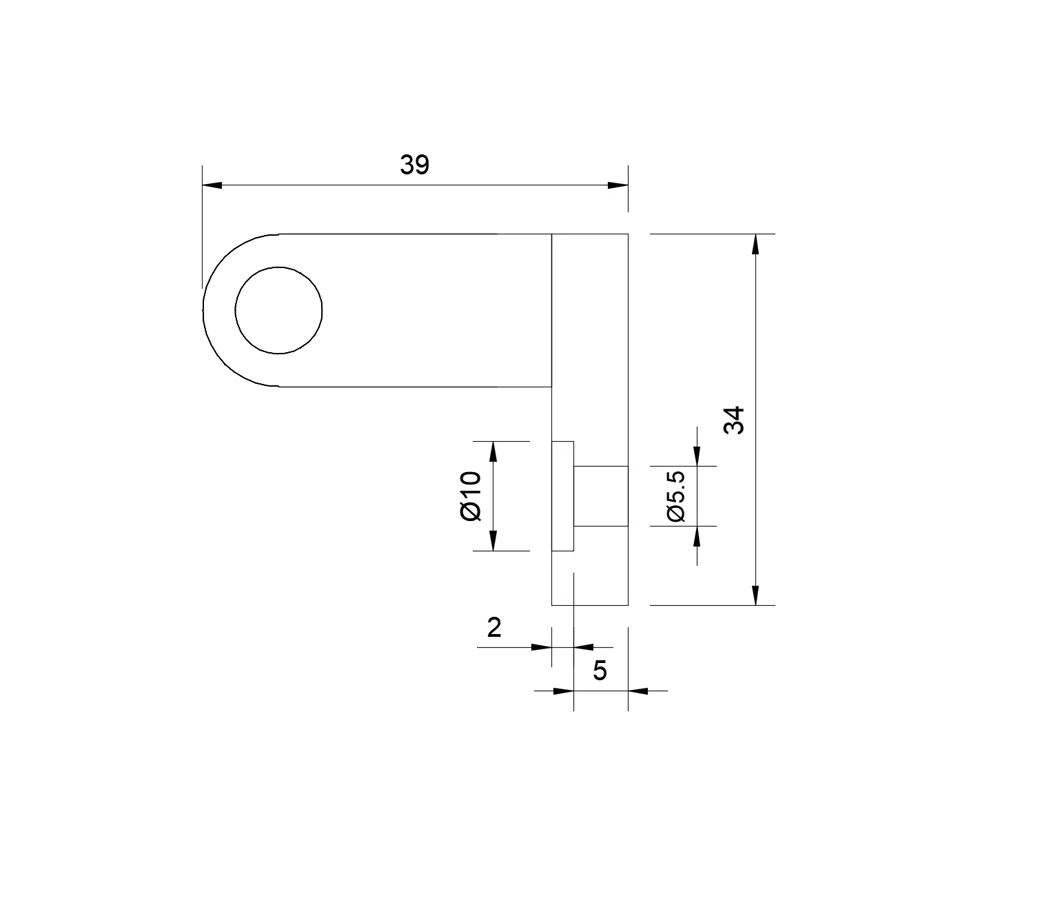
Bộ dẫn hướng nhựa (Filament Guide) dùng vòng bi 608 gắn ốc vít

Bạn đang tìm cách để sợi nhựa filament không bị rối hay cạ vào bàn khi in 3D? Mẫu Filament Guide gắn ốc vít sử dụng vòng bi 608 này chính là giải pháp hoàn hảo dành cho bạn. Với thiết kế nhỏ gọn, dễ dàng lắp đặt trên bề mặt phẳng như tủ IKEA, thiết bị giúp sợi nhựa chạy mượt mà, giảm ma sát và tăng độ ổn định cho máy in. Bạn có thể tự in phụ kiện này bằng nhựa PETG hoặc PLA với thông số kỹ thuật chi tiết đi kèm. Đây là một nâng cấp nhỏ nhưng mang lại hiệu quả cực lớn, giúp góc làm việc của bạn trở nên chuyên nghiệp và ngăn nắp hơn bao giờ hết, tránh tình trạng gián đoạn do rối nhựa khi đang in các dự án dài ngày.

👁️
1.6K
Lượt Xem
❤️
83
Lượt Thích
📥
458
Lượt Tải
Cập Nhật Apr 14, 2026
Chi tiết
Tải xuống
Bình Luận
Khoe bản in
Remix

Mô tả

Bộ dẫn hướng nhựa in 3D (Filament Guide) dùng vòng bi 608

Nếu anh em đang chơi 3D printing và cảm thấy phiền vì sợi nhựa filament cứ cạ vào cạnh bàn hoặc bị xoắn khi đi vào máy in, thì đây chính là món phụ kiện cực kỳ hữu ích. Mẫu thiết kế này là một bộ dẫn hướng filament (filament guide) được tối ưu hóa để gắn trực tiếp lên bề mặt phẳng bằng ốc vít. Với cấu trúc đơn giản nhưng vô cùng hiệu quả, nó giúp sợi nhựa được dẫn truyền trơn tru, giảm thiểu lực cản và ngăn chặn tình trạng rối nhựa, từ đó giúp bản in của anh em đạt chất lượng ổn định hơn.

Sản phẩm này đặc biệt thích hợp cho những ai đang setup góc làm việc gọn gàng, ví dụ như gắn trong các hệ tủ như tủ IKEA PLATSA. Việc sử dụng kết hợp với vòng bi 608 (loại vòng bi phổ biến nhất trong giới 3D in) giúp con lăn hoạt động cực kỳ mượt mà, sợi nhựa sẽ lướt qua một cách nhẹ nhàng mà không gặp bất kỳ trở ngại nào. Thiết kế nhỏ gọn, tinh tế này không chỉ tiết kiệm không gian mà còn mang lại vẻ chuyên nghiệp cho chiếc máy in của anh em.

Một số lưu ý quan trọng để anh em in và lắp ráp hiệu quả:

  • Sử dụng vòng bi 608 chuẩn để đảm bảo độ xoay trơn tru cho con lăn.
  • Nên in bằng nhựa PETG hoặc ABS để đảm bảo độ bền và chịu lực tốt hơn so với PLA khi siết ốc.
  • Thiết lập độ dày tường (wall thickness) khoảng 3-4 lớp để phần giá đỡ bắt ốc được chắc chắn, tránh tình trạng bị nứt khi siết quá tay.
  • Tận dụng lớp lót (infill) khoảng 25-40% là đủ để đảm bảo độ cứng cho toàn bộ cấu trúc.
  • Kiểm tra kích thước lỗ bắt vít (đã ghi chú rõ là 5.5mm trong bản vẽ kỹ thuật) để chuẩn bị ốc vít phù hợp trước khi lắp đặt.
  • Có thể dùng một con ốc dài vừa đủ để cố định bộ dẫn hướng vào mặt tủ hoặc khung máy, giúp tiết kiệm diện tích bàn in đáng kể.

Đây là giải pháp đơn giản nhưng cực kỳ "đáng tiền" để nâng cấp trải nghiệm in ấn mỗi ngày. Chúc anh em có những bản in tuyệt vời với bộ dẫn hướng filament này nhé!

Giấy phép

Tác phẩm này được cấp phép theo

Creative Commons — Attribution — Share Alike

CC-BY-SA

Yêu cầu ghi công
Remix & phái sinh Được phép
Sử dụng thương mại Được phép

File mô hình

TẤT CẢ FILE MÔ HÌNH (4 Tập tin)
Đang tải files, vui lòng chờ...
Vui lòng đăng nhập để bình luận.

Chưa có bình luận nào. Hãy là người đầu tiên!

Vui lòng đăng nhập để khoe bản in của bạn.

Chưa có bản in nào được khoe. Hãy là người đầu tiên!

Remix (0)