Bộ Đếm Cơ Học - 1 Chiều

Một mẫu bộ đếm cơ học được in 3D hoàn toàn, cho phép bạn tăng số đếm bằng cách sử dụng một cần gạt. Sản phẩm này hoạt động theo cơ chế bánh cóc, giúp bạn dễ dàng theo dõi số liệu một cách thủ công và chính xác.

👁️
55
Lượt Xem
❤️
2
Lượt Thích
📥
9
Lượt Tải
Cập Nhật Apr 03, 2026
Chi tiết
Tải xuống
Bình Luận
Khoe bản in
Remix

Mô tả

Vui lòng sử dụng mật độ in (infill) thấp nhất có thể hoặc lý tưởng nhất cho mẫu này.

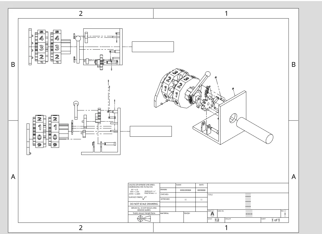
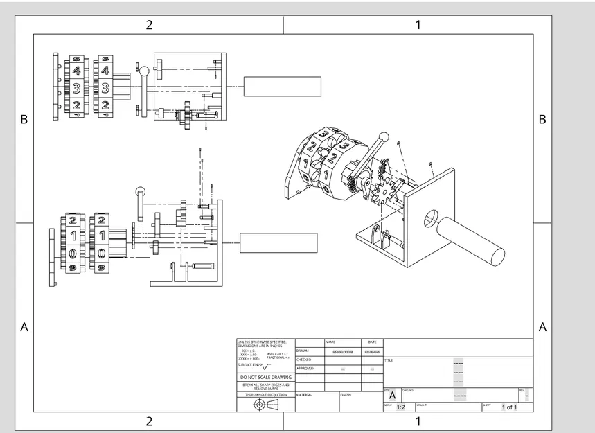
Để lắp ráp mô hình, bạn vui lòng tham khảo sơ đồ bung (exploded diagram).

Hãy lắp ráp mô hình theo trình tự sau:

  1. Lắp hệ thống bánh cóc (ratchet system) vào giá đỡ bằng cách sử dụng sơ đồ bung trong Onshape. Dùng các chốt hình chữ C (C-shaped clips) để cố định cần gạt sau khi đã đặt chúng vào vị trí.

  2. Gắn bánh răng số có phần bánh cóc nhô ra, đảm bảo mọi thứ khớp với nhau.

  3. Lắp bộ phận truyền động bánh răng vào mô hình bằng cách sử dụng con ốc in lớn nhất và cố định nó bằng chốt hình chữ C lớn nhất.

  4. Lắp tiếp bánh răng số hàng chục.

  5. Lắp giá đỡ bên trái và dùng keo dán sắt (super glue) để cố định nó vào trục trung tâm và giá đỡ chính.

Đối với toàn bộ quá trình lắp ráp, vui lòng tham khảo các sơ đồ bung được tạo trong tệp Onshape chính.

Thẻ

Giấy phép

Tác phẩm này được cấp phép theo

Creative Commons — Public Domain

CC0

Không yêu cầu ghi công
Remix & phái sinh Được phép
Sử dụng thương mại Được phép

File mô hình

TẤT CẢ FILE MÔ HÌNH (15 Tập tin)
Đang tải files, vui lòng chờ...
Vui lòng đăng nhập để bình luận.

Chưa có bình luận nào. Hãy là người đầu tiên!

Vui lòng đăng nhập để khoe bản in của bạn.

Chưa có bản in nào được khoe. Hãy là người đầu tiên!

Remix (0)