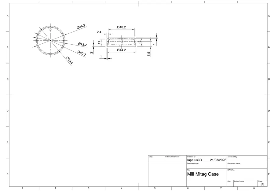
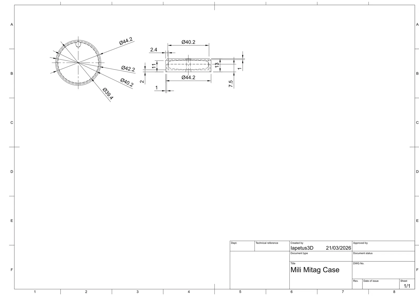
Ốp bảo vệ MiLi MiTag

Ốp bảo vệ MiLi MiTag nhỏ gọn, được in 3D chắc chắn. Sản phẩm đi kèm hai loại nắp linh hoạt: nắp kín bảo vệ tối đa và nắp có lỗ thông hơi tiện lợi, giúp bạn an tâm khi sử dụng thiết bị định vị.

👁️
36
Lượt Xem
❤️
1
Lượt Thích
📥
4
Lượt Tải
Cập Nhật Mar 28, 2026
Chi tiết
Tải xuống
Bình Luận
Khoe bản in
Remix

Mô tả

Một chiếc ốp bảo vệ MiLi MiTag nhỏ gọn, được thiết kế để giữ thiết bị định vị của bạn một cách chắc chắn trong một lớp vỏ in 3D. Bộ sản phẩm bao gồm hai loại nắp: một nắp kín để bảo vệ toàn diện và một nắp có lỗ thoáng khí, mang lại sự linh hoạt tùy theo nhu cầu sử dụng của bạn.

Giấy phép

Tác phẩm này được cấp phép theo

Creative Commons — Attribution — Noncommercial — Share Alike

CC-BY-NC-SA

Yêu cầu ghi công
Remix & phái sinh Được phép
Sử dụng thương mại Không được phép

File mô hình

TẤT CẢ FILE MÔ HÌNH (3 Tập tin)
Đang tải files, vui lòng chờ...
Vui lòng đăng nhập để bình luận.

Chưa có bình luận nào. Hãy là người đầu tiên!

Vui lòng đăng nhập để khoe bản in của bạn.

Chưa có bản in nào được khoe. Hãy là người đầu tiên!

Remix (0)