Ngàm Strainwave (Harmonic Drive) cho OnstepX - Nguyên mẫu hoạt động

Dự án ngàm Strainwave sử dụng OnstepX lấy cảm hứng từ Astrophilo. Đây là nguyên mẫu đang hoạt động, sử dụng Fysetc E4 và các linh kiện in 3D, phù hợp cho astrophotography. Phù hợp cho người thích tự chế tạo.

👁️
61
Lượt Xem
❤️
1
Lượt Thích
📥
2
Lượt Tải
Cập Nhật Mar 27, 2026
Chi tiết
Tải xuống
Bình Luận
Khoe bản in
Remix

Mô tả

WIP Nguyên mẫu đang hoạt động

Nó đang chạy ngon lành nhưng mình vẫn muốn tinh chỉnh thêm cho hoàn thiện. Rất mong nhận được góp ý từ mọi người

Mình muốn có một chiếc ngàm Strainwave để dùng cho kính C8 thay thế cho con AzGti đã bị quá tải. Sau khi tìm thấy dự án của Astrophilo, mình quyết định tự chế tạo từ đầu với các linh kiện tương tự. Mình đã mua file 3D của anh ấy để ủng hộ và cảm ơn nguồn cảm hứng này. Bạn cũng nên tham khảo dự án của anh ấy nhé.

BOM (Danh sách linh kiện)

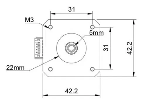
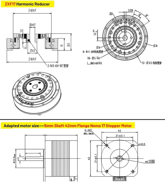
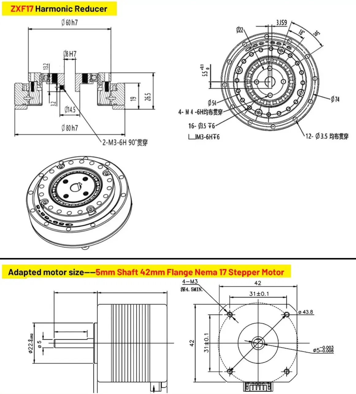
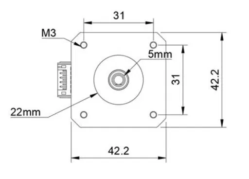
Xem thêm hình ảnh bảng thông số kỹ thuật để biết chi tiết

Fysetc E4 + anten + wifi

Sạc dự phòng hoặc nguồn 12v công suất lớn

kẹp kiểu vixen*

Động cơ Nema 17 + dây cáp (có thể cần đấu nối lại theo nhu cầu của bạn) : x2

Bộ truyền động Strainwave (harmonic drive) : x2

Pully lỗ 5mm 16 răng : x2

Pully lỗ 5mm 60 răng : x2

Dây đai 2GT 150mm x 6mm : x2

Trục m5 x 50mm : x2

ốc m3 x 5 hoặc 6mm : x2 (cho fysetc e4)

ốc m3 x 20mm : x3(vỏ) + x8, 16 hoặc 32 (cho bộ truyền động) *tối thiểu x12

ốc m3 x 28mm : 16, 24 hoặc 32 (cho bộ chuyển đổi tấm đế, vòng đệm nema)

ốc m5 x 80mm : x3 (nối vỏ vào khung, xuyên qua các lớp để tạo độ cứng) • 870 + 10

ốc m8 x 18mm : x2 (cho tấm vixen, bạn có thể dùng loại khác như m6 sang m8)

Đai ốc m8 : x2 (tấm chuyển đổi)

Đai ốc 3/8 : x1 (cho chân tripod, có thể khác tùy loại bạn dùng)

Nhựa in (Filaments)

PETG CF cho phần khung, PLA cho phần vỏ (hoặc dùng loại bạn thích) và TPU cho các khớp nối/nắp che (tùy chọn).

Lắp ráp

***Hướng dẫn lắp ráp sẽ được bổ sung sớm. Một số vị trí hơi chật và việc đi dây động cơ rất quan trọng, tùy thuộc vào loại motor bạn mua. Ngoài ra thì lắp ráp khá dễ dàng.

Cấu hình bo mạch Fysetc

Mình thực sự khuyên bạn nên xem qua dự án OnstepX, đặc biệt là phần Fysetc E4 trước khi bắt đầu in. Trông có vẻ phức tạp nhưng thực ra khá đơn giản cho những ai không rành lập trình như mình. Cách dễ nhất là mua board Fysetc rồi nạp firmware bằng công cụ web này. Sau đó bạn có thể dùng Smart Web Server của OnstepX (giao diện giống trang web do Fysetc tạo ra) để thêm các tham số (từ bảng tính cấu hình - nhớ cho phép tải về nếu không sẽ không mở được).

Thế là xong! Bạn có thể dễ dàng cấu hình Stellarium để điều khiển ngàm (nếu muốn nhiều tính năng hơn SWS).

Mình đã test với tải trọng 10kg và máy chạy ổn, nhưng kết quả có thể khác tùy setup của bạn nên hãy tự kiểm tra cẩn thận (đừng dùng thiết bị đắt tiền để thử nghiệm lần đầu).

Nếu bạn thích dự án này, hãy cân nhắc gửi một khoản ủng hộ nhỏ để giúp mình phát triển các mẫu tiếp theo nhé!

Giấy phép

Tác phẩm này được cấp phép theo

Creative Commons — Attribution — Noncommercial — Share Alike

CC-BY-NC-SA

Yêu cầu ghi công
Remix & phái sinh Được phép
Sử dụng thương mại Không được phép

File mô hình

TẤT CẢ FILE MÔ HÌNH (21 Tập tin)
Đang tải files, vui lòng chờ...
Vui lòng đăng nhập để bình luận.

Chưa có bình luận nào. Hãy là người đầu tiên!

Vui lòng đăng nhập để khoe bản in của bạn.

Chưa có bản in nào được khoe. Hãy là người đầu tiên!

Remix (0)