Trạm hàn di động (Mobile Soldering Station) cho TS-80

Trạm hàn di động tiện lợi cho TS-80, có tích hợp sẵn quạt hút, giá để chì, dụng cụ làm sạch và tay giữ phụ. Thiết kế thông minh, dễ dàng lắp ráp và tùy chỉnh cho các loại mỏ hàn chạy pin khác.

👁️
3.7K
Lượt Xem
❤️
87
Lượt Thích
📥
103
Lượt Tải
Cập Nhật Mar 27, 2026
Chi tiết
Tải xuống
Bình Luận
Khoe bản in
Remix

Mô tả

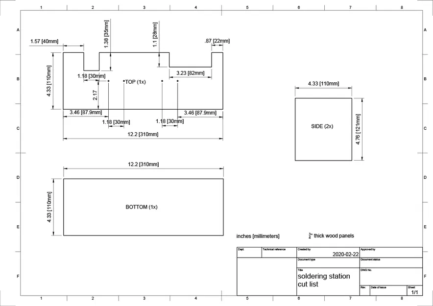
Trạm hàn di động dựa trên mẫu TS-80. Bạn hoàn toàn có thể tùy biến để sử dụng cho các loại mỏ hàn chạy bằng pin khác. Thiết kế bao gồm quạt thông gió, giá đỡ cuộn chì, giá đỡ bùi nhùi làm sạch mũi hàn, giá đỡ ống hút chì, giá đựng flux và các ngăn lưu trữ cho phụ kiện linh tinh khác.

Hướng dẫn in

Trạm hàn di động dựa trên mẫu TS-80. Có thể tùy chỉnh cho các loại mỏ hàn pin khác. Bao gồm quạt thông gió, giá đỡ cuộn chì, giá làm sạch mũi hàn, giá hút chì, giá đựng flux và các ngăn chứa đồ.

Giá đỡ cuộn chì:

Được thiết kế để tận dụng các linh kiện có sẵn. Bạn có thể thiết kế lại giá đỡ này bằng cách in 3D các bộ phận ren nếu muốn.

Linh kiện in 3D:
  • solder spool holder base.stl
  • solder spool holder dovetail.stl
  • solder spool holder knob.stl
Linh kiện bổ sung:
  • (1) Vòng bi 608
  • (1) Bu-lông 1/4"-20 dài 2-1/2"
  • (1) Vòng đệm nhỏ
  • (1) Vòng đệm lớn (có thể in 3D thay thế)
  • (1) Đai ốc 1/4"-20
  • (1) Kẹp giấy
  • (1) Cuộn chì hàn

Giá đỡ ống hút chì:

Linh kiện in 3D:
  • desolder pump holder.stl
Linh kiện bổ sung:
  • (2) Vít gỗ #6 x 1/2"

Mỏ hàn TS-80:

Linh kiện in 3D:
  • ts-80 holder.stl
  • ts-80 stop ring.stl
  • pd to qc3 bottom case.stl
  • pd to qc3 case holder.stl
  • pd to qc3 top case.stl
Linh kiện bổ sung:
  • (2) Vít gỗ #6 x 1/2"
  • (1) Mạch kích điện áp ZY12PDN-1 USB-C PD (không bao gồm đầu nối)
  • (1) Mạch hạ áp QC3.0 DC-DC
  • (1) Dây điện 22 AWG, thiếc hàn

Giá đỡ mũi hàn TS-80:

  • ts-80 extra tips holder.stl (in 3D), sử dụng vít gỗ #6 x 1/2".

Các giá đỡ khác:

Được thiết kế cho Flux, bùi nhùi, pin, quạt, tay giữ phụ (helping hands) và các dụng cụ khác. Vui lòng xem kỹ file STL và hình ảnh tham khảo để lắp đặt.

Hướng dẫn lắp ráp:

  • Không cần in support.
  • Vặn vít gỗ #8 x 2.5" để cố định các tấm gỗ bên vào tấm đáy.
  • Gắn quạt 120mm vào ống dẫn bằng bu-lông M3 x 10mm.
  • Cố định các bộ phận in 3D bằng vít gỗ #6 x 1/2". Nên đặt thử các chi tiết trước khi vặn vít cố định.
  • Lắp tay cầm vào tấm gỗ trên cùng bằng vít gỗ #8 x 1.25".
  • Hoàn thiện khung bằng cách ghép tấm trên cùng vào các tấm bên.
  • Lắp ráp cụm vòng bi và giá đỡ chì, tay giữ phụ Loc-Line, và các linh kiện điện tử theo sơ đồ hình ảnh đính kèm.
  • Dán chân cao su vào đáy để trạm hàn không bị trượt khi thao tác.

Giấy phép

Tác phẩm này được cấp phép theo

Creative Commons — Attribution — Noncommercial

CC-BY-NC

Yêu cầu ghi công
Remix & phái sinh Được phép
Sử dụng thương mại Không được phép

File mô hình

TẤT CẢ FILE MÔ HÌNH (24 Tập tin)
Đang tải files, vui lòng chờ...
Vui lòng đăng nhập để bình luận.

Chưa có bình luận nào. Hãy là người đầu tiên!

Vui lòng đăng nhập để khoe bản in của bạn.

Chưa có bản in nào được khoe. Hãy là người đầu tiên!

Remix (0)