Mô hình kỹ thuật Pieza2 - Chi tiết thực hành phay rãnh chính xác

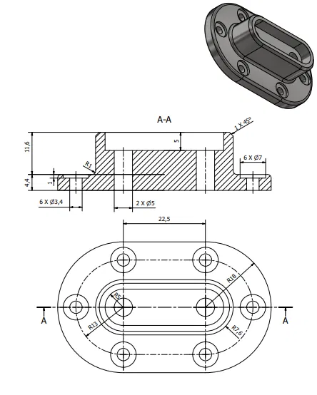
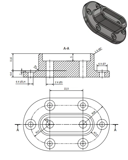
Mô hình Pieza2 là một chi tiết kỹ thuật được thiết kế chuyên biệt để giúp người dùng thực hành các thao tác phay rãnh và gia công cơ khí chính xác. Với hình dáng hình học đặc trưng bao gồm các góc bo tròn R1, R5, R13 và 6 lỗ vít đối xứng, sản phẩm này là công cụ học tập tuyệt vời cho những ai đang nghiên cứu về kỹ thuật. Khi thực hiện in 3D mẫu này, người dùng có thể rèn luyện kỹ năng căn chỉnh máy in, xử lý bề mặt vát mép và kiểm tra độ chính xác của các chi tiết nhỏ. Đây không chỉ là một tệp STL thông thường mà còn là một bài thực hành giúp bạn nắm vững kiến thức thiết kế cơ khí, tối ưu hóa quá trình in ấn và hiểu rõ về cách thức lắp ráp linh kiện trong không gian thực tế.

👁️
40
Lượt Xem
❤️
0
Lượt Thích
📥
2
Lượt Tải
Cập Nhật Mar 21, 2026
Chi tiết
Tải xuống
Bình Luận
Khoe bản in
Remix

Mô tả

Mô hình kỹ thuật Pieza2 - Chi tiết thực hành phay rãnh

Mô hình Pieza2 là một linh kiện kỹ thuật được thiết kế chuyên biệt để hỗ trợ người dùng thực hành các kỹ thuật gia công cơ khí, đặc biệt là thao tác phay rãnh trên vật liệu. Đây là một mẫu hình học chuẩn xác, tập trung vào việc tạo hình các bề mặt cong, vát mép và các lỗ bắt vít đối xứng. Với cấu trúc chắc chắn cùng các thông số kỹ thuật rõ ràng trên bản vẽ, sản phẩm này rất phù hợp cho những ai đang trong quá trình học tập về thiết kế cơ khí hoặc muốn thử thách khả năng hiệu chỉnh của máy in 3D đối với các chi tiết nhỏ nhưng cần độ chính xác cao.

Khi sử dụng mô hình này để in 3D, bạn sẽ có cơ hội kiểm tra khả năng tái tạo các đường cong mềm mại và các lỗ khoét âm bản. Thiết kế của Pieza2 bao gồm một phần lõi rãnh hình thuôn dài và phần đế rộng với 6 lỗ vít, giúp người dùng nắm bắt được cách bố trí cấu trúc chịu lực và cách xử lý các góc bo tròn R1, R5, R13 trên phần mềm thiết kế như AutoCAD hoặc SolidWorks. Việc in thử mẫu này không chỉ giúp bạn hiểu rõ về hình học mà còn giúp tối ưu hóa thiết lập máy in.

Dưới đây là một số đặc điểm nổi bật và lưu ý quan trọng để bạn đạt được kết quả in tốt nhất:

  • Độ chính xác cao: Mô hình đòi hỏi độ chi tiết tốt ở các góc vát 45 độ và các lỗ vít, vì vậy hãy đảm bảo máy in của bạn đã được cân bàn chuẩn.
  • Vật liệu khuyên dùng: Nên sử dụng nhựa PLA hoặc PETG để đảm bảo độ cứng vững cho phần đế và độ sắc nét cho các đường viền của rãnh.
  • Thiết lập layer height: Để có bề mặt mịn màng nhất ở các phần bo tròn, hãy cân nhắc sử dụng layer height từ 0.12mm đến 0.16mm.
  • Hỗ trợ in ấn (Supports): Mặc dù hình dạng khá phẳng, nhưng phần rãnh bên trong có thể cần một chút hỗ trợ (supports) tùy vào khả năng bắc cầu (bridging) của máy in bạn đang sở hữu.
  • Lưu ý về lỗ vít: 6 lỗ bắt vít được thiết kế với kích thước chuẩn, bạn nên kiểm tra kỹ đường kính lỗ (phi 3.4 và phi 7) sau khi in để đảm bảo ốc vít có thể lọt vừa vặn.
  • Mục đích giáo dục: Đây là tài liệu học tập tuyệt vời giúp bạn hiểu cách đọc bản vẽ kỹ thuật cơ khí thông qua mô hình 3D thực tế.

Nhìn chung, Pieza2 là một bước khởi đầu lý tưởng để bất kỳ ai yêu thích kỹ thuật có thể làm quen với các chi tiết phức tạp. Hãy tải về và bắt đầu thực hành ngay hôm nay để nâng cao kỹ năng thiết kế và in ấn của chính mình.

Giấy phép

Tác phẩm này được cấp phép theo

Creative Commons — Public Domain

CC0

Không yêu cầu ghi công
Remix & phái sinh Được phép
Sử dụng thương mại Được phép

File mô hình

TẤT CẢ FILE MÔ HÌNH (1 Tập tin)
Đang tải files, vui lòng chờ...
Vui lòng đăng nhập để bình luận.

Chưa có bình luận nào. Hãy là người đầu tiên!

Vui lòng đăng nhập để khoe bản in của bạn.

Chưa có bản in nào được khoe. Hãy là người đầu tiên!

Remix (0)