Mô hình khối ngũ giác đục lỗ kỹ thuật - Tệp STL chất lượng cao

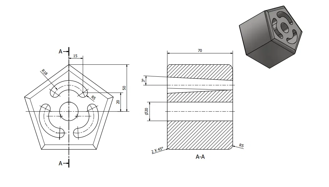
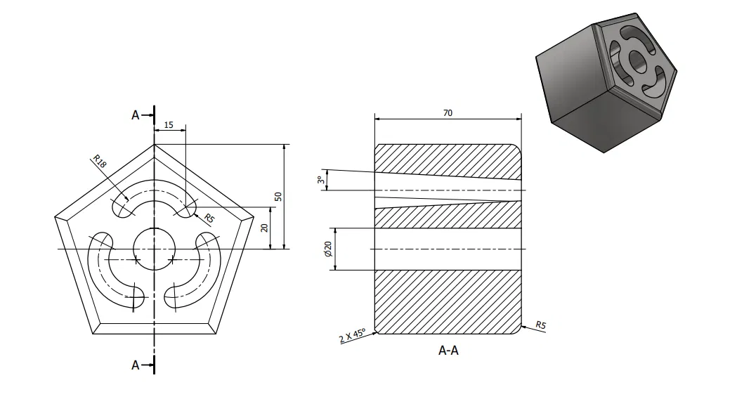
Bạn đang tìm kiếm một mô hình kỹ thuật chuẩn xác để thực hành in 3D? Hãy thử ngay file STL của khối ngũ giác đục lỗ (Pentagono Perforado) này. Với các thông số kỹ thuật chi tiết như đường kính lỗ 20mm, bán kính bo góc 18mm và các góc nghiêng 3 độ được tính toán kỹ càng, đây là mẫu thiết kế lý tưởng cho các dự án cơ khí hoặc học tập thiết kế. Sản phẩm không chỉ có tính ứng dụng cao trong việc làm đế đỡ, chi tiết máy mà còn là vật phẩm trang trí để bàn cực kỳ chuyên nghiệp. Với kích thước tổng thể 70mm và thiết kế thông minh, mẫu in này tối ưu hóa thời gian và giúp bạn dễ dàng hơn trong việc cài đặt support khi in bằng nhựa PLA hay PETG. Cùng tải ngay file để trải nghiệm độ chính xác của mô hình này nhé.

👁️
42
Lượt Xem
❤️
0
Lượt Thích
📥
0
Lượt Tải
Cập Nhật Mar 21, 2026
Chi tiết
Tải xuống
Bình Luận
Khoe bản in
Remix

Mô tả

Mô hình hình khối ngũ giác đục lỗ (Pentagono Perforado)

Chào các bác, hôm nay mình xin chia sẻ với anh em cộng đồng in 3D một mẫu thiết kế mang tính kỹ thuật rất thú vị và hữu ích cho những ai đang tập tành học phần mềm thiết kế hoặc cần các khối hình học chuẩn xác để ứng dụng trong lắp ráp cơ khí. Đây là một khối ngũ giác đều có các lỗ đục xuyên suốt, được thiết kế với độ chính xác cao dựa trên các thông số kỹ thuật rõ ràng. Với vẻ ngoài độc đáo và cấu trúc đối xứng hoàn hảo, sản phẩm này không chỉ là một bài tập thực hành thiết kế tuyệt vời mà còn có thể ứng dụng làm chi tiết chịu lực, đế đỡ hoặc các phần trang trí mang phong cách công nghiệp hiện đại trong các mô hình máy móc.

Việc sở hữu một file STL chuẩn chỉnh như thế này sẽ giúp các bác tiết kiệm được kha khá thời gian khi phải dựng lại từ đầu. Các thông số như đường kính lỗ tâm 20mm, các đường cong phụ trợ với bán kính R18 và R5 đều được tính toán kỹ lưỡng, đảm bảo tính thẩm mỹ cũng như sự cân bằng khi in. Đặc biệt, chi tiết này có góc nghiêng 3 độ bên trong các lỗ phụ, tạo nên một độ dốc tinh tế giúp việc in 3D trở nên dễ dàng hơn và giảm thiểu nhu cầu phải sử dụng quá nhiều support rắc rối, giúp bề mặt sau khi in vẫn đảm bảo độ mịn màng và sạch sẽ.

Dưới đây là một vài thông tin kỹ thuật và lưu ý để các bác in 3D mẫu này đạt chất lượng tốt nhất:

  • Kích thước tổng thể: Khối ngũ giác có chiều cao 50mm và chiều dài thân 70mm, rất vừa vặn để làm mô hình mẫu hoặc chi tiết máy nhỏ.
  • Vật liệu đề xuất: Nên dùng PLA hoặc PETG để đảm bảo độ cứng vững cho khối. Nếu cần chịu nhiệt, anh em có thể cân nhắc ABS.
  • Thông số in: Nên đặt layer height từ 0.2mm để cân bằng giữa thời gian in và độ mịn bề mặt. Infill khoảng 20-30% là đủ cứng cáp cho hầu hết các nhu cầu thực tế.
  • Hỗ trợ in ấn: Do thiết kế có các lỗ đục xuyên suốt, các bác nên kiểm tra cài đặt hỗ trợ (support) ở phần vát mép 45 độ để đảm bảo chi tiết không bị võng hoặc lỗi bề mặt.
  • Ứng dụng: Phù hợp để làm chi tiết lắp ghép, mẫu thử kỹ thuật, hoặc vật trang trí để bàn làm việc rất ấn tượng và mang đậm chất chuyên gia.

Tổng kết lại, đây là một mẫu in 3D cơ bản nhưng hội tụ đủ các yếu tố về mặt hình học mà một người chơi hệ cơ khí cần có. Hy vọng mô hình này sẽ giúp ích cho các dự án của anh em và chúc mọi người có những bản in thật hoàn hảo, không bị lỗi support hay bong tróc nhé!

Giấy phép

Tác phẩm này được cấp phép theo

Creative Commons — Public Domain

CC0

Không yêu cầu ghi công
Remix & phái sinh Được phép
Sử dụng thương mại Được phép

File mô hình

TẤT CẢ FILE MÔ HÌNH (1 Tập tin)
Đang tải files, vui lòng chờ...
Vui lòng đăng nhập để bình luận.

Chưa có bình luận nào. Hãy là người đầu tiên!

Vui lòng đăng nhập để khoe bản in của bạn.

Chưa có bản in nào được khoe. Hãy là người đầu tiên!

Remix (0)