Ngàm gắn cho ESP32-C6 LCD 1.47"
Ngàm gắn chuyên dụng cho bo mạch ESP32-C6 tích hợp màn hình LCD 1.47". Thiết kế chắc chắn, giúp bạn dễ dàng lắp đặt thiết bị vào vỏ hộp dự án một cách gọn gàng và chuyên nghiệp. Không cần in support, dễ dàng thi công.
Mô tả
Một chiếc ngàm gắn gọn gàng cho bo mạch ESP32-C6 tích hợp màn hình LCD 1.47". Được thiết kế để lắp đặt vào vỏ hộp dự án, với phần màn hình hướng ra ngoài thông qua lỗ khoét.
Phần cứng cần chuẩn bị:
- 4× ốc vít tự ren M3×6 (để gắn vào vỏ hộp)
- 4× bu lông M2×6 (để gắn PCB vào ngàm)
Không cần in support.
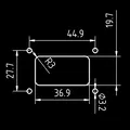
Để gắn ngàm này vào vỏ hộp của bạn, hãy khoét một lỗ hình chữ nhật với kích thước như sau:

Giấy phép
File mô hình
Chưa có bản in nào được khoe. Hãy là người đầu tiên!
Chưa có bình luận nào. Hãy là người đầu tiên!