Smart fortwo - Đèn cốp sau (phong cách Brabus)

Tự tay thiết kế bộ đèn cốp cho xe Smart fortwo 451 với chi phí cực rẻ. Hướng dẫn chi tiết cách lắp đặt đèn LED tự chế giúp bạn dễ dàng tìm đồ trong cốp xe khi trời tối, thay thế cho bộ đèn Brabus đắt đỏ và khó tìm.

👁️
27
Lượt Xem
❤️
0
Lượt Thích
📥
0
Lượt Tải
Cập Nhật Mar 17, 2026
Chi tiết
Tải xuống
Bình Luận
Khoe bản in
Remix

Mô tả

Mình thiết kế bộ đèn cốp này cho xe Smart fortwo 451 vì hầu hết các dòng xe này đều không có đèn trong cốp (thật là bất tiện mỗi khi trời tối mà bạn cần lấy đồ đạc hay đồ tạp hóa...). Bạn có thể mua đèn cốp từ hãng độ Brabus của Đức, nhưng thường là không có hàng và giá lại lên tới khoảng 120 Euro. Vì vậy, bộ đèn tự chế này có ưu điểm là: A.) rẻ hơn nhiều (chỉ khoảng 20 Euro) và B.) bạn còn có thể dùng nó làm đèn nội thất cho các dòng xe khác. Mình đã đấu đèn này vào công tắc của đèn trần và đi dây dưới các tấm ốp nội thất từ phía trước ra phía sau xe.

Những linh kiện bạn cần chuẩn bị:

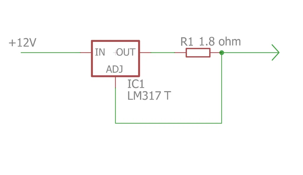
  • 1x mạch hạ áp (step-down) (để điều chỉnh điện áp từ 12V xuống khoảng 3,5V)
  • 1x bóng Power LED
  • 1x chip Power LED
  • 1x tản nhiệt 10mm x 10mm
  • 2x ốc vít nhỏ (có thể lấy từ ổ CD-ROM cũ)
  • 2x dây điện dài khoảng 1,5m (nên chọn màu đỏ và đen)

Các công cụ cần thiết:

  • Mỏ hàn
  • Keo dán (để gắn hai bộ phận đã in)
  • Keo tản nhiệt (để gắn tản nhiệt lên chip LED)
  • Mũi khoan 30mm (để khoan lỗ lớn lên tấm ốp nội thất)
  • Mũi khoan 1mm (để khoan lỗ nhỏ trên phần nhựa in nhằm bắt vít chip LED bằng ốc từ ổ CD cũ)
  • Dũa (để dũa một rãnh nhỏ giúp cố định phần nhựa in, tránh bị xoay)

Mình rất mong nhận được phản hồi từ các bạn, cảm ơn mọi người!

Giấy phép

Tác phẩm này được cấp phép theo

Creative Commons — Attribution

CC-BY

Yêu cầu ghi công
Remix & phái sinh Được phép
Sử dụng thương mại Được phép

File mô hình

TẤT CẢ FILE MÔ HÌNH (1 Tập tin)
Đang tải files, vui lòng chờ...
Vui lòng đăng nhập để bình luận.

Chưa có bình luận nào. Hãy là người đầu tiên!

Vui lòng đăng nhập để khoe bản in của bạn.

Chưa có bản in nào được khoe. Hãy là người đầu tiên!

Remix (0)