Mô hình kỹ thuật cơ khí Pieza 4 - Bài tập thiết kế 3D chuyên nghiệp

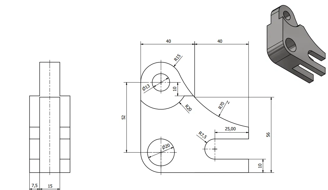
Mô hình Pieza 4 là một mẫu thiết kế cơ khí chuyên dụng, được tạo ra nhằm hỗ trợ mục đích thực hành kỹ thuật và rèn luyện tư duy thiết kế CAD. Với những thông số hình học chính xác như các đường cong R15, R20, R70 và các lỗ khoan kỹ thuật phi 13mm, 20mm, chi tiết này là bài kiểm tra tuyệt vời cho khả năng duy trì trục đối xứng trong mô hình hóa 3D. Sản phẩm này không chỉ hữu ích cho các sinh viên kỹ thuật mà còn là nguồn tài nguyên quý giá cho bất kỳ ai muốn nâng cao kỹ năng in 3D chuyên sâu. Nội dung bài viết cung cấp hướng dẫn chi tiết về thông số kỹ thuật, vật liệu khuyên dùng và các mẹo in ấn để đạt được độ chính xác cao nhất cho mô hình này.

👁️
15
Lượt Xem
❤️
0
Lượt Thích
📥
0
Lượt Tải
Cập Nhật Mar 17, 2026
Chi tiết
Tải xuống
Bình Luận
Khoe bản in
Remix

Mô tả

Mô hình kỹ thuật cơ khí Pieza 4 (Chi tiết máy đối xứng)

Mô hình Pieza 4 là một thiết kế đặc biệt được tạo ra để phục vụ cho mục đích thực hành kỹ thuật cơ khí, đặc biệt tập trung vào việc hiểu và áp dụng nguyên lý bảo toàn trục đối xứng trong thiết kế 3D. Đây là một linh kiện cơ khí có hình dáng phức tạp, bao gồm các cấu trúc hình học chính xác như các lỗ khoan đường kính 13mm và 20mm, cùng với các đường cong bán kính R15, R20 và R70. Thiết kế này đòi hỏi người thực hiện phải nắm vững các kỹ năng mô hình hóa 3D để đảm bảo tính chính xác của các đường nét và sự cân bằng hoàn hảo trên tổng thể chi tiết.

Sản phẩm này được thiết kế như một công cụ hỗ trợ giáo dục hoặc bài tập thực hành dành cho các kỹ sư, sinh viên ngành kỹ thuật hoặc những người đam mê thiết kế CAD muốn rèn luyện tư duy không gian. Nhìn vào bản vẽ kỹ thuật đi kèm, bạn sẽ thấy rõ sự phân bổ hợp lý của các khối hình, giúp người dùng dễ dàng hình dung quy trình gia công hoặc in 3D. Việc nắm bắt được các thông số kỹ thuật như khoảng cách tâm lỗ và độ dày 15mm là chìa khóa quan trọng để hiện thực hóa mô hình này một cách hoàn hảo nhất trong thực tế.

Các đặc điểm và lưu ý khi thực hiện in 3D mô hình này:

  • Thiết kế chú trọng vào sự đối xứng hoàn hảo, giúp việc lắp ráp hoặc đo đạc kỹ thuật trở nên thuận tiện hơn rất nhiều.
  • Các lỗ có kích thước tiêu chuẩn (phi 13mm và phi 20mm) phù hợp để kiểm tra khả năng in lỗ chính xác của máy in 3D.
  • Cấu trúc tổng thể vững chãi, rất thích hợp để làm mô hình trưng bày hoặc vật mẫu thử nghiệm khả năng chịu lực của vật liệu in.
  • Nên sử dụng vật liệu PLA hoặc PETG với độ chi tiết cao (layer height khoảng 0.16mm đến 0.2mm) để đảm bảo các đường cong R70 và R20 được thể hiện mượt mà nhất.
  • Khi in, hãy chú ý hướng đặt mô hình trên bàn in để giảm thiểu tối đa lượng support (vật liệu hỗ trợ), giúp bề mặt chi tiết sau khi in sạch đẹp và đạt độ thẩm mỹ cao hơn.
  • Đây là tài liệu thực hành lý tưởng cho những ai muốn nâng cao kỹ năng thiết kế cơ khí và tư duy tối ưu hóa vật thể trong môi trường in 3D chuyên nghiệp.

Kết luận, Pieza 4 không chỉ là một khối hình học đơn thuần, mà còn là bài kiểm tra trình độ thiết kế của người thực hiện. Bằng cách tập trung vào việc bảo toàn trục đối xứng và sự chính xác của kích thước, bạn hoàn toàn có thể tạo ra một thành phẩm ấn tượng và đầy tính ứng dụng.

Giấy phép

Tác phẩm này được cấp phép theo

Creative Commons — Public Domain

CC0

Không yêu cầu ghi công
Remix & phái sinh Được phép
Sử dụng thương mại Được phép

File mô hình

TẤT CẢ FILE MÔ HÌNH (1 Tập tin)
Đang tải files, vui lòng chờ...
Vui lòng đăng nhập để bình luận.

Chưa có bình luận nào. Hãy là người đầu tiên!

Vui lòng đăng nhập để khoe bản in của bạn.

Chưa có bản in nào được khoe. Hãy là người đầu tiên!

Remix (0)