Cánh tay đòn Servo Horn cho động cơ SG90 - File in 3D chi tiết

Bạn đang tìm kiếm linh kiện thay thế cho động cơ servo SG90? Mẫu servo horn (cánh tay đòn) được thiết kế chuyên dụng này là giải pháp hoàn hảo cho những anh em đam mê in 3D và chế tạo mô hình. Với kích thước chuẩn xác và thiết kế thông minh tích hợp nhiều lỗ gắn, bạn có thể dễ dàng điều chỉnh hành trình chuyển động cho các dự án robot hoặc máy bay mô hình của mình. Bài viết cung cấp hướng dẫn chi tiết về cách lựa chọn vật liệu in 3D như PLA hoặc PETG, các thiết lập thông số layer height tối ưu để đạt độ bền cơ học cao nhất. Hãy tự tay in linh kiện dự phòng này ngay tại nhà để không làm gián đoạn quá trình sáng tạo của bạn.

👁️
39
Lượt Xem
❤️
1
Lượt Thích
📥
7
Lượt Tải
Cập Nhật Mar 14, 2026
Chi tiết
Tải xuống
Bình Luận
Khoe bản in
Remix

Mô tả

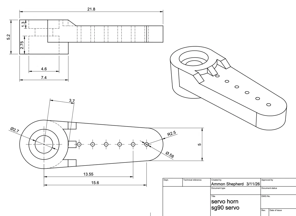
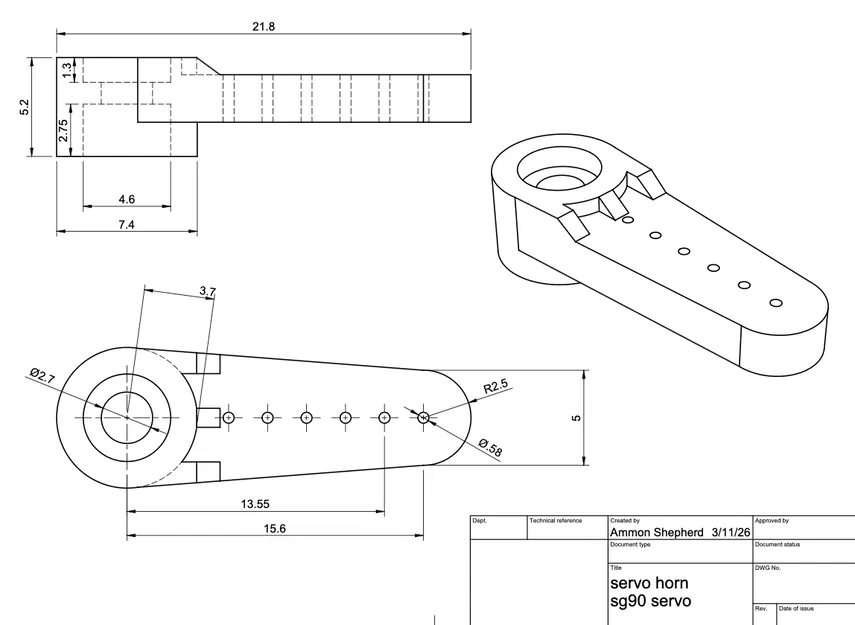
Cánh tay đòn (servo horn) cho động cơ SG90

Cánh tay đòn hay còn gọi là servo horn là một linh kiện cơ khí quan trọng đối với những anh em đam mê chế tạo mô hình, đặc biệt là khi sử dụng các dòng động cơ servo SG90 phổ biến. Đây là thiết bị trung gian giúp truyền chuyển động quay từ trục động cơ sang các thanh đẩy hoặc dây kéo, từ đó điều khiển các bộ phận chuyển động trên mô hình như cánh lái máy bay, tay máy robot hoặc các cơ cấu đóng mở tự động. Mẫu thiết kế này được tối ưu hóa với độ chính xác cao, giúp người dùng dễ dàng thay thế khi các phụ kiện nhựa zin đi kèm servo bị gãy hoặc cần tùy biến chiều dài để thay đổi hành trình chuyển động.

Việc sở hữu một file STL chất lượng để tự in 3D các linh kiện nhỏ như thế này mang lại sự chủ động rất lớn. Bạn không cần phải chờ đợi đặt hàng linh kiện từ xa khi chẳng may làm hỏng servo horn trong quá trình thử nghiệm. Chỉ cần một máy in 3D để bàn với vật liệu nhựa cứng cáp, bạn đã có thể tự sản xuất hàng loạt cánh tay đòn với kích thước chuẩn xác, phù hợp với mọi dự án kỹ thuật từ đơn giản đến phức tạp.

Dưới đây là một số đặc điểm và lưu ý quan trọng để bạn in và sử dụng hiệu quả:

  • Tương thích hoàn hảo với các dòng động cơ SG90 tiêu chuẩn trên thị trường.
  • Thiết kế gồm nhiều lỗ nhỏ dọc theo cánh tay, giúp bạn linh hoạt điều chỉnh điểm gắn thanh đẩy để thay đổi khoảng cách di chuyển.
  • Nên sử dụng vật liệu PLA hoặc PETG để đảm bảo độ cứng vững, chịu được lực tác động từ servo.
  • Cài đặt độ phân giải in (layer height) từ 0.12mm đến 0.16mm để đảm bảo các chi tiết răng cưa hoặc lỗ trục được sắc nét, tránh tình trạng bị lỏng lẻo khi lắp vào trục motor.
  • Sử dụng chế độ Infill 100% để đảm bảo độ bền tối đa, tránh bị nứt gãy dưới tác động lực liên tục.
  • Kiểm tra kỹ kích thước sau khi in, nếu cần có thể dùng dũa nhỏ để làm mịn các cạnh trước khi lắp đặt.

Việc tự in 3D linh kiện không chỉ tiết kiệm chi phí mà còn giúp bạn nắm vững kiến thức kỹ thuật. Nếu bạn đang theo đuổi các dự án robot giáo dục hoặc mô hình điều khiển từ xa, việc chuẩn bị sẵn vài chiếc servo horn dự phòng trong bộ kit của mình là điều rất cần thiết. Hy vọng mẫu thiết kế này sẽ hỗ trợ đắc lực cho những sáng tạo tuyệt vời của bạn.

Giấy phép

Tác phẩm này được cấp phép theo

Creative Commons — Public Domain

CC0

Không yêu cầu ghi công
Remix & phái sinh Được phép
Sử dụng thương mại Được phép

File mô hình

TẤT CẢ FILE MÔ HÌNH (3 Tập tin)
Đang tải files, vui lòng chờ...
Vui lòng đăng nhập để bình luận.

Chưa có bình luận nào. Hãy là người đầu tiên!

Vui lòng đăng nhập để khoe bản in của bạn.

Chưa có bản in nào được khoe. Hãy là người đầu tiên!

Remix (0)