Ke Góc Gia Cố 65x65mm - Ke Vuông Nội Thất

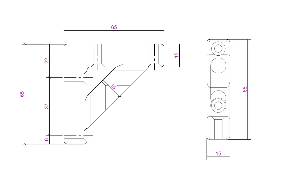
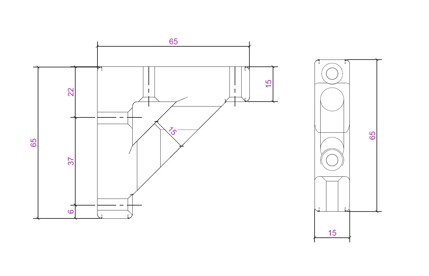
Ke góc gia cố 65x65mm dùng để tăng độ bền cho đồ nội thất, kệ và tủ gỗ. Thiết kế tối ưu, không cần support, phù hợp với vít đầu âm 4mm. Giải pháp DIY hoàn hảo để sửa chữa và củng cố cấu trúc đồ đạc trong gia đình.

👁️
48
Lượt Xem
❤️
1
Lượt Thích
📥
10
Lượt Tải
Cập Nhật Mar 12, 2026
Chi tiết
Tải xuống
Bình Luận
Khoe bản in
Remix

Mô tả

Mô tả

Ke góc gia cố này được thiết kế để tăng cường độ chắc chắn cho đồ nội thất, kệ, tủ hoặc các kết cấu bằng gỗ. Các lỗ bắt vít được thiết kế cho loại vít đầu âm (countersunk) 4mm, nhưng bạn có thể dễ dàng thay đổi kích thước mô hình trong phần mềm slicer nếu cần. Thiết kế đơn giản và tối ưu để in 3D dễ dàng mà không cần dùng support.

Kích thước

  • Kích thước: 65 x 65mm
  • Đường kính lỗ: 5mm
  • Thiết kế cho vít đầu âm 4mm

Cài đặt in khuyến nghị

  • Chất liệu: PLA hoặc PETG
  • Infill: 20% hoặc cao hơn
  • Support: Không cần
  • Hướng in: Đặt mặt phẳng xuống bàn in

Ứng dụng phổ biến

  • Gia cố kệ treo tường
  • Tăng cường độ cứng cho các góc nội thất
  • Sửa chữa đồ gỗ DIY
  • Gia cố khung tủ

Nếu bạn đã in sản phẩm

Đừng ngần ngại đăng thành phẩm và chia sẻ hình ảnh nhé. Điều này giúp ích rất nhiều cho những người chơi khác và giúp dự án trở nên hoàn thiện hơn!

Giấy phép

Tác phẩm này được cấp phép theo

Creative Commons — Attribution

CC-BY

Yêu cầu ghi công
Remix & phái sinh Được phép
Sử dụng thương mại Được phép

File mô hình

TẤT CẢ FILE MÔ HÌNH (2 Tập tin)
Đang tải files, vui lòng chờ...
Vui lòng đăng nhập để bình luận.

Chưa có bình luận nào. Hãy là người đầu tiên!

Vui lòng đăng nhập để khoe bản in của bạn.

Chưa có bản in nào được khoe. Hãy là người đầu tiên!

Remix (0)