Drag chain dạng mở tối ưu cho in 3D

Drag chain dạng mở “over-engineered”, tối ưu phần hinge để không bị overhang, in xong chạy mượt không cần clean up. Khóa chain bằng đoạn filament 1,75mm, không cần supports; có các size 19,5mm và 22,5mm.

👁️
4.2K
Lượt Xem
❤️
59
Lượt Thích
📥
701
Lượt Tải
Cập Nhật Mar 06, 2026
Chi tiết
Tải xuống
Bình Luận
Khoe bản in
Remix

Mô tả

Mình đã test khá nhiều drag chain của nhiều người nhưng chưa bao giờ thật sự hài lòng với thiết kế. Vậy nên mình làm một thiết kế riêng, tập trung nhiều nhất vào phần bản lề (hinge). Nếu bạn muốn đọc thêm về quá trình thiết kế thì xem phần bên dưới.

Key features:
  • Không bị overhang ở chốt bản lề (hinge bolt), nhờ phần đáy được vát (chamfer)
  • Chain được khóa lại bằng một đoạn filament 1,75mm
  • In xong không cần dọn/clean up
  • In xong là chạy mượt ngay, không cần “wear in”
Hướng dẫn in (Print instructions):
  • Không cần supports
  • Layer 0,2mm để bề mặt đẹp hơn và hoạt động mượt hơn
Cách sử dụng:
  1. In các mắt xích (elements) bạn cần.
  2. Bóp chặt phần cái (female) của mắt xích và bấm (snap) vào phần đực (male).
  3. Cắt các đoạn filament 1,75mm
  4. Luồn các đoạn filament vào chain để khóa lại.

Giới hạn (Limitations): Dung sai (tolerances) của chain được để hơi rộng hơn một chút để chạy mượt. Vì vậy, tùy dung sai máy của bạn, chain có thể bị võng/sệ khi treo lơ lửng trên không.

Kích thước đang có (Provided dimensions)

Hiện tại mình cung cấp các kích thước dưới đây. Nếu bạn cần size khác thì cứ nhắn mình, biết đâu mình sắp xếp được thời gian để làm thêm phiên bản cho bạn.

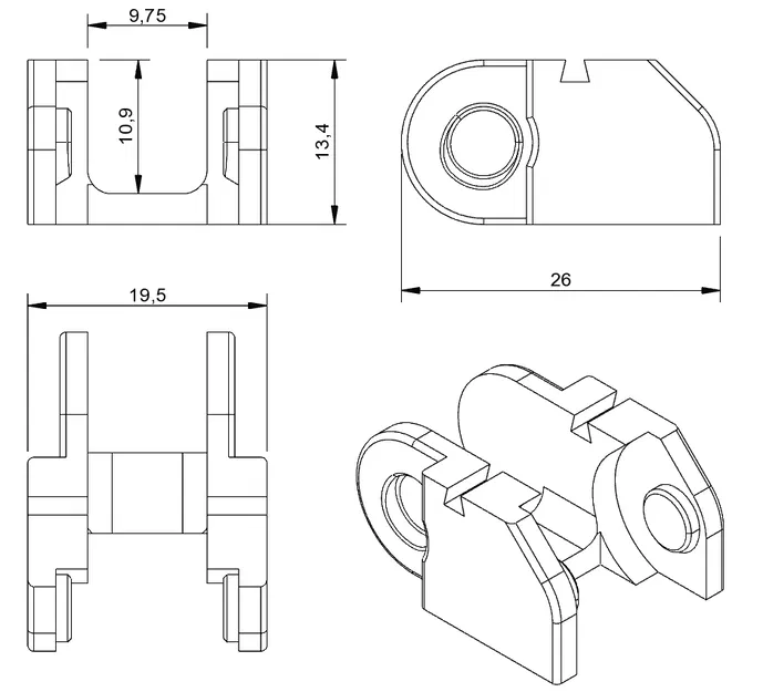
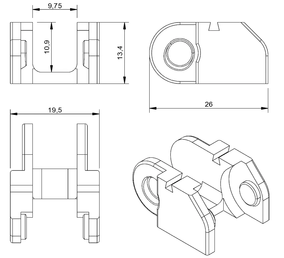
  • Drag chain 19,5 mm.
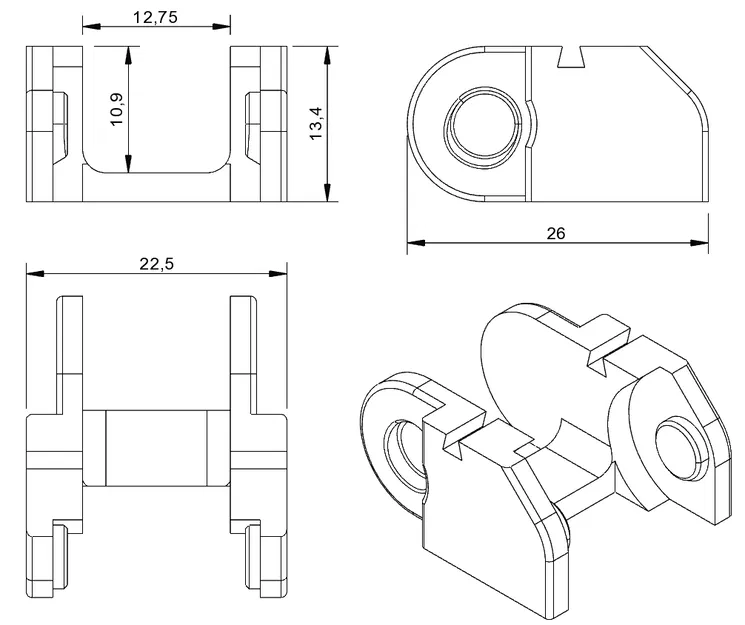
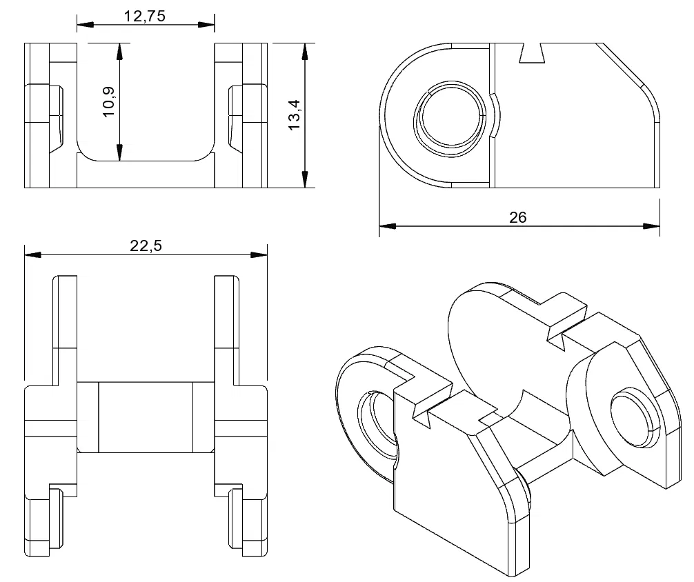
    • Kích thước ngoài: 19,5 x 13,4 mm
    • Kích thước trong: 9,75 x 10,9 mm
  • Drag chain 22,5 mm.
    • Kích thước ngoài: 22,5 x 13,4 mm
    • Kích thước trong: 12,75 x 10,9 mm
  • 29,5 mm (sẽ phát hành sau)
File được cung cấp (Provided files)

Với mỗi kích thước sẽ có 4 file/loại như sau.

  • chain_link_xx.x (mắt xích thường)
  • chain_link_xx.x_fixie (mắt xích thường có lỗ để cố định)
  • chain_link_xx.x_end_female (đầu cuối, kết nối dạng female)
  • chain_link_xx.x_end_male (đầu cuối, kết nối dạng male)

File nguồn định dạng Alibre Atom có, nhưng website không cho upload. Nếu bạn cần thì nhắn mình.

Hướng tiếp cận thiết kế (Design approach)

Những điểm mình chê nhiều nhất là:

  • Phần đực (male) của bản lề bị overhang quá nhiều nên dễ in không sạch.
  • Dung sai bị siết quá chặt nên phải “wear in” mới mượt. Mà mượt cũng không thật sự mượt.
  • Nhiều chain dùng các clip nhỏ để khóa lại, bạn phải in thêm các clip đó.

Vì vậy chain này được thiết kế theo các nguyên tắc:

  • Tối ưu phần bản lề để tránh overhang và chảy xệ (sagging) trong lúc in.
  • Không cần clip riêng để khóa chain.
  • In xong là chạy mượt liền.

Để ra được thiết kế hiện tại, mình đã làm khoảng 10 lần chỉnh sửa. Phần tốn công nhất là tối ưu khu vực bản lề. Các chain mình test hoặc thấy online thường dùng một trụ tròn (cylinder) làm bản lề; có vài thiết kế cũng vát (chamfer) cái chốt này. Nhưng cuối cùng chốt vẫn là một cylinder nhô ra từ một vách 90°, tạo thành overhang. Do mình hay in nhanh các chi tiết nhỏ, mình gặp tình trạng các cylinder này dễ bị sệ vì không đủ thời gian làm mát. Nên mình muốn thiết kế của mình không có overhang ở khu vực này.

Để đầy đủ thì một hướng khác là tinh chỉnh slicer settings, nhưng sẽ làm máy in chậm lại. Mà mình cần khá nhiều chain (~ 1800 mm), nên mình muốn tránh việc tăng thời gian in cộng dồn cho từng mắt xích.

Cách mình làm là dùng một cylinder được “đỡ” từ bên dưới bằng một mặt vát (chamfer) chỉ bao phủ một phần chu vi. Giải pháp này khá đơn giản cho khu vực chốt, nhưng lại làm phần khớp/phần cái (joint/female) trên chain khó hơn. Vì chamfer đỡ chốt sẽ xoay 45° trong khớp, nên phần khớp phải được khoét thoáng ở những vùng chuyển động. Trong bản sketch phải đặt số lượng constraint nhiều một cách hơi “lố”, nhưng cuối cùng vẫn ra kết quả rất ổn.

Thiết kế này vẫn còn chỗ để cải thiện, nhưng hiện tại đã đáp ứng hết nhu cầu của mình. Mình đang dùng nó trên máy in 3D và cả một con MPCNC mình tự build. Một số hướng cải thiện có thể là:

  • Siết dung sai lại để giảm độ võng/sệ của chain mà vẫn giữ được độ mượt “không cần clean up”.

Mình rất vui nếu được thấy các bản in (makes) của bạn đăng lên :)

File nguồn định dạng Alibre Atom có, nhưng website không cho upload. Nếu bạn cần thì nhắn mình.

Giấy phép

Tác phẩm này được cấp phép theo

Creative Commons — Attribution — Noncommercial — Share Alike

CC-BY-NC-SA

Yêu cầu ghi công
Remix & phái sinh Được phép
Sử dụng thương mại Không được phép

File mô hình

TẤT CẢ FILE MÔ HÌNH (16 Tập tin)
Đang tải files, vui lòng chờ...
Vui lòng đăng nhập để bình luận.

Chưa có bình luận nào. Hãy là người đầu tiên!

Vui lòng đăng nhập để khoe bản in của bạn.

Chưa có bản in nào được khoe. Hãy là người đầu tiên!

Remix (0)