Weather Station One Part 3 - Cảm biến Nhiệt độ/Độ ẩm/Áp suất khí quyển

Part 3 của dự án Weather Station One dạng mô-đun: cụm cảm biến đo nhiệt độ, độ ẩm và áp suất khí quyển (BME280) để đặt trong Stevenson Screen/Wetterhütte. Có hướng dẫn in PETG và danh sách linh kiện cần thiết.

👁️
3.3K
Lượt Xem
❤️
75
Lượt Thích
📥
394
Lượt Tải
Cập Nhật Mar 06, 2026
Chi tiết
Tải xuống
Bình Luận
Khoe bản in
Remix

Mô tả

Tổng quan về dự án

Đây là một phần của dự án Weather Station One, một trạm thời tiết hoàn chỉnh và dạng mô-đun. Thiết kế của hệ thống được định hướng bởi một số yêu cầu:

  • thu thập đầy đủ các kênh thời tiết phổ biến gồm nhiệt độ, độ ẩm, áp suất khí quyển, mưa, tốc độ & hướng gió, độ rọi / số giờ nắng, độ ẩm đất
  • thiết kế mô-đun cho phép chỉ làm một phần, hoặc mở rộng thêm dải cảm biến
  • mức độ tự làm (DIY) cao nhất có thể
  • hỗ trợ truyền xa – vị trí đo có thể đặt xa nhà
  • tích hợp vào hệ thống home automation
  • thiết kế 3D vừa chạy ổn, dễ in, và đẹp

Khi cân nhắc làm một dự án như vậy, xin lưu ý là dù đã công bố toàn bộ thiết kế, bạn vẫn sẽ phải bỏ công làm khá nhiều. Không chỉ là in 3D, mà còn có làm mộc, hàn / điện tử, và thêm cả phần mềm.

Các phần đã được công bố gồm:

  1. Part 1: Central Station. Đây là phần mà tất cả cảm biến sẽ kết nối vào. Nó dùng pin / năng lượng mặt trời để có thể đặt ở vị trí tối ưu cho việc đo đạc. Nó gửi dữ liệu thu thập được bằng chip HC-12 / băng 433Mhz (tầm xa tới 1 km).
  2. Part 2: Base Station. Đây là phần đối ứng với Central Station. Nó nhận dữ liệu qua một chip HC-12 khác và chuyển tiếp sang hệ thống home-automation. Ngoài ra, nó có web server để truy cập trực tiếp dữ liệu thời tiết.
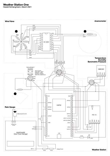
  3. Part 3: Temperature (và các kênh khác) sensor. Cảm biến này được thiết kế để đặt trong Stevenson Screen / Wetterhütte chuẩn. Phiên bản hiện tại đo nhiệt độ môi trường, độ ẩm và áp suất khí quyển bằng cảm biến số. Nó kết nối về Central Station.
  4. Part 4: Rain Gauge. Đây là đồng hồ đo mưa thu nước mưa và đổ vào các gàu lật (tipping buckets). Số lần lật được đo bằng reed contact kích bởi nam châm gắn trên gàu. Nó kết nối về Central Station.
  5. Part 5: Wind Vane and Anemometer. Có lẽ là phần in phức tạp nhất, đo 16 hướng gió và tốc độ gió. Tương tự rain gauge, đây là một phần cơ khí. Hướng gió được đo bằng 8 reed contacts, hoặc cảm biến đo góc từ tính. Tốc độ gió được đo bằng một reed contact đóng mạch mỗi khi cánh chén (anemometer) quay tròn đủ một vòng. Nó kết nối về Central Station.
  6. Part 6: Stevenson Screen / Wetterhütte. Phần này không mô tả chi tiết thêm vì tụi mình làm theo một tutorial do DWD (Deutscher Wetterdienst) công bố. Do tutorial đó đã bị gỡ khỏi website của họ từ lâu, bạn có thể tìm bản PDF trong Part 1: Central Station.
  7. Part 7: optional Battery Pack. Module solar và mạch sạc được chọn có sẵn ngàm cho pin Lithium cỡ 14500. Tùy theo mức tiêu thụ điện của Central Station (và các cảm biến) bạn có thể muốn dùng thêm Battery Pack rời.
  8. Part 8: Software and Electronics. Phần này được công bố trên Github.
  9. Part 9: Solar Panel Mount. Đây là ngàm gắn tấm pin năng lượng mặt trời đang dùng hiện tại. Nó cho phép chỉnh góc nâng để tối ưu phát điện cho mùa Đông và mùa Hè. Về trung hạn sẽ được thay bằng solar tracker bám theo azimuth của mặt trời.

Để tiện cho bạn, mình có tạo một bộ sưu tập WeatherStationOne gồm tất cả các phần trừ part 6 và 8.

Kết thúc phần tổng quan chung cho tất cả các part.

Part 2 - Cảm biến Nhiệt độ (và các kênh khác)

Khác với các trạm thời tiết dạng nhỏ gọn mà bạn hay thấy hiện nay, tụi mình quyết định làm một weather hut / Stevenson Screen đúng chuẩn như các trạm thời tiết kiểu cổ điển. Những “chòi” này kích thước lớn, phía trên có khoang chứa rộng rãi. Kết cấu dùng các nan đôi (double slats) là một lớp bảo vệ rất tốt để tránh nắng trực tiếp làm sai lệch phép đo nhiệt độ. Đây là thứ bạn không đạt được nếu dùng Stevenson Screen loại nhỏ gọn.

Vì vậy đây là một part khá đặc biệt. Nó không cần che nắng mưa. Thay vào đó, nó được thiết kế dạng tháp để đặt cảm biến số đúng ngay giữa khoang của weather hut. Nếu bạn không muốn làm chòi như tụi mình, vui lòng đặt cảm biến số vào một trong các Stevenson Screen nhỏ gọn đang có.

Với phiên bản đầu tiên này, tụi mình dùng cảm biến BME280. Giá rẻ bất ngờ và có ba kênh đo. Có người góp ý là nó có thể không phải lựa chọn tốt nhất về độ chính xác và độ tin cậy, nhưng tới giờ vẫn hoạt động ổn. Tụi mình cũng hiệu chuẩn bằng phần mềm. Bản cập nhật sau có thể sẽ thay cảm biến. Tụi mình sẽ cập nhật phần “top” của bản in này để vẫn tương thích.

Vì cảm biến nằm trong khoang được che chắn, nên nó không được bảo vệ khỏi mưa.

Cập nhật 20/2/2022: phiên bản mới của Leg và Foot có thêm lỗ M6 ở phía dưới. Nhờ vậy có thể cố định để tránh mẫu bị ngã/đổ.

Cấu hình in

  • Layer height 0.2mm
  • 0.4mm nozzle
  • 15% infill
  • Nhựa PETG màu trắng
  • đặt hai nửa tạo thành phần đáy của vỏ cảm biến nằm nghiêng sang bên
  • không cần support, ngoại trừ phần top housing; tụi mình thêm support enforcers ở phía dưới để xử lý overhang; phần bên trong tuyệt đối không được có support – sẽ cực kỳ khó gỡ ra khỏi các khe hở

Các phần khác cần chuẩn bị

  • 2x ốc M3x10
  • 1x board cảm biến số BME280 (bản ngàm 1 lỗ)
  • dây ngắn đi từ cảm biến về central station, đường kính ngoài 4.7mm
  • 1x đầu cắm MiniDIN (PS/2) 6 pin (dùng phần shielding như dây thứ 7)

Lời kết

Đây là một mẫu 3D miễn phí khác được chia sẻ cho bạn. Việc thiết kế, thử nghiệm, chuẩn bị, đăng tải và duy trì các mẫu tốn khá nhiều công. Nếu bạn thấy thích, bạn có thể gửi ủng hộ bằng nút đồng xu ở góc trên bên phải. Cám ơn nhiều!

Giấy phép

Tác phẩm này được cấp phép theo

Creative Commons — Attribution

CC-BY

Yêu cầu ghi công
Remix & phái sinh Được phép
Sử dụng thương mại Được phép

File mô hình

TẤT CẢ FILE MÔ HÌNH (6 Tập tin)
Đang tải files, vui lòng chờ...
Vui lòng đăng nhập để bình luận.

Chưa có bình luận nào. Hãy là người đầu tiên!

Vui lòng đăng nhập để khoe bản in của bạn.

Chưa có bản in nào được khoe. Hãy là người đầu tiên!

Remix (0)