Mô hình heatsink Flsun Q5 cho Hotend thiết kế và chế tạo

Đây chỉ là một phần tập tin cho thông tin/xây dựng! Không phải là một điều để in!

👁️
349
Lượt Xem
❤️
7
Lượt Thích
📥
25
Lượt Tải
Cập Nhật Nov 19, 2025
Chi tiết
Tải xuống
Bình luận
Showcase
Remixes

Mô tả

Nội dung được dịch bằng AI

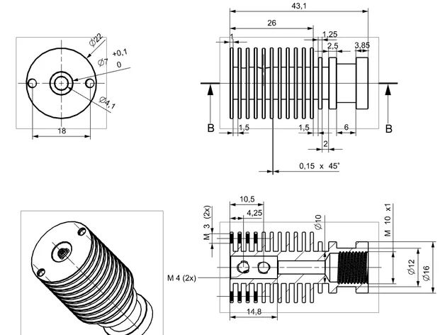
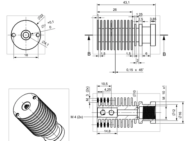
Tôi đã tìm kiếm một mô tả tốt về các bộ phận Hotend gốc cho Q5 của mình để thay thế Bore-Heatbreak gốc bằng một cái Allmetal, chẳng hạn như "Slice Engineering" hoặc tương tự. Nhưng, tôi không tìm thấy thông tin hữu ích nên tôi quyết định tháo rời và reverse engineer nó. Đây là phần đầu tiên, Heatsink đã được đo.

Trong bức ảnh cuối cùng, bạn có thể thấy rằng một Heatbreak kiểu Ender3/CR10 với chiều dài 27mm vừa vặn hoàn hảo khi bạn lắp một vòi phun E3D vào Heatblock gốc! Vì vậy, tôi đã đặt hàng một số bộ phận từ 3djack.de và tôi sẽ sớm cho bạn thấy kết quả ở đây!

Giấy phép

Tác phẩm này được cấp phép theo

GNU General Public License v2.0

GPL 2.0

Yêu cầu ghi công
Remix & Derivatives Được phép
Sử dụng thương mại Được phép

Model files

ALL MODEL FILES (2 files)
Loading files, please wait...
Vui lòng đăng nhập để bình luận.

Chưa có bình luận nào. Hãy là người đầu tiên!

Vui lòng đăng nhập để khoe bản in của bạn.

Chưa có bản in nào được khoe. Hãy là người đầu tiên!

Remixes (0)