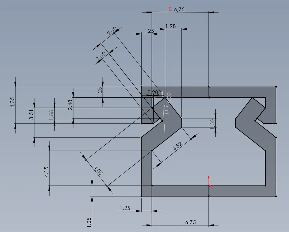
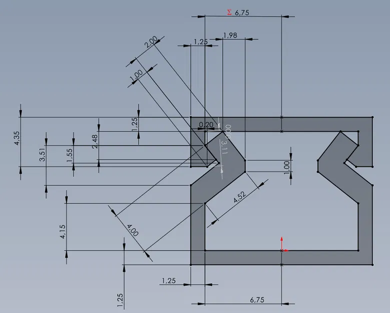
Nẹp điện (cable strip) đi dây điện

Nẹp điện (cable strip) gồm các đoạn thẳng 100/120/130/150/200 mm, kèm chi tiết góc và bộ phận nối. Phù hợp in bằng PLA hoặc PETG, layer height 0.3 mm, infill 15%.

👁️
2.7K
Lượt Xem
❤️
263
Lượt Thích
📥
547
Lượt Tải
Cập Nhật Mar 03, 2026
Chi tiết
Tải xuống
Bình Luận
Khoe bản in
Remix

Mô tả

Nẹp điện (cable strip) gồm các đoạn thẳng dài 100, 120, 130, 150 và 200 mm, một chi tiết góc và các bộ phận nối.

Các chi tiết cần in: 1 x đoạn thẳng 100 mm 1 x đoạn thẳng 120 mm 1 x đoạn thẳng 130 mm 1 x đoạn thẳng 150 mm 1 x đoạn thẳng 200 mm 1 x nắp che góc dài 100 mm 1 x đoạn thẳng có đầu nối

Vật liệu PLA, PETG phù hợp để in. Layer height 0.3 mm, infill 15%.

Danh mục: Electronics

Giấy phép

Tác phẩm này được cấp phép theo

Creative Commons — Attribution — Share Alike

CC-BY-SA

Yêu cầu ghi công
Remix & phái sinh Được phép
Sử dụng thương mại Được phép

File mô hình

TẤT CẢ FILE MÔ HÌNH (15 Tập tin)
Đang tải files, vui lòng chờ...
Vui lòng đăng nhập để bình luận.

Chưa có bình luận nào. Hãy là người đầu tiên!

Vui lòng đăng nhập để khoe bản in của bạn.

Chưa có bản in nào được khoe. Hãy là người đầu tiên!

Remix (0)