Weather Station One Phần 1 - Trạm Trung Tâm (Central Station)
Phần 1 của dự án Weather Station One: hộp Central Station chứa ESP32, HC-12, sạc năng lượng mặt trời và pin, nơi mọi cảm biến kết nối về. Thiết kế module, truyền 433MHz xa, phù hợp đặt trong Stevenson Screen.
Mô tả
Tổng quan về dự án
Đây là một phần của dự án Weather Station One, một trạm thời tiết đầy đủ và theo kiểu module. Thiết kế của hệ thống được định hướng bởi một số yêu cầu:
- thu thập đầy đủ các kênh thời tiết phổ biến gồm nhiệt độ, độ ẩm, áp suất khí quyển (barometric pressure), mưa, tốc độ & hướng gió, độ chiếu sáng / số giờ nắng, độ ẩm đất
- thiết kế module cho phép bạn làm một phần thôi, hoặc mở rộng thêm dải cảm biến
- mức độ tự làm cao; DIY được càng nhiều càng tốt
- hỗ trợ truyền xa – đặt điểm đo cách nhà xa
- tích hợp vào hệ thống home automation
- thiết kế 3D vừa thực dụng, dễ in, lại đẹp
Khi cân nhắc một dự án như vậy, bạn lưu ý là dù đã công bố toàn bộ thiết kế thì vẫn sẽ cần khá nhiều công sức. Không chỉ 3D printing, mà còn có làm gỗ, hàn / điện tử, và phần mềm nữa.
Các phần được công bố gồm:
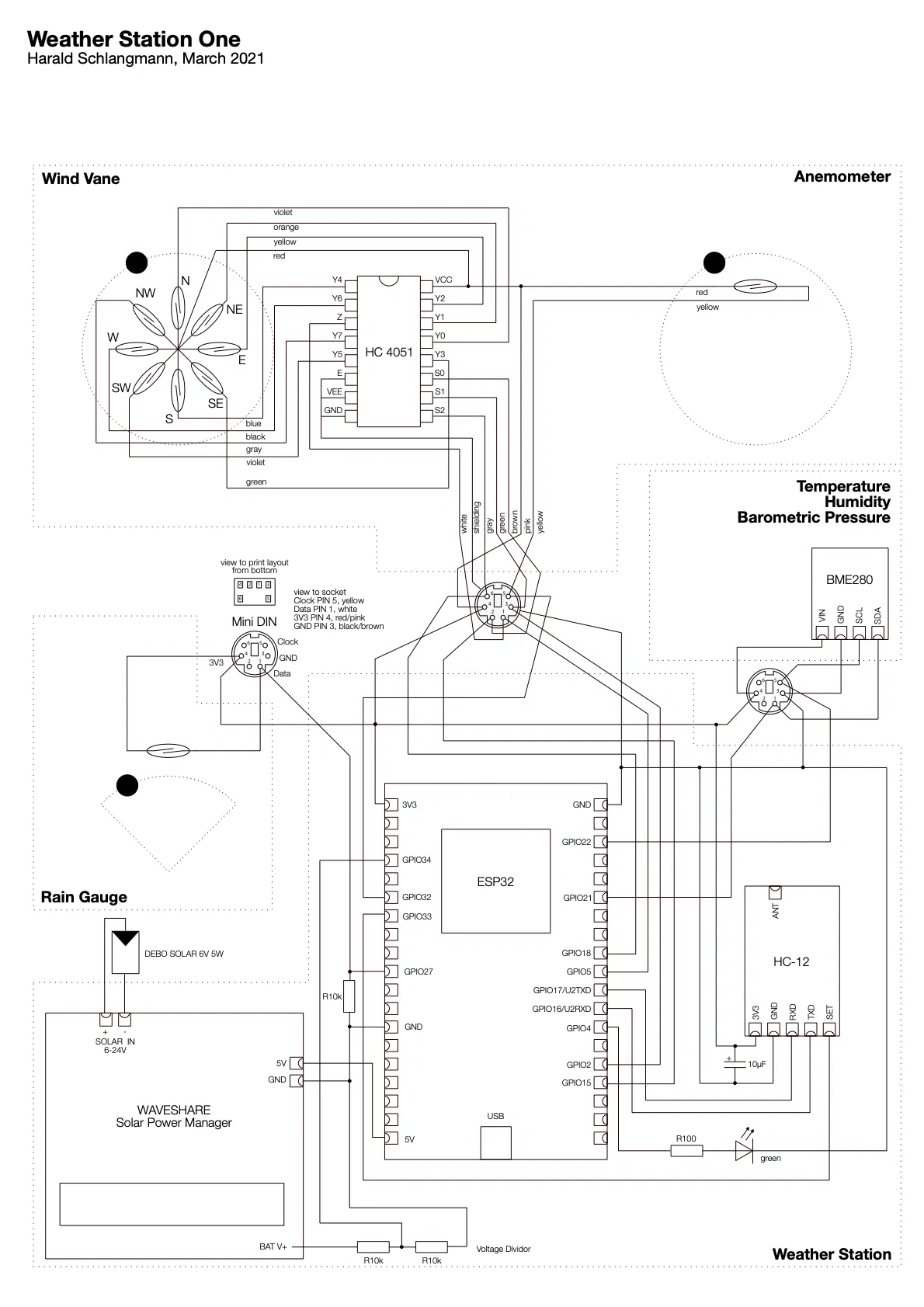
- Part 1: Central Station. Đây là phần mà tất cả cảm biến sẽ kết nối vào. Nó dùng pin / năng lượng mặt trời để có thể đặt ở vị trí tối ưu cho việc đo đạc. Dữ liệu thu được sẽ được gửi qua chip HC-12 / băng tần 433Mhz (tối đa 1 km).
- Part 2: Base Station. Đây là phần “đối tác” của Central Station. Nó nhận dữ liệu bằng một chip HC-12 khác và chuyển tiếp vào hệ thống home-automation. Ngoài ra, nó còn chạy web server để truy cập trực tiếp dữ liệu thời tiết.
- Part 3: Temperature (và các) sensor. Cảm biến này được thiết kế để đặt trong Stevenson Screen / Wetterhütte đúng chuẩn. Phiên bản hiện tại đo nhiệt độ môi trường, độ ẩm và áp suất khí quyển bằng cảm biến số. Nó kết nối về Central Station.
- Part 4: Rain Gauge. Đây là đồng hồ đo mưa, hứng nước mưa và đưa vào các gàu lật (tipping/commuting buckets). Số lần lật được đo bằng reed contact, kích bởi nam châm khi gàu di chuyển. Nó kết nối về Central Station.
- Part 5: Wind Vane and Anemometer. Có lẽ là phần in phức tạp nhất, đo 16 hướng gió và tốc độ gió. Tương tự rain gauge, đây là phần cơ khí. Hướng gió được đo bằng 8 reed contacts, hoặc cảm biến đo góc từ (magnetic angle measurement sensor). Tốc độ gió được đo bằng một reed contact đóng mạch mỗi khi cánh anemometer quay đủ một vòng. Nó kết nối về Central Station.
- Part 6: Stevenson Screen / Wetterhütte. Phần này không mô tả chi tiết thêm vì bên mình làm theo một hướng dẫn của DWD (Deutscher Wetterdienst). Do hướng dẫn đó đã bị gỡ khỏi website của họ từ lâu, bạn có thể tìm bản PDF trong Part 1: Central Station.
- Part 7: optional Battery Pack. Module năng lượng mặt trời và bộ sạc được chọn có sẵn ngàm cho pin Lithium cỡ 14500. Tùy mức tiêu thụ điện của Central Station (và cảm biến), bạn có thể muốn dùng Battery Pack gắn ngoài.
- Part 8: Software and Electronics. Phần này được công bố trên Github.
- Part 9: Solar Panel Mount. Đây là giá đỡ tấm pin mặt trời đang dùng hiện tại. Nó cho phép chỉnh góc nghiêng để tối ưu phát điện cho mùa Đông và mùa Hè. Về trung hạn sẽ được thay bằng solar tracker bám theo azimuth của mặt trời.
Để tiện cho bạn, mình đã tạo một collection WeatherStationOne gồm tất cả các phần, trừ phần 6 và 8.
Hết phần tổng quan dùng chung cho tất cả các phần.
Part 1 - Central Station
Về cơ bản đây là một cái hộp chứa microcontroller ESP32, một chip HC-12, module sạc năng lượng mặt trời, pin, và một số đầu nối. Các phần điện tử và phần mềm triển khai logic cho central station (gồm việc pull/thu thập dữ liệu từ các cảm biến) được mô tả trên github. Sơ đồ mạch được đính kèm để minh họa.
Các file STL cung cấp cho phép in một màu hoặc in nhiều màu. Việc in nhiều màu có thể làm khá dễ bằng lệnh M600 để đổi tool và cấu hình máy in với hai (virtual) extruders trong PrusaSlicer. Mình nghĩ các máy in / slicer khác cũng có kỹ thuật tương tự.
Mình quyết định làm hộp theo 3 phần: đáy, giữa và nắp. Cách này giúp khi lắp ráp có thể tiếp cận các bo mạch để hàn từ cả phía dưới lẫn phía trên.
Hộp này không chống nước và được thiết kế để đặt trong Stevenson Screen.
Cấu hình in
- Layer height 0.2mm
- nozzle 0.4mm
- infill 15%
- filament PETG màu trắng và đen
- đặt phần nắp và phần đáy với mặt phẳng úp xuống mặt bàn in
- support tự động (chỉ từ build plate)
Các linh kiện khác cần có
- 1x Waveshare Solar Power Manager
- 1x pin Lithium-ion sạc lại được tương thích với Waveshare power manager
- 1x solar panel 6 - 24V, 3 watts hoặc hơn
- 1x ESP32 Developer Board
- 1x board HC-12
- 1x tụ Elco 10 uF
- 2x điện trở 10k Ohm cho mạch chia áp / giám sát pin
- 1x điện trở pull down 10k Ohm cho anemometer
- 1x điện trở 220 Ohm cho LED
- 1x LED xanh 5mm
- 5x ổ cắm MiniDIN (PS/2) 6 pin
- bo mạch universal cho ESP32 và các ổ cắm
- 8x vít M2x8 (bắt bo)
- 12x vít M3x10 (bắt vỏ)
- ổ cắm DC trong trường hợp có gắn thêm hộp pin ngoài
Chống ẩm
Sau khi trạm thời tiết vận hành được vài năm, mình bổ sung một số lưu ý có thể giúp bạn kéo dài tuổi thọ linh kiện điện tử cho phần này và các phần khác:
- Dù được Stevenson Screen che chắn, toàn bộ linh kiện điện tử vẫn sẽ bị ảnh hưởng bởi độ ẩm
- Các cảm biến (như Wind Vane) đặt ngoài trời và nằm bên ngoài vỏ hộp sẽ còn “chịu trận” nhiều hơn
- Mình khuyến nghị bảo vệ bo mạch và tất cả mối hàn / mối bắt vít bằng spray cách điện dành cho điện tử (ví dụ trên Amazon Đức)
- Thay vì dùng bo universal và đi nhiều dây, bạn cân nhắc làm PCB; cách này sẽ giảm số lượng dây đáng kể
- chỉ dùng dây đồng nguyên chất, chọn đường kính lớn hơn bình thường
Mình đã làm một PCB vừa với vỏ hộp được giới thiệu ở đây. Hiện mình còn dư một ít, có thể bán với giá 10 EUR + phí ship. Nếu bạn cần thì liên hệ mình. Có hình PCB trong mục photos.
Kết
Đây là một mẫu 3D miễn phí khác được chia sẻ cho bạn. Việc thiết kế, thử nghiệm, chuẩn bị, upload và bảo trì các mẫu tốn khá nhiều công sức. Nếu bạn thấy hữu ích, bạn có thể ủng hộ bằng nút coin ở góc trên bên phải. Cảm ơn nhiều!
Giấy phép
File mô hình
Chưa có bản in nào được khoe. Hãy là người đầu tiên!
Chưa có bình luận nào. Hãy là người đầu tiên!