Laser Trainer cho Dryfire Practice (Bộ tập bắn khô bằng laser)

Bộ laser trainer in 3D gắn đầu nòng, tự chứa điện tử, dùng cảm biến piezo để kích xung laser 50 mSec. Có 2 lựa chọn mạch Arduino Nano hoặc 555 timer, hỗ trợ chỉnh laser trùng điểm ngắm mà không cần chỉnh lại sight.

👁️
31
Lượt Xem
❤️
0
Lượt Thích
📥
3
Lượt Tải
Cập Nhật Feb 27, 2026
Chi tiết
Tải xuống
Bình Luận
Khoe bản in
Remix

Mô tả

Đây là một bộ laser trainer dùng các chi tiết in 3D, kèm phần điện tử được tích hợp gọn trong cấu hình gắn ở đầu nòng. Mục tiêu của mình là làm ra một laser trainer có thể thích nghi với nhiều loại súng trường nòng dài mà không cần phải chỉnh lại thước ngắm của súng. Tức là laser có thể chỉnh để trùng với điểm ngắm/điểm rơi theo sight. Cấu hình này đã được thử với kính ngắm (telescopic sights) ở khoảng cách tối đa khoảng 20 mét. Mình cũng có kèm một file “iron sight barrel bracket” (chưa test) để hạ cụm laser và chi tiết đỡ bản lề xuống dưới đường ngắm 20 mm, nhằm phù hợp với iron sights để hỗ trợ tập biathlon.

Thiết bị phát hiện thời điểm firing pin nhả ra nhờ một cảm biến piezo gắn trong hộp điện tử. Sau đó mạch sẽ bắn một xung laser diode 50 mSec, tương thích với app ITarget ( https://www.itargetpro.com/ ) hoặc đa số các loại bia/target nhạy sáng hay nhận IR (https://www.instructables.com/Dry-Fire-Laser-Target) như một ví dụ. Laser diode có thể mua ở hầu hết các nhà cung cấp linh kiện điện tử, hoặc tận dụng từ đồ chơi laser cho thú cưng (Dollar Store) với vài đô.

Điểm trừ khi dùng cảm biến piezo là laser cũng có thể bị kích bởi rung động lúc lên cò lại (re-cocking the bolt). Vì vậy cần đưa nòng lệch khỏi mục tiêu để các xung ngoài ý muốn này không bị ghi nhận. Với nhu cầu tập casual thì thường không sao.

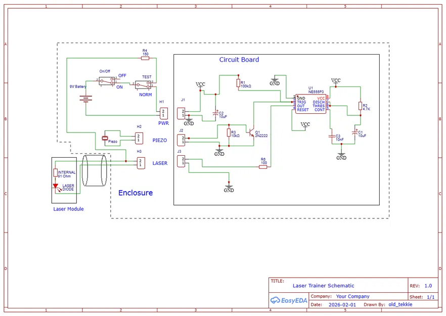
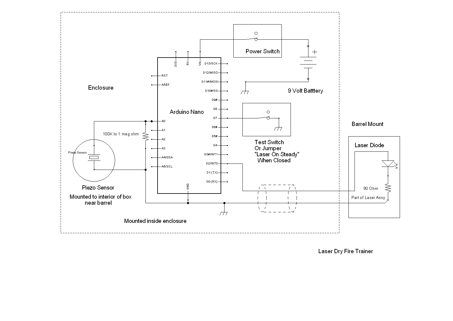
Mình có kèm 2 kiểu mạch có thể dùng: một bản dựa trên Arduino Nano, và một bản dùng linh kiện rời dựa trên 555 timer. Bản Nano có vẻ dễ làm hơn cho người mới vì chỉ cần kiếm thêm ít linh kiện. Link Dry Fire Laser target ở trên có thông tin về lập trình và dùng Arduino Nano. Muốn xem kỹ hơn về Nano thì tham khảo thêm Instructable này: https://www.instructables.com/Arduino-Nano .

Với Laser Trainer (bản Arduino Nano), bạn sẽ cần dùng code (LaserDryFirePulse.ino) có trong mục “files” ở phía trên. Để code chạy đúng, bạn phải đấu nối đúng như trong sơ đồ (schematic) đính kèm.

Bản dùng linh kiện rời (555) có thể hợp hơn với bạn nào đã có sẵn một đống linh kiện. Cảm biến piezo (cũng hay bán dưới tên guitar pickup) có thể tháo từ máy báo khói cũ, hoặc cũng như gần như mọi linh kiện cần thiết khác, đặt từ Ali Express hoặc Amazon. Lưu ý tất cả điện trở dùng loại 1/4 watt. Tụ nên chọn loại chịu áp 20V trở lên. Thường đặt combo/assortment điện trở hoặc tụ sẽ kinh tế hơn mua lẻ từng con. Nếu có thể thì tận dụng linh kiện từ thiết bị điện tử cũ. Transistor loại NPN nào cũng dùng được. Với điện trở và tụ, cố gắng giữ sai số trong khoảng 20% so với giá trị mục tiêu, nhất là R2 và C1 vì hai con này quyết định độ rộng xung của laser.

Ghi chú lắp ráp:

  1. Mình đã làm cả hai bản (Nano và 555 linh kiện rời). Schematic bản linh kiện rời có vẽ connector nhưng bạn bỏ qua phần đó—hàn dây thẳng vào board là được. Trường hợp của mình dùng board đục lỗ (perforated prototyping board) thấy ổn.

  2. Nên dùng bu-lông in (printed bolts) cho cụm chỉnh laser dạng vuông (hinge support) để giảm trọng lượng ở đầu nòng. Các lỗ nên được taro ren 1/4-20. Nên cho bu-lông in chạy qua đai ốc thép, và cho đai ốc in vặn trên bu-lông thép để “làm sạch” ren. Thiết kế bu-lông và đai ốc in tham khảo của AgentSCAD: https://www.thingiverse.com/thing:4394046

Ngoài ra, ren ở chi tiết “barrel bracket” nối 2 dây đai trên (top straps) nên được taro 6-32. Hoặc bạn có thể khoan rộng lỗ để lọt vít #6 rồi dùng đai ốc #6-32 để siết dây đai.

  1. Ngàm (mount) được thiết kế cho nòng đường kính 20 mm. Để dùng với nòng nhỏ hơn, có kèm file “barrel adapter”. Adapter này được thiết kế để chuyển từ nòng 14.5 mm lên ngàm. Các cỡ trung gian có thể dùng bằng cách chỉ xài một nửa bộ adapter, hoặc tự thiết kế adapter mới gồm 2 nửa hình trụ—đường kính ngoài 20 mm và đường kính trong đúng bằng đường kính nòng. Nếu nòng lớn hơn 20 mm thì khả năng cao phải thiết kế lại phần “barrel bracket”.

Nếu nòng có thước ngắm trước (front sights), dây đai trên có thể phải khoét (notching) hoặc thiết kế lại. Hoặc bạn có thể dùng dây rút nylon để cố định ngàm.

  1. Nếu dùng với súng rimfire, để bảo vệ firing pin, khuyến nghị dùng snap caps hoặc viên đạn giả in TPU như mẫu này: https://www.thingiverse.com/thing:3536377

  2. Tất cả chi tiết in dùng PLA, layer height 0.2mm và infill 40%, trừ đai ốc và bu-lông cần layer 0.1 mm và infill 100%.

  3. Chi tiết “Center and Housing” có thể cần khoét/ream nhẹ bằng mũi khoan 1/4 inch để lắp vừa laser.

  4. Bản thân laser phải được focus bằng thấu kính gắn ở đầu trước. Làm bằng cách xoay vòng đồng (brass bezel) đang giữ thấu kính. Laser nên nhô ra vừa đủ khỏi chi tiết “Center and Housing” để còn chỉnh được. Mình khuyên để bước này làm cuối: dùng công tắc “test” để bật laser sáng liên tục, rồi xoay bezel để tìm được chấm elip nhỏ nhất trên bề mặt ở khoảng 5 mét. Xong thì “khóa” bezel bằng 1–2 giọt keo nến (hot melt glue) để tránh bị lệch focus. Focus ảnh hưởng rất nhiều tới tầm hoạt động.

  5. Vui lòng xem các hình đính kèm để biết thêm chi tiết.

Cách sử dụng laser Trainer:

Gắn bộ này vào đầu nòng, để hộp điều khiển hướng xuống. Nới lỏng các vít chỉnh tâm bằng nhựa để cụm laser nằm gần chính giữa. Tiếp tục chỉnh laser như mô tả ở (7) phía trên. Đánh dấu một điểm trên bề mặt ở khoảng 5 mét và nhìn qua kính ngắm vào điểm đó. Thường ở khoảng cách ngắn này bạn sẽ cần giảm độ phóng đại của scope và chỉnh parallax (nếu có) để hình rõ nhất. Nới bu-lông bản lề bằng thép, đưa chấm laser gần đúng cao độ trong khung nhìn của scope rồi siết lại bu-lông thép để làm bước chỉnh thô. Tiếp theo, vặn các vít nhựa đến khi chấm laser trùng đúng tâm chữ thập của scope, rồi siết đai ốc hãm (lock nuts) trên các vít. Ở khoảng cách gần hơn so với mức cài đặt này, chấm laser sẽ thấp hơn; còn xa hơn thì sẽ cao hơn. Chỉnh lại vít nhựa tương ứng. Không chỉnh chữ thập của scope vì bạn cần giữ ngắm chuẩn cho “đạn thật”. Lưu ý ngàm nhựa này không phải thiết bị đo chính xác, nên cần chỉnh trước mỗi lần dùng. Nó thường giữ tương đối ổn trong một buổi tập, nhưng sẽ phải chỉnh lại nếu đổi khoảng cách (tăng/giảm khoảng 1 mét).

Giấy phép

Tác phẩm này được cấp phép theo

Creative Commons — Public Domain

CC0

Không yêu cầu ghi công
Remix & phái sinh Được phép
Sử dụng thương mại Được phép

File mô hình

TẤT CẢ FILE MÔ HÌNH (13 Tập tin)
Đang tải files, vui lòng chờ...
Vui lòng đăng nhập để bình luận.

Chưa có bình luận nào. Hãy là người đầu tiên!

Vui lòng đăng nhập để khoe bản in của bạn.

Chưa có bản in nào được khoe. Hãy là người đầu tiên!

Remix (0)