Pallet racking cho ngàm kết nối hình giọt nước (tear drop)

Bộ móc/kệ cho pallet racking kiểu ngàm tear drop, gồm nhiều mẫu hook và shelf, kèm plate trống để tự tùy biến. Đã test hook bằng PLA; khuyến nghị infill 100% ở tab và điểm chịu lực, thường cần support.

👁️
26
Lượt Xem
❤️
1
Lượt Thích
📥
1
Lượt Tải
Cập Nhật Jan 22, 2026
Chi tiết
Tải xuống
Bình Luận
Khoe bản in
Remix

Mô tả

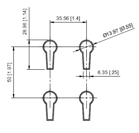
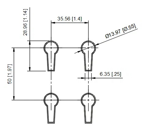
Mình tìm hoài mà không thấy mẫu nào đúng với hình học của loại pallet racking mình đang dùng, nên tự làm luôn. Bộ này có nhiều mẫu móc treo và kệ, kèm một tấm plate trống để bạn tự thêm hình học của riêng mình cho dễ tùy biến. Bạn sẽ thấy các kích thước đính kèm của pallet racking mà mình thiết kế theo.

Mình đã test các móc với PLA. Mình khuyên nên dùng infill cao (mình dùng 100%) cho phần tab cài vào racking và các vị trí chịu lực. Hầu hết cấu hình sẽ cần support ở phần tab trong lúc in để giữ đúng kích thước. Cái step mình đã đứng lên nhiều lần, mình nặng khoảng 250 lbs. Mình không test tới mức phá hủy, nhưng nó chịu tốt hơn mình tưởng khá nhiều.

Giấy phép

Tác phẩm này được cấp phép theo

Creative Commons — Attribution — Noncommercial

CC-BY-NC

Yêu cầu ghi công
Remix & phái sinh Được phép
Sử dụng thương mại Không được phép

File mô hình

TẤT CẢ FILE MÔ HÌNH (4 Tập tin)
Đang tải files, vui lòng chờ...
Vui lòng đăng nhập để bình luận.

Chưa có bình luận nào. Hãy là người đầu tiên!

Vui lòng đăng nhập để khoe bản in của bạn.

Chưa có bản in nào được khoe. Hãy là người đầu tiên!

Remix (0)