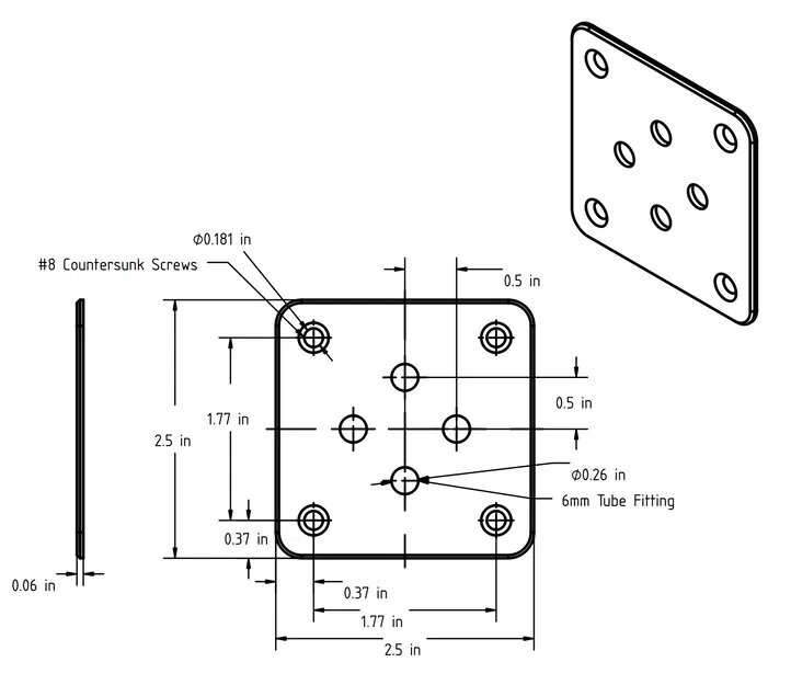
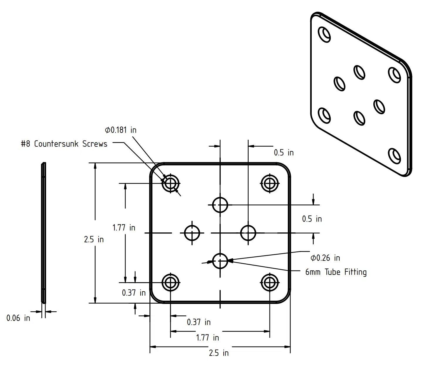
Bulkhead gắn 4 đầu nối filament thẳng 6mm (4x Filament 6mm Fitting Bulkhead)

Bulkhead filament đơn giản cho 4 đầu nối thẳng 6mm, phù hợp đi dây/đưa filament qua vách. Bắt cố định bằng vít #6 hoặc #8 countersunk. Thiết kế để dùng chung với thùng sấy AMS “ghetto”.

👁️
20
Lượt Xem
❤️
0
Lượt Thích
📥
0
Lượt Tải
Cập Nhật Jan 06, 2026
Chi tiết
Tải xuống
Bình Luận
Khoe bản in
Remix

Mô tả

Bulkhead filament đơn giản, hỗ trợ 4 đầu nối thẳng 6mm. Gắn bằng vít #6 hoặc #8 đầu chìm (countersunk).

Dùng chung với thùng sấy AMS “ghetto” của mình!

Giấy phép

Tác phẩm này được cấp phép theo

Creative Commons — Attribution — Noncommercial — Share Alike

CC-BY-NC-SA

Yêu cầu ghi công
Remix & phái sinh Được phép
Sử dụng thương mại Không được phép

File mô hình

TẤT CẢ FILE MÔ HÌNH (1 Tập tin)
Đang tải files, vui lòng chờ...
Vui lòng đăng nhập để bình luận.

Chưa có bình luận nào. Hãy là người đầu tiên!

Vui lòng đăng nhập để khoe bản in của bạn.

Chưa có bản in nào được khoe. Hãy là người đầu tiên!

Remix (0)