Spacer quạt (Fan Spacers) 120mm & 140mm

Bộ spacer cho quạt PC 120mm và 140mm, giúp tạo khoảng cách khi lắp với radiator hoặc trong case. Có 3 độ dày 10/15/25mm, lỗ bắt ốc vát mép một bên và khoét âm bên còn lại.

👁️
7.3K
Lượt Xem
❤️
110
Lượt Thích
📥
1.8K
Lượt Tải
Cập Nhật Jan 03, 2026
Chi tiết
Tải xuống
Bình Luận
Khoe bản in
Remix

Mô tả

Nội dung được dịch bằng AI

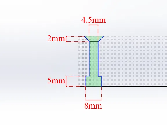
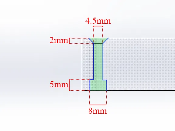
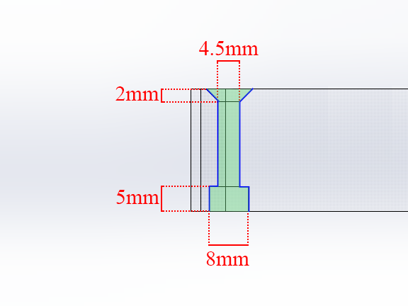
Các fan spacer này dùng được cho quạt máy tính 120mm và 140mm. Mỗi cỡ spacer có 3 độ dày: 10mm, 15mm và 25mm.

Các lỗ bắt ốc được vát mép (chamfer) ở một mặt và khoét âm (recessed) ở mặt còn lại. Xem hình thứ hai để biết kích thước các chi tiết này.

Hỗ trợ

Nếu bạn muốn ủng hộ mình vì những mẫu 3D mình chia sẻ miễn phí, bạn có thể dùng link affiliate AliExpress của mình: https://s.click.aliexpress.com/e/_oFT8Gq6

Mỗi khi bạn mua gì đó qua link này, mình sẽ nhận được một khoản nhỏ mà bạn không tốn thêm chi phí nào ;)

Cảm ơn bạn đã ủng hộ!

Giấy phép

Tác phẩm này được cấp phép theo

Standard Digital File License

Standard Digital File

Yêu cầu ghi công
Remix & phái sinh Không được phép
Sử dụng thương mại Không được phép

File mô hình

TẤT CẢ FILE MÔ HÌNH (6 Tập tin)
Đang tải files, vui lòng chờ...
Vui lòng đăng nhập để bình luận.

Chưa có bình luận nào. Hãy là người đầu tiên!

Vui lòng đăng nhập để khoe bản in của bạn.

Chưa có bản in nào được khoe. Hãy là người đầu tiên!

Remix (0)