Máy CNC 3D - Dremel - Laser - Phun Keo Hàn v0.1b
Đây là máy CNC mini để bàn in 3D, đa năng làm máy phay PCB, khắc laser, gắp linh kiện hoặc phun keo hàn. Kích thước nhỏ gọn 150x150x32 mm³ nhưng vẫn đảm bảo độ chính xác và cứng vững, sử dụng thanh nhôm định hình 20x20.
Mô tả
Dremel - Máy Phun Keo Hàn - CNC In 3D v0.1b
Đây là một máy CNC mini để bàn in 3D có thể dùng làm máy phay mạch PCB, máy khắc laser, máy gắp linh kiện hoặc máy phun keo hàn cho PCB.
Máy có khổ làm việc khoảng 150x150x32 mm³, đủ nhỏ gọn để đặt trên bất kỳ bàn làm việc nào. Để dễ hình dung, hãy so sánh kích thước của nó với một chiếc cốc cà phê IKEA tiêu chuẩn!

Kích thước nhỏ cũng đồng nghĩa với việc tiết kiệm chi phí, giảm thiểu tối đa vật liệu và thể tích in cần thiết mà vẫn duy trì độ chính xác và độ cứng vững. Máy sử dụng các thanh nhôm định hình 20x20, và khung máy chỉ có kích thước 300x240 mm.
Xem file BOM [ĐANG CẬP NHẬT] để biết danh sách vật liệu chi tiết.
Đầu Tool có thể tùy chỉnh
Thiết kế có giá đỡ đầu tool có thể tùy chỉnh, cho phép bạn điều chỉnh máy cho nhiều tác vụ khác nhau như phay PCB, khắc laser, gắp linh kiện, phun keo hàn hoặc thậm chí là in 3D!

Để sử dụng cá nhân, tôi đã thiết kế một đầu tool có thể gắn Flux hoặc máy phun keo của Egor Chugay. Xin khen ngợi anh ấy vì công trình tuyệt vời này!
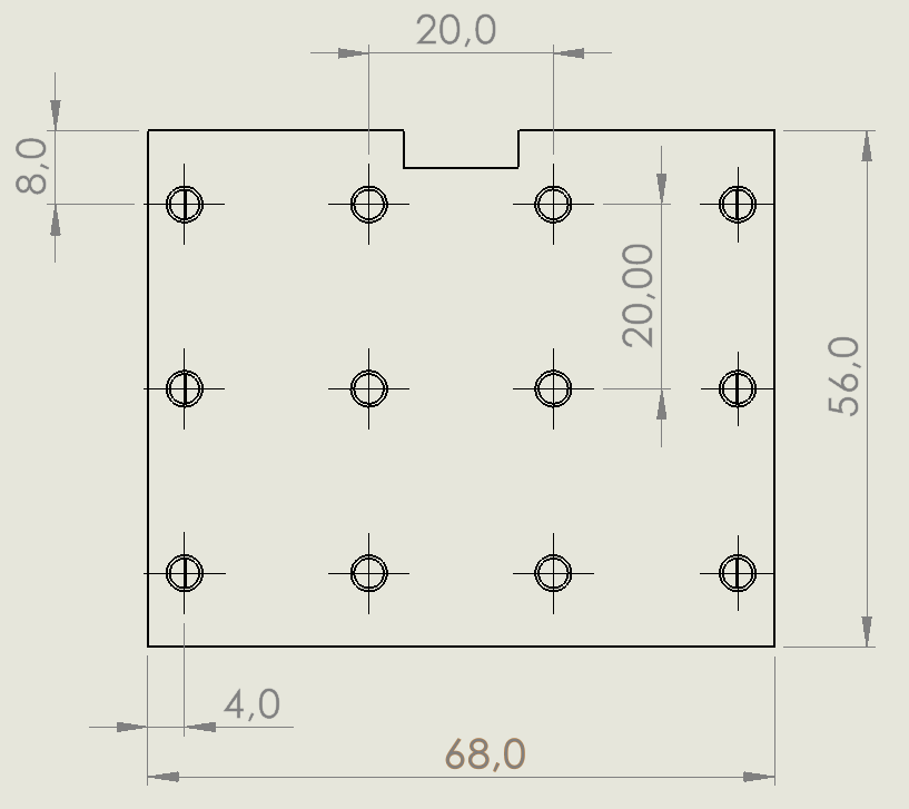
Trục Z có 12 lỗ ren M3 để bạn có thể tự thiết kế và gắn đầu tool của mình. Đây là bản vẽ với các kích thước để giúp bạn thiết kế đầu tool của riêng mình.

Phiên bản lắp ráp hoàn chỉnh của máy có thể xem trên trang Fusion360 của tôi → https://a360.co/4b680qQ
Các phiên bản:
- 0.1b : bản STL đầu tiên được phát hành. Việc lắp ráp đang được tiến hành và các tệp có thể được cập nhật. Số phiên bản của tệp sẽ tăng lên đối với mỗi lần cập nhật.
- 1.0: [chưa phát hành] phiên bản lắp ráp đầu tiên-
Hỗ trợ
Vui lòng cân nhắc giúp tôi làm việc với dự án này bằng cách mua cho tôi một ly cà phê. Tôi sẽ cực kỳ biết ơn!
Giấy phép
File mô hình
Chưa có bản in nào được khoe. Hãy là người đầu tiên!
Chưa có bình luận nào. Hãy là người đầu tiên!