Con Lăn Ống Chỉ Sợi Nhựa Hộp Ngũ Cốc

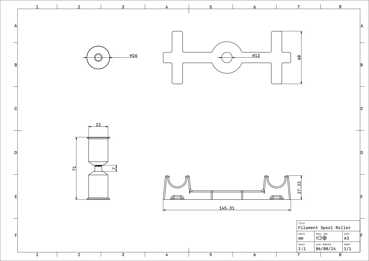
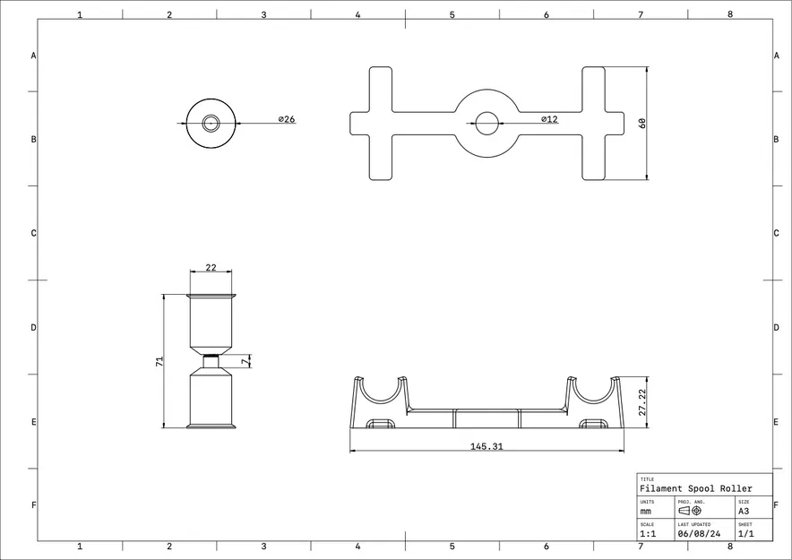
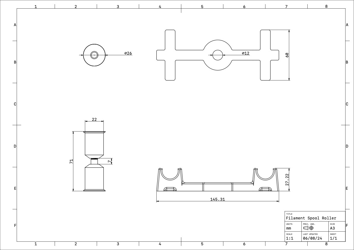
Con lăn ống chỉ sợi nhựa dùng bạc đạn 608rs, đặt giữa con lăn để vừa cho hộp ngũ cốc nhỏ. Có lỗ chừa núm đáy hộp. Không cần dụng cụ lắp ráp. Cập nhật thêm nhiều kích cỡ con lăn và file step.

👁️
3.2K
Lượt Xem
❤️
152
Lượt Thích
📥
949
Lượt Tải
Cập Nhật Dec 28, 2025
Chi tiết
Tải xuống
Bình Luận
Khoe bản in
Remix

Mô tả

Nội dung được dịch bằng AI

Cái con lăn ống chỉ sợi nhựa này được thiết kế cho mấy cái hộp ngũ cốc nhỏ hẹp. Thiết kế này xài hai cái bạc đạn 608rs đặt ngay giữa con lăn, thay vì đặt ở hai đầu. Nhờ vậy mà con lăn nó vừa khít vô mấy chỗ hẹp mà vẫn đủ rộng cho ống chỉ sợi nhựa 1kg. Trên đế cũng có lỗ khoét để chừa chỗ cho cái núm do quá trình ép khuôn, thường nằm ở chính giữa đáy hộp ngũ cốc.

Do ống chỉ sợi nhựa được cân bằng trên con lăn nên có thể sẽ hơi rung lắc nhẹ khi ống chỉ quay. Cái này không ảnh hưởng gì tới chất lượng in đâu nha.

Không cần dụng cụ hay bộ phận gì thêm để lắp ráp hết.

Cập nhật 2024-06-18: Đã thêm các con lăn có độ dài khác nhau, từ 66mm đến 75mm. Cũng đã thêm file step cho phần đế và con lăn 71mm.

Cập nhật 2024-09-01: Tôi đã thử nghiệm chịu tải của con lăn 71mm ban đầu với mười ống chỉ sợi nhựa (hơn 10kg) xếp chồng lên nhau. Có đăng ảnh. Tay tôi trong ảnh là để giữ cho chồng không bị đổ vì thực tế không thể cân bằng quá ba ống chỉ.

Cài đặt In

Vật liệu: PETG

Độ phân giải: 0.2mm

Ruột (Infill): 20%

Vỏ/Chu vi (Shells/Perimeters): Con lăn: 4 Đế: 2

Vỉ nướng (Rafts): Không

Hỗ trợ (Supports): Không

Giấy phép

Tác phẩm này được cấp phép theo

Creative Commons — Attribution

CC-BY

Yêu cầu ghi công
Remix & phái sinh Được phép
Sử dụng thương mại Được phép

File mô hình

TẤT CẢ FILE MÔ HÌNH (13 Tập tin)
Đang tải files, vui lòng chờ...
Vui lòng đăng nhập để bình luận.

Chưa có bình luận nào. Hãy là người đầu tiên!

Vui lòng đăng nhập để khoe bản in của bạn.

Chưa có bản in nào được khoe. Hãy là người đầu tiên!

Remix (0)