Giá đỡ ăng-ten Volador VD5 ELRS RP3

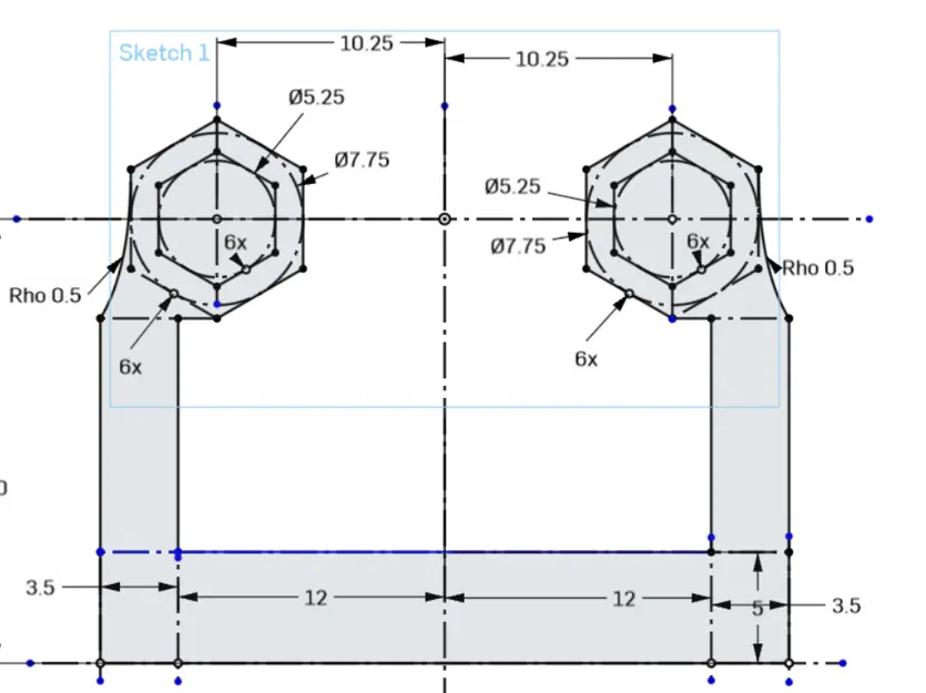
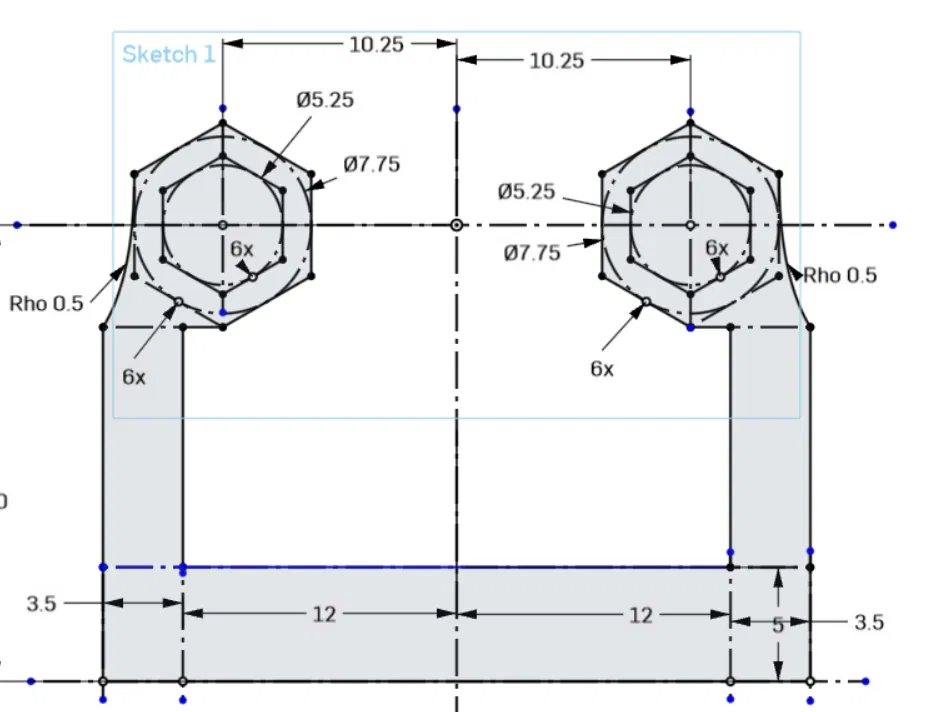
Giá đỡ ăng-ten kép RP3 tích hợp giá đỡ ăng-ten Volador nguyên bản. Dùng ngàm VTX đã cắt tỉa để có chỗ cho cả hai, lắp vừa như một cụm. Lý tưởng cho việc gắn ăng-ten FPV của bạn lên mô hình Volador VD5.

👁️
462
Lượt Xem
❤️
11
Lượt Thích
📥
119
Lượt Tải
Cập Nhật Dec 28, 2025
Chi tiết
Tải xuống
Bình Luận
Khoe bản in
Remix

Mô tả

Nội dung được dịch bằng AI

Sử dụng ngàm VTX đã cắt tỉa để có chỗ cho cả hai

Lắp vừa như một cụm

Giấy phép

Tác phẩm này được cấp phép theo

Creative Commons — Attribution — Share Alike

CC-BY-SA

Yêu cầu ghi công
Remix & phái sinh Được phép
Sử dụng thương mại Được phép

File mô hình

TẤT CẢ FILE MÔ HÌNH (3 Tập tin)
Đang tải files, vui lòng chờ...
Vui lòng đăng nhập để bình luận.

Chưa có bình luận nào. Hãy là người đầu tiên!

Vui lòng đăng nhập để khoe bản in của bạn.

Chưa có bản in nào được khoe. Hãy là người đầu tiên!

Remix (0)