Con lăn vận chuyển cho thùng EURO

Con lăn vận chuyển được thiết kế với chiều cao giảm, lý tưởng cho thùng EURO. Cấu tạo từ các bộ phận in 3D và thanh gỗ, bạn có thể tùy chỉnh kích thước cho phù hợp với mọi loại thùng. Dễ dàng lắp ráp và sử dụng để sắp xếp đồ đạc hiệu quả.

👁️
957
Lượt Xem
❤️
31
Lượt Thích
📥
100
Lượt Tải
Cập Nhật Dec 28, 2025
Chi tiết
Tải xuống
Bình Luận
Khoe bản in
Remix

Mô tả

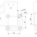
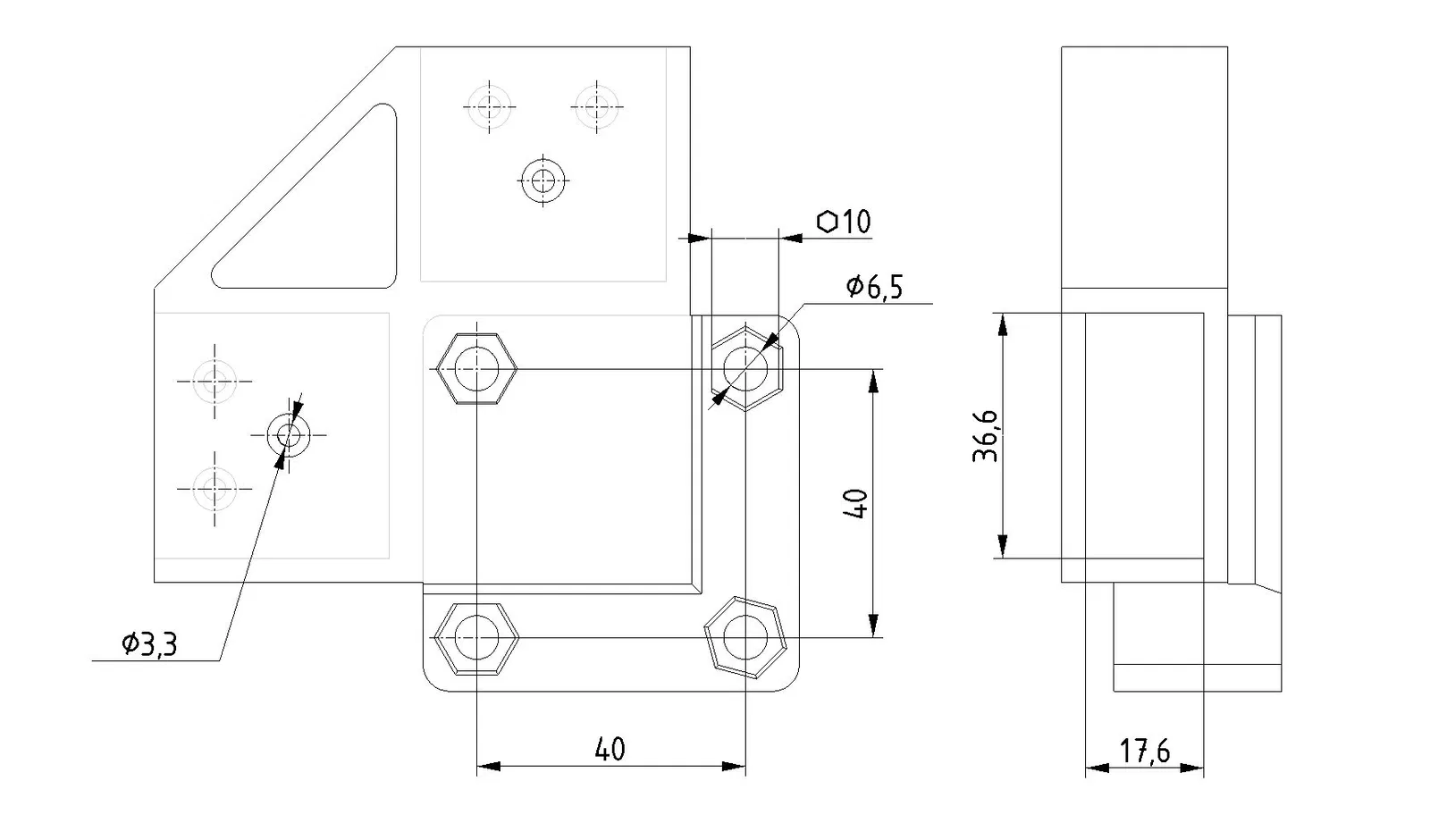
Cái con lăn này được cấu tạo từ bốn bộ phận nối in 3D và các thanh gỗ, có thể tùy chỉnh theo mọi kích thước của thùng.

Danh sách bộ phận:
  • connector | số lượng: 4
  • vít chìm ⌀3x15 (cho gỗ) | số lượng: 24
  • đai ốc lục giác M6 | số lượng: 16
  • vít trụ M6x15 | số lượng: 16
  • con lăn cho giao diện 40x40 mm | số lượng: 4
  • thanh gỗ tối đa. 17 x tối đa. 36
Hướng dẫn in:
  • vật liệu: PETG
  • hỗ trợ: một phần cần thiết
  • chiều cao lớp: 0,2mm hoặc 0,3mm
  • đường kính đầu phun: 0,4mm hoặc 0,6mm
  • viền in (brim): không cần thiết
  • buồng kín (enclosure): nên có
Hướng dẫn lắp ráp:
  1. làm sạch các cạnh nếu cần
  2. lắp đai ốc lục giác M6 vào các bộ phận nối
  3. căn chỉnh các bộ phận nối và thanh gỗ vào đáy thùng và đảm bảo khoảng hở giữa thùng và bộ phận nối khoảng 2mm
  4. kết nối các bộ phận bằng vít chìm ⌀3x15, cẩn thận để tránh làm nứt bộ phận giữ
  5. lắp con lăn bằng vít trụ M6x15
  6. bắt đầu lưu trữ và sắp xếp mọi thứ của bạn bằng cách sử dụng các thùng EURO có thể di chuyển

Giấy phép

Tác phẩm này được cấp phép theo

Creative Commons — Attribution — Noncommercial

CC-BY-NC

Yêu cầu ghi công
Remix & phái sinh Được phép
Sử dụng thương mại Không được phép

File mô hình

TẤT CẢ FILE MÔ HÌNH (1 Tập tin)
Đang tải files, vui lòng chờ...
Vui lòng đăng nhập để bình luận.

Chưa có bình luận nào. Hãy là người đầu tiên!

Vui lòng đăng nhập để khoe bản in của bạn.

Chưa có bản in nào được khoe. Hãy là người đầu tiên!

Remix (0)