Giá đỡ tường sạc xe hơi Volkswagen

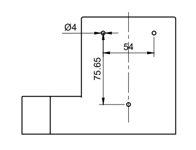
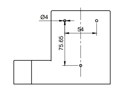
Giá đỡ tường sạc xe hơi Volkswagen cho bộ sạc nguyên bản "000054412". Bộ đỡ tường này được thiết kế cho bộ sạc xe hơi Volkswagen nguyên bản cho ổ cắm 220v. Có thể gắn bằng 3 vít chìm, đường kính tối đa 4mm, đường kính đầu 6mm. Khuyến nghị in bằng ASA ngoài trời, ABS hoặc PETG trong nhà. Nên in thành dày để tăng độ chắc chắn khi gắn vít.

👁️
1.2K
Lượt Xem
❤️
24
Lượt Thích
📥
231
Lượt Tải
Cập Nhật Dec 10, 2025
Chi tiết
Tải xuống
Bình Luận
Khoe bản in
Remix

Mô tả

Nội dung được dịch bằng AI

Giá đỡ tường này được thiết kế cho bộ sạc xe hơi Volkswagen nguyên bản cho ổ cắm 220v với mã phụ tùng 000054412. Giá đỡ có thể được gắn bằng 3 vít chìm với đường kính tối đa 4 mm và đường kính đầu tối đa 6mm.

Tôi khuyên bạn nên in bộ phận này bằng ASA nếu sử dụng ngoài trời hoặc ABS nếu sử dụng trong nhà nhưng môi trường nóng. PETG cũng nên dùng tốt trong nhà. Tôi cũng đề xuất độ dày thành cao để vít có thể được gắn chắc chắn.

Giấy phép

Tác phẩm này được cấp phép theo

Creative Commons — Public Domain

CC0

Không yêu cầu ghi công
Remix & phái sinh Được phép
Sử dụng thương mại Được phép

File mô hình

TẤT CẢ FILE MÔ HÌNH (2 Tập tin)
Đang tải files, vui lòng chờ...
Vui lòng đăng nhập để bình luận.

Chưa có bình luận nào. Hãy là người đầu tiên!

Vui lòng đăng nhập để khoe bản in của bạn.

Chưa có bản in nào được khoe. Hãy là người đầu tiên!

Remix (0)