Ray Picatinny/NATO Tham Số v2.1

Tạo ray Picatinny/NATO bằng OpenSCAD với nhiều tùy chọn tùy chỉnh. Tệp .scad này cho phép bạn điều chỉnh chiều dài, số lượng khe, vị trí lắp ốc và hơn thế nữa, đồng thời tuân theo tiêu chuẩn 4694 với các kích thước hệ mét.

👁️
2.3K
Lượt Xem
❤️
51
Lượt Thích
📥
628
Lượt Tải
Cập Nhật Dec 20, 2025
Chi tiết
Tải xuống
Bình Luận
Khoe bản in
Remix

Mô tả

Nội dung được dịch bằng AI

Bạn đang tìm cách nhanh chóng, tiện lợi để thêm ray Picatinny vào thiết kế OpenSCAD của mình? Bạn có muốn tạo một thanh ray độc lập với các lỗ để gắn bằng ốc vít không?

Hy vọng là có, vì đây chính là thứ mà cái này làm.

Có hai tệp .scad. Cả hai đều có hướng dẫn chi tiết dưới dạng các bình luận ở đầu tệp.

  • “Picatinny-rail.scad” định nghĩa một module có thể được sử dụng để tạo các thanh ray với nhiều tùy chọn tùy chỉnh. Bạn có thể sử dụng nó như một thư viện.
  • “Picatinny-customizer.scad” sử dụng thư viện đó và tính năng tùy chỉnh mới của OpenSCAD (tại thời điểm tải lên ban đầu) để tạo một thanh ray có thể được cấu hình thông qua các ô kiểm, thanh trượt và menu thay vì mã OpenSCAD.

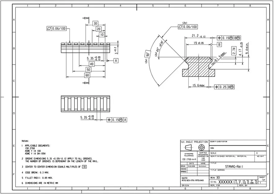
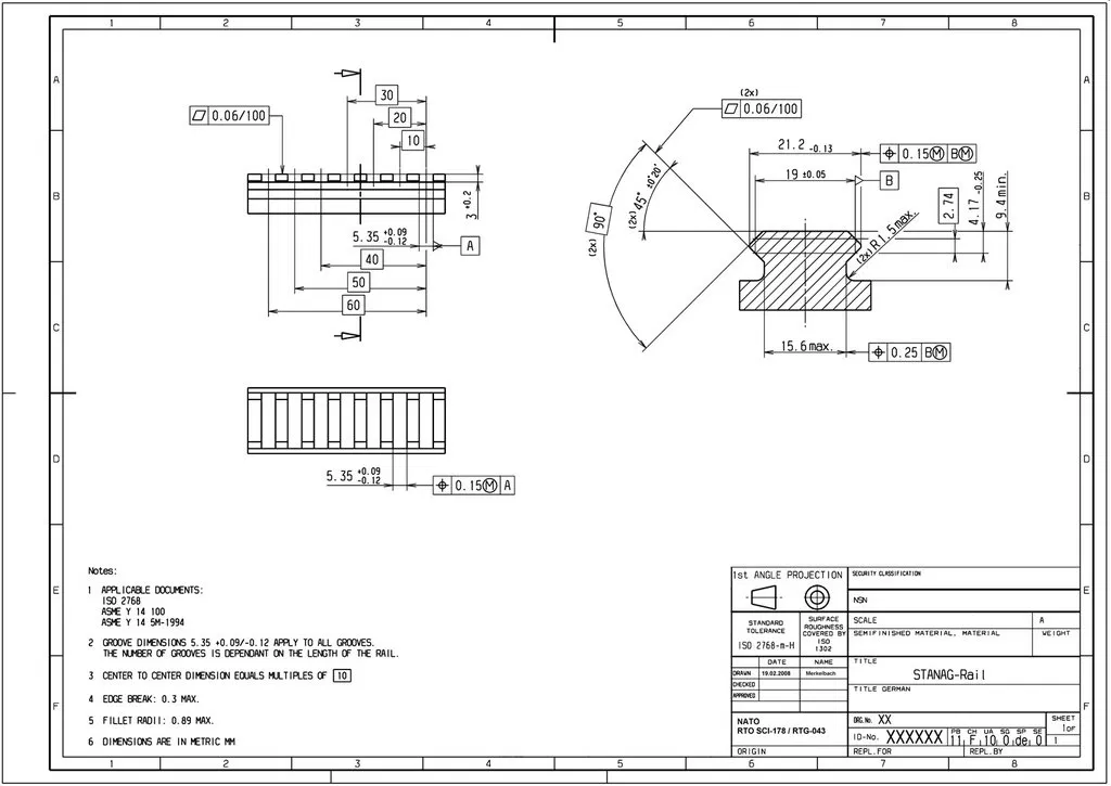
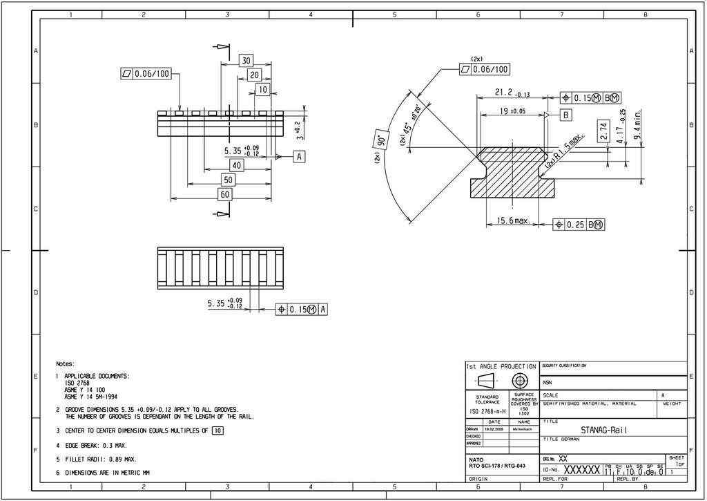
Tôi đang sử dụng các kích thước từ thỏa thuận tiêu chuẩn hóa 4694. Đây giống như một thanh ray Picatinny gốc ngoại trừ các kích thước là hệ mét (tiêu chuẩn cho in 3D) và dung sai thì khác (nhưng những cái đó phụ thuộc vào máy in của bạn).

Bạn có thể đặt (nhưng không nhất thiết phải đặt; tất cả các tùy chọn này đều có giá trị mặc định hoặc có thể được tính toán từ các tham số khác):

  • Chiều dài
  • Số lượng khe
  • Phần nhô ra của thanh ray bên dưới mặt phẳng xy, hữu ích cho việc gắn vào bề mặt trong thiết kế mà không có khoảng trống rộng bằng không
  • Vát ở các đầu của thanh ray
  • Khoảng cách của các khe giật lùi so với các đầu của thanh ray
  • Vị trí của các lỗ ốc để gắn một thanh ray độc lập
  • Loại ốc vít được sử dụng (bao gồm loại đầu lục giác và loại đầu chìm), và khoảng hở xung quanh chúng
  • Cách các lỗ ốc tương tác với các khe giật lùi - bạn có thể không muốn các khe giật lùi chồng lên vị trí của lỗ ốc.

Thay đổi kể từ phiên bản 2.0:

  • Đã thay đổi tên tệp để không có khoảng trắng vì Printables đã thay thế chúng bằng dấu gạch nối, dẫn đến việc tùy chỉnh không tìm thấy thư viện.
  • Đã thay đổi cách chỉ định vị trí lỗ ốc trong trình tùy chỉnh thành danh sách phân tách bằng dấu phẩy trong một chuỗi, vì trình tùy chỉnh của OpenSCAD không hỗ trợ các vector có số lượng phần tử thay đổi được.

Giấy phép

Tác phẩm này được cấp phép theo

Creative Commons — Public Domain

CC0

Không yêu cầu ghi công
Remix & phái sinh Được phép
Sử dụng thương mại Được phép

File mô hình

TẤT CẢ FILE MÔ HÌNH (3 Tập tin)
Đang tải files, vui lòng chờ...
Vui lòng đăng nhập để bình luận.

Chưa có bình luận nào. Hãy là người đầu tiên!

Vui lòng đăng nhập để khoe bản in của bạn.

Chưa có bản in nào được khoe. Hãy là người đầu tiên!

Remix (0)